GM Service Manual Online
For 1990-2009 cars only
Makes
🢒
Chevrolet
🢒
1999
🢒
Express
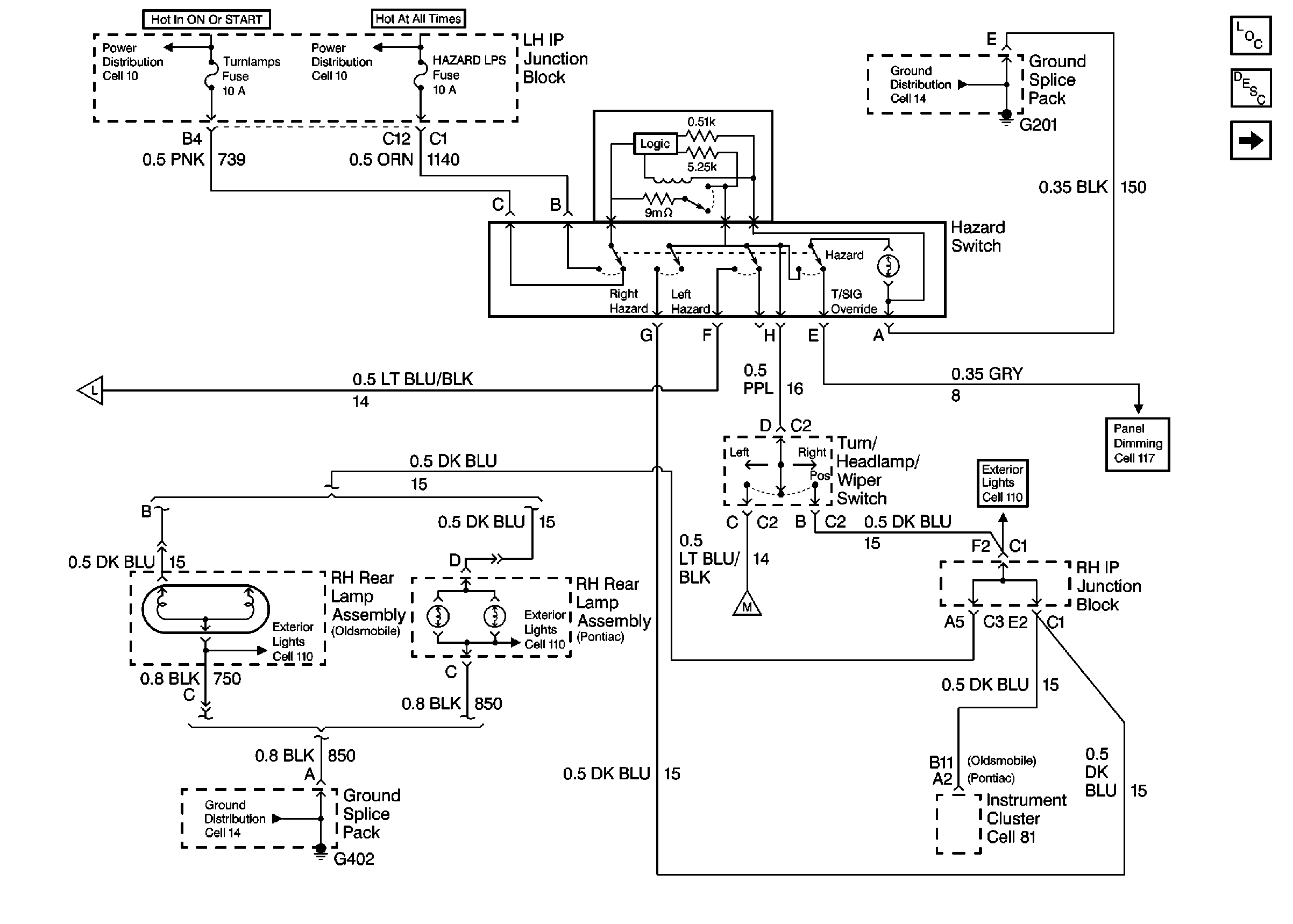
🢒 Right Rear Lamp Assembly and Hazard Switch
Right Rear Lamp Assembly and Hazard Switch
Right Rear Lamp Assembly and Hazard Switch
Lighting Systems Components
Exterior Lights Circuit Description
Left Rear Lamp Assembly
Handling Electrostatic Discharge Sensitive Parts Notice
Cell 117: Interior Lamps
Ground Distribution Schematics
Ground Distribution Schematics
Left Rear Lamp Assembly
Left Rear Lamp Assembly
Power Distribution Schematics
Power Distribution Schematics
Cell 110: Front Park/Turn and Marker Lamps
Cell 110: Tail/Stop Lamps
Cell 110: Tail/Stop Lamps