GM Service Manual Online
For 1990-2009 cars only
Makes
🢒
Chevrolet
🢒
1999
🢒
Express
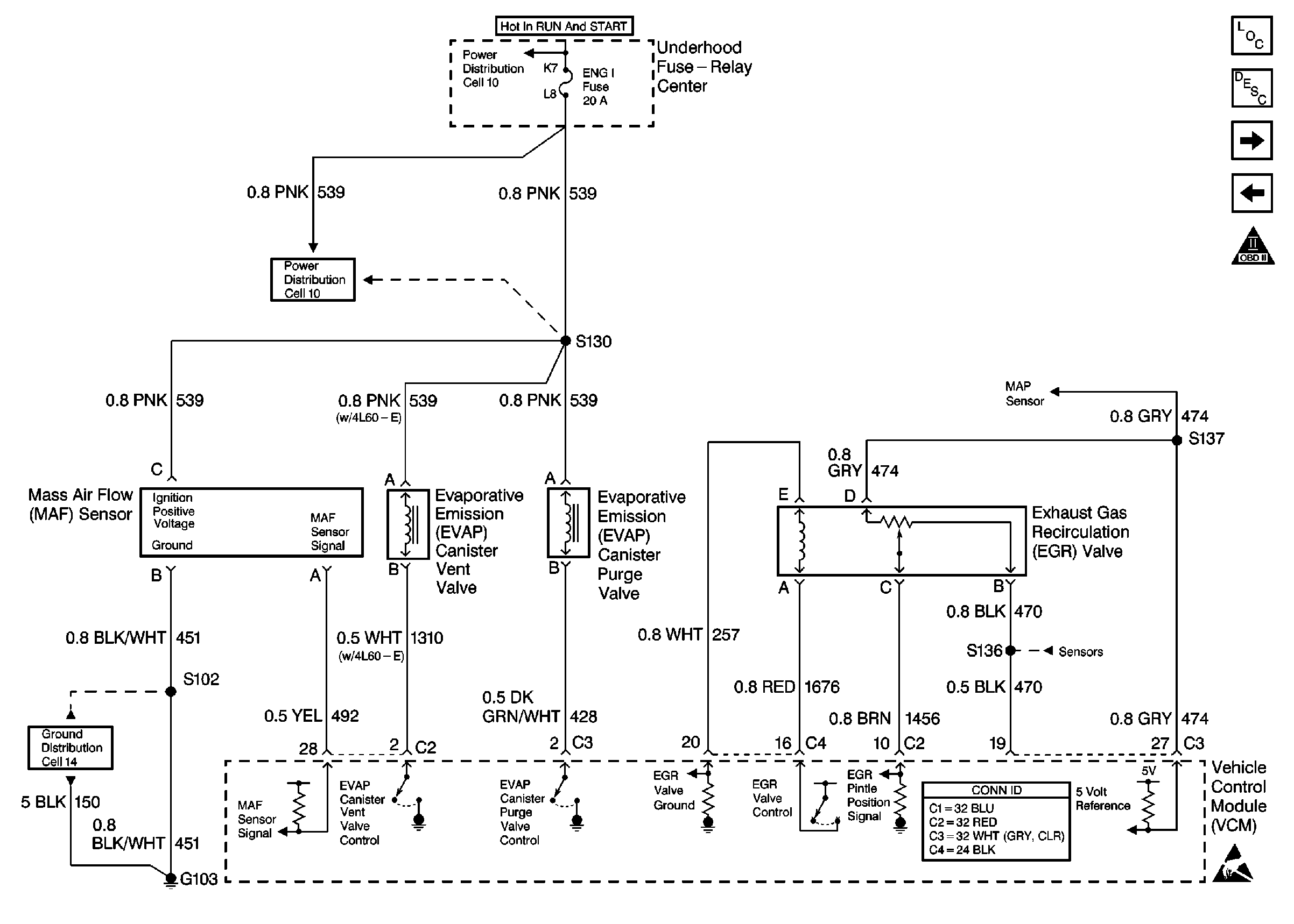
🢒 Cell 20: EGR and EVAP Controls
Cell 20: EGR and EVAP Controls
Cell 20: EGR and EVAP Controls
Engine Controls Components
Information Sensors/Switches Description
Cell 20: Oxygen Sensor Controls
Cell 20: Sensor Controls
OBD II Symbol Description Notice
Cell 10: FUEL SOL, IGN-E, ECM-I, ENG-I, GAUGES, AIR BAGS, TURN B/U Fuses
Cell 11: ENG-I Fuse
Cell 20: Sensor Controls
Cell 20: Sensor Controls
Cell 14: G103 (4.3L)
Handling ESD Sensitive Parts Notice
VCM Connector End Views