GM Service Manual Online
For 1990-2009 cars only
Makes
🢒
Chevrolet
🢒
1999
🢒
Express
🢒 Cell 140
Cell 140
Cell 140
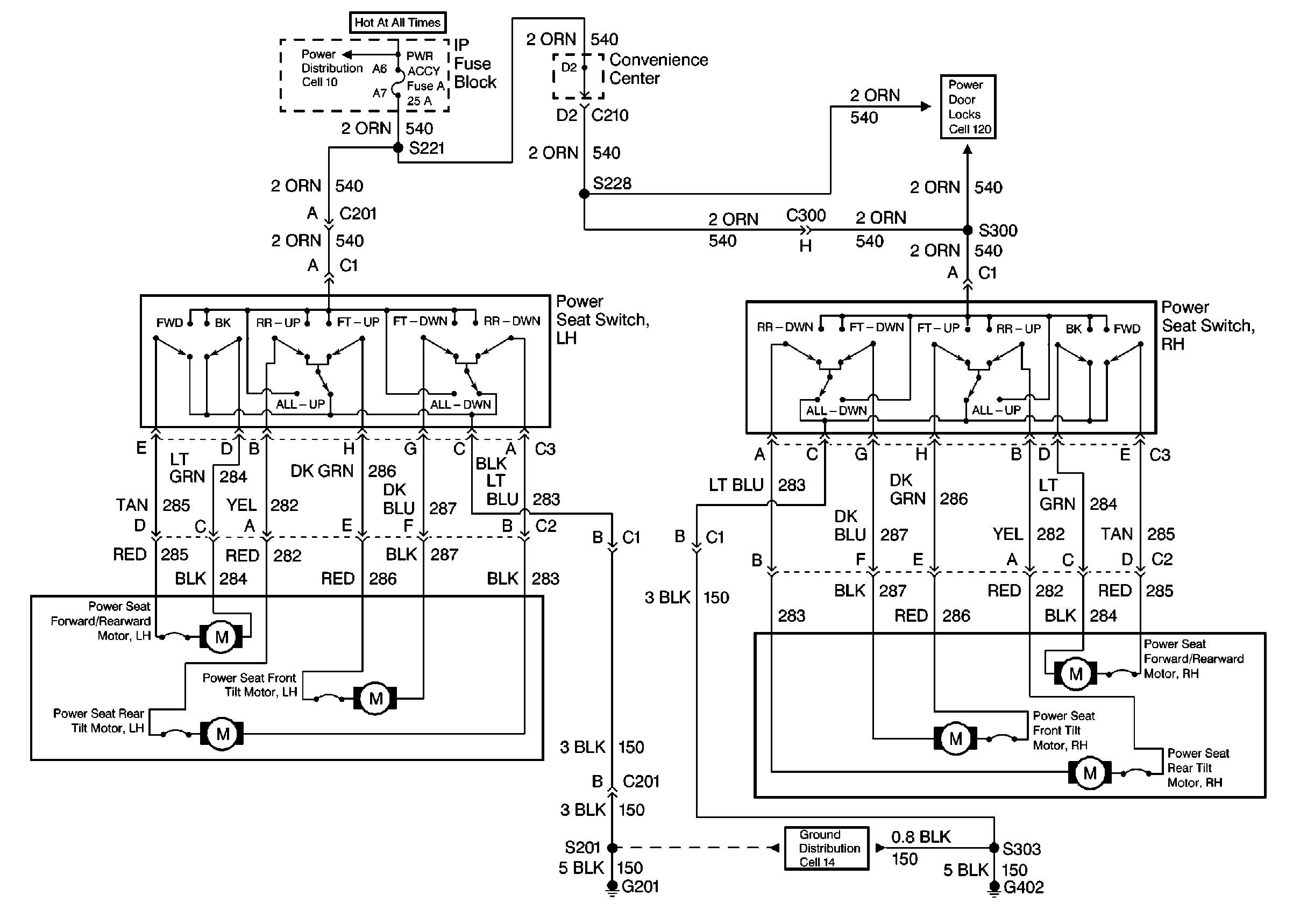
Power Seat Systems Components
Power Seats Circuit Description
Door Lock/Indicator Schematics
Ground Distribution Schematics Domestic