GM Service Manual Online
For 1990-2009 cars only

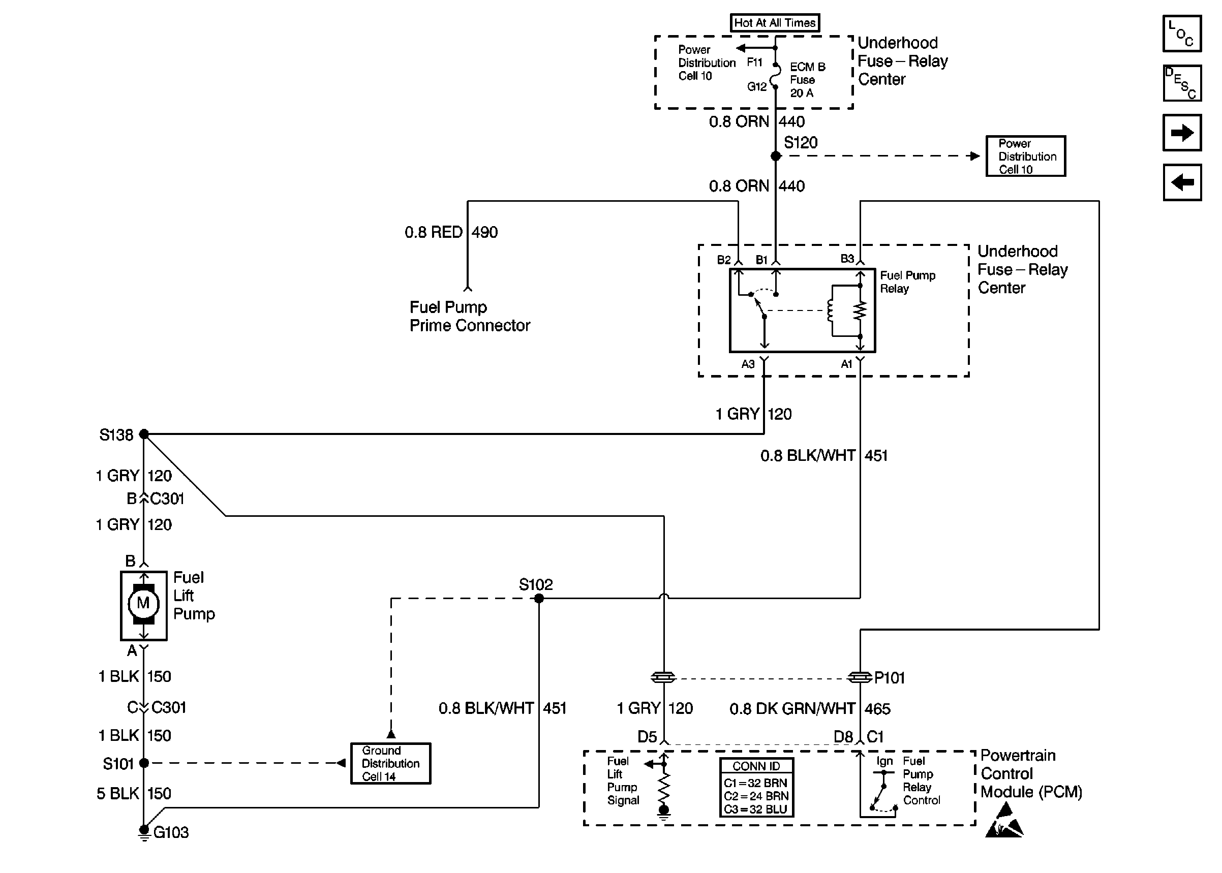
Refer to Engine Controls Schematics

Cell 22: Fuel Pump Controls


Object Number: 341122  Size: FS
Engine Controls Components
Information Sensors/Switches Description
Cell 22: Fuel Controls
Cell 22: Glow Plug Controls Federal Emissions
Cell 10: Battery, Battery Junction Block, Auxiliary Battery, AUX A, AUX B, BLOWER, IGN-B, IGN-A, ABS, BATT, LIGHTING, ECM-B, HORN, A/C Fuses, Inline Fuse 30 A (Diesel Engines)
Cell 11: ECM-B, HORN, A/C Fuses
Powertrain Control Module Connector End Views
Handling ESD Sensitive Parts Notice
Cell 14: G103 (6.5L)
.

Circuit Description

The status of the lift pump is monitored by the PCM. This signal is also used in order to store a DTC if the fuel pump relay is defective or if the fuel pump voltage is lost while the engine is running. There should be about 12 volts on circuit 120 during the glow plug cycle.

Conditions for Running the DTC

The fuel lift pump is commanded ON.

Conditions for Setting the DTC

    • The difference between the ignition voltage and the fuel pump voltage is greater than 4 volts.
    • The condition was met for 2 seconds.

Action Taken When the DTC Sets

    • The PCM illuminates the malfunction indicator lamp (MIL) on the second consecutive drive trip the diagnostic runs and fails.
    • The PCM records the operating conditions at the time the diagnostic fails. The first time the diagnostic fails, the Failure Records store this information. If the diagnostic reports a failure on the second consecutive drive trip, the Freeze Frame records the operating conditions at the time of failure and updates the Failure Records.

Conditions for Clearing the MIL/DTC

    • The PCM will turn the MIL off after 3 consecutive trips without a fault condition.
    • A history DTC clears after 40 consecutive warm-up cycles, if this or any other emission related diagnostic does not report any failures.
    • The scan tool Clear Info function was used.

Diagnostic Aids

This DTC will not check the fuel pump for operation.

Test Description

The number(s) below refer to the step number(s) on the Diagnostic Table.

  1. This fuel pump can also be felt for a pulsing which will also determine if the fuel pump is working.

  1. This step checks the fuel lift pump circuit.

  1. This step checks if the PCM is sending a signal to turn the fuel pump ON. The Scan Tool display Lift Pump Voltage will indicate if the feed back voltage is being sent back to the PCM.

Step

Action

Value(s)

Yes

No

1

Important: Before clearing any DTCs, use the scan tool Capture Info function to save the Freeze Frame and the Failure records for reference. The control module's data is deleted once the Clear Info function is used.

Was the Powertrain On-Board Diagnostic (OBD) System Check performed?

--

Go to Step 2

Go to Powertrain On Board Diagnostic (OBD) System Check

2

  1. Install the scan tool.
  2. Turn the ignition ON.
  3. Use the scan tool in order to command the fuel pump ON.

Does the scan tool indicate the fuel pump is operating?

--

Go to Diagnostic Aids

Go to Step 3

3

  1. Turn the ignition OFF.
  2. With a J 39200 DMM connected to ground, backprobe the fuel lift pump signal circuit at the PCM.
  3. Probe the fuel pump test terminal with a fused jumper to B+.

Is the voltage at the specified value?

B+

Go to Step 8

Go to Step 4

4

  1. Remove the fuel pump relay.
  2. Verify the J 39200 DMM is still connected.
  3. From underneath the U/H relay center, probe the A3 terminal with a fused jumper to B+.

Is the voltage at the specified value?

B+

Go to Step 5

Go to Step 6

5

  1. Check for a poor connection at the fuel pump relay center.
  2. If a problem is found, repair the problem as necessary. Refer to Wiring Repairs .

Did you perform a repair?

--

Go to Step 19

Go to Step 18

6

  1. Check for an open or short to ground on the fuel pump signal circuit.
  2. If a problem is found, repair the problem as necessary. Refer to Wiring Repairs .

Did you perform a repair?

--

Go to Step 19

Go to Step 7

7

  1. Check for poor connections at the PCM and at the relay center.
  2. If a problem is found, repair the problem as necessary. Refer to Wiring Repairs .

Did you perform a repair?

--

Go to Step 19

Go to Step 16

8

  1. Remove the fuel pump relay.
  2. Turn the ignition ON.
  3. Connect a J 35616-200 unpowered test lamp to ground.
  4. Probe the fuel pump relay harness connector terminal B1.

Is the test lamp ON?

--

Go to Step 10

Go to Step 9

9

Repair the open in the battery feed circuit to the fuel pump relay. Refer to Wiring Repairs .

Is the action complete?

--

Go to Step 19

--

10

Connect a J 35616-200 unpowered test lamp between terminal number B1 and terminal number A1 of the fuel pump relay harness connector.

Is the test lamp ON?

--

Go to Step 12

Go to Step 11

11

Repair the open fuel pump relay ground circuit. Refer to Wiring Repairs .

Is the action complete?

--

Go to Step 19

--

12

  1. Turn the ignition OFF.
  2. Connect a J 35616-200 unpowered test lamp between terminal number B3 of the fuel pump relay harness connector and ground.
  3. Monitor the test lamp.
  4. Turn the ignition ON.

Does the J 35616-200 unpowered test lamp come ON during the glow plug cycle and then go OFF after the glow plug cycle is complete?

--

Go to Step 13

Go to Step 14

13

  1. Turn the ignition OFF.
  2. Connect a J 35616-200 unpowered test lamp to ground.
  3. Backprobe the fuel lift pump signal circuit at the PCM.
  4. Monitor the test lamp.
  5. Turn the ignition ON.

Does the J 35616-200 unpowered test lamp come ON during the glow plug cycle and then go OFF after the glow plug cycle is complete?

--

Go to Step 16

Go to Step 17

14

Check for an open or short to ground in the circuit from the fuel pump relay harness connector terminal number B3 and the PCM. Repair as necessary. Refer to Wiring Repairs .

Did you perform a repair?

--

Go to Step 15

Go to Step 16

15

Repair the open or short to ground in the fuel pump relay control circuit. Refer to Wiring Repairs .

Is the action complete?

--

Go to Step 19

--

16

Important: The new PCM must be programmed. Refer to Powertrain Control Module Replacement/Programming .

Replace the PCM.

Is the action complete?

--

Go to Step 19

--

17

Check for poor connections at the fuel pump relay connector. Repair as necessary. Refer to Wiring Repairs .

Did you perform a repair?

--

Go to Step 19

Go to Step 18

18

Replace the fuel pump relay. Refer to Fuel Pump Relay Replacement .

Is the action complete?

--

Go to Step 19

--

19

  1. Using the scan tool, clear the DTCs.
  2. Start the engine.
  3. Allow the engine to idle until the normal operating temperature is reached.
  4. Select DTC and the Specific DTC function.
  5. Enter the DTC number that was set.
  6. Operate the vehicle within the Conditions for Setting this DTC until the scan tool indicates the diagnostic Ran.

Does the scan tool indicate the diagnostic Passed?

--

Go to Step 20

Go to Step 2

20

Does the scan tool display any additional undiagnosed DTCs?

--

Go to the Applicable DTC Table

System OK