GM Service Manual Online
For 1990-2009 cars only

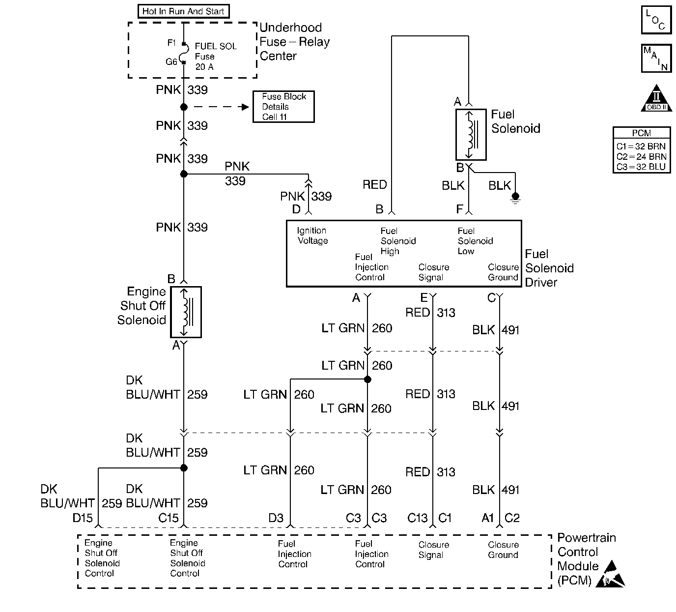
Object Number: 195148  Size: LF
Engine Controls Components
Cell 22: Fuel Controls
OBD II Symbol Description Notice
Handling ESD Sensitive Parts Notice

Circuit Description

The powertrain control module (PCM) has the ability to put the vehicle in an engine shut-off (ESO) solenoid controlled idle if an engine overspeed condition has been detected.

Conditions for Running the DTC

The engine is operating.

Conditions for Setting the DTC

5 ESO cycles with an RPM drop.

Action Taken When the DTC Sets

    • The PCM will not illuminate the malfunction indicator lamp (MIL).
    • The PCM records the operating conditions at the time the diagnostic fails. This information is stored in the Failure Records.

Conditions for Clearing the MIL/DTC

    • The PCM will turn the MIL off after 3 consecutive trips without a fault condition.
    • A history DTC clears after 40 consecutive warm-up cycles, if this or any other emission related diagnostic does not report any failures.
    • The scan tool Clear Info function was used.

Diagnostic Aids

This DTC will not set if an external fuel source is causing an overspeed condition. A DTC P1216 will set along with DTC P0219.

Test Description

The number(s) below refer to the step number(s) on the Diagnostic Table.

  1. The injection pump is being replaced in this step.

Step

Action

Value(s)

Yes

No

1

Important: Before clearing the DTCs, use the scan tool Capture Info function to save the Freeze Frame and the Failure records for reference. The control module's data is deleted once the Clear Info function is used.

Was the Powertrain On-Board Diagnostic (OBD) System Check performed?

--

Go to Step 2

Go to Powertrain On Board Diagnostic (OBD) System Check

2

Important: The new injection pump must be timed. Refer to Fuel Injection Pump Timing Adjustment .

Replace the fuel injection pump. Refer to Fuel Injection Pump Replacement .

Is the action complete?

--

Go to Step 3

--

3

  1. Using the scan tool, clear the DTCs.
  2. Start engine.
  3. Allow the engine to idle until the normal operating temperature is reached.
  4. Select DTC and the Specific DTC function.
  5. Enter the DTC number that was set.
  6. Operate the vehicle within the Conditions for Setting this DTC until the scan tool indicates the diagnostic Ran.

Does the scan tool indicate the diagnostic Passed?

--

Go to Step 4

Go to Step 2

4

Does the scan tool display any additional undiagnosed DTCs?

--

Go to the applicable DTC Table

System OK