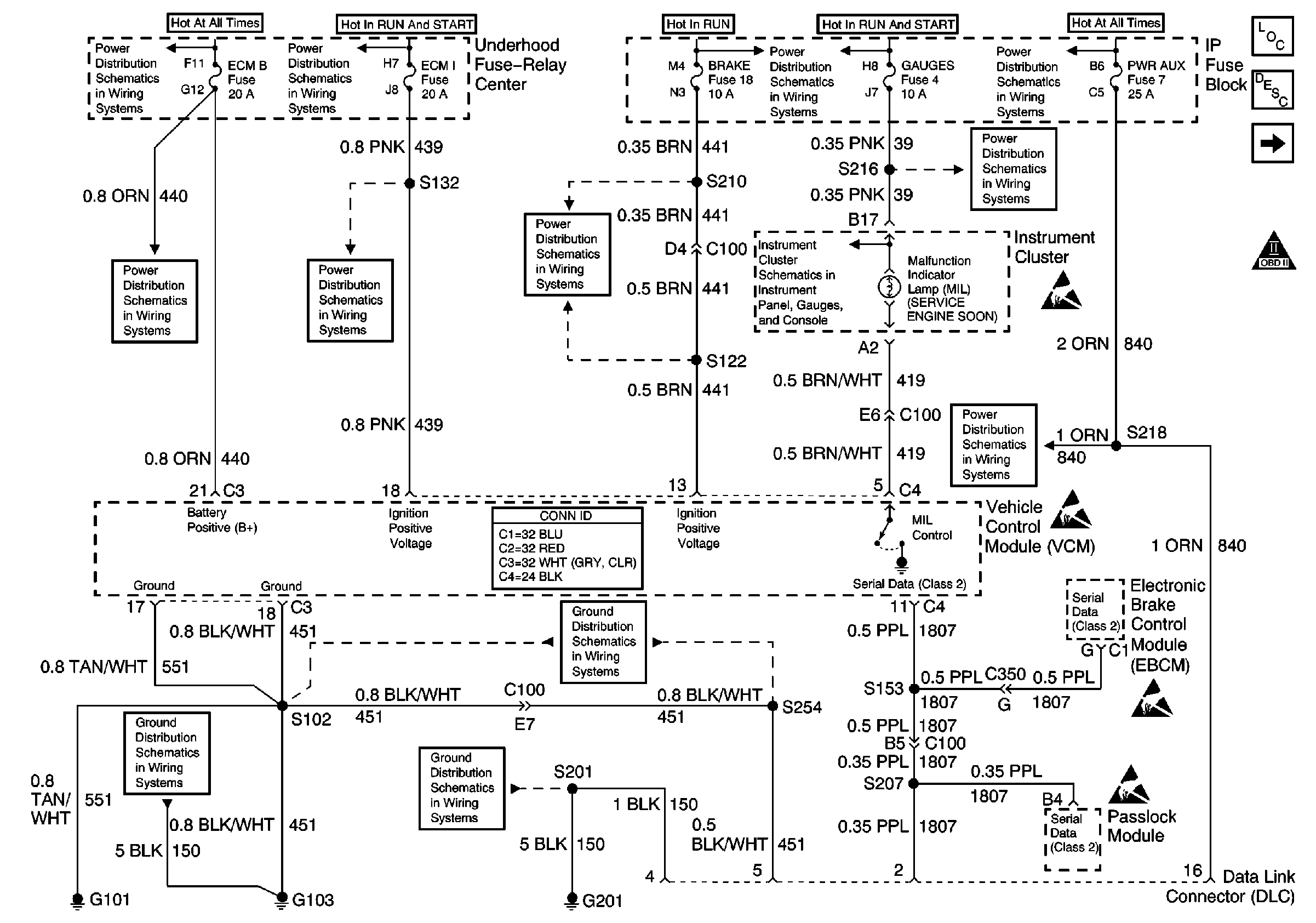
GM Service Manual Online
For 1990-2009 cars only
Figure 1:

Fuses, MIL, VCM, DLC, G101, G103, G201


Object Number: 526858  Size: FS
Engine Controls Components
Vehicle Control Module Description
CKP, CMP, ICM, Ignition Coil, VCM, Knock Sensor
OBD II Symbol Description Notice
LIGHTING and BATT Fuses
IGN A, IGN B Fuses, and Ignition Switch
IGN A, IGN B Fuses, and Ignition Switch
IGN A, IGN B Fuses, and Ignition Switch
Battery, Auxiliary Battery, and Underhood Fuse/Relay Center
ECM B, HORN, and A/C Fuses
ECM 1 and IGN E Fuses (5.0L and 5.7L)
CRUISE, HTR A/C, and BRAKE Fuses
GAUGES Fuse
STOP, PWR AUX, CIG LTR, and RADIO B Fuses
G103 (4.3L, 5.0L, and 5.7L Engines)
G201
G101 (Gasoline Engines)
GAUGES Fuse, WATER-IN-FUEL Indicator Sensor, G103
Handling ESD Sensitive Parts Notice
Handling ESD Sensitive Parts Notice
Handling ESD Sensitive Parts Notice
Handling ESD Sensitive Parts Notice
Figure 2:

CKP, CMP, ICM, Ignition Coil, VCM, Knock Sensor


Object Number: 492877  Size: FS
Engine Controls Components
Vehicle Control Module Description
Fuel Pump and Sender, Fuel Pump Relay, VCM
Fuses, MIL, VCM, DLC, G101, G103, G201
OBD II Symbol Description Notice
IGN A, IGN B Fuses, and Ignition Switch
IGN A, IGN B Fuses, and Ignition Switch
ENG 1 Fuse (4.3L, 5.0L, and 5.7L)
ECM 1 and IGN E Fuses (5.0L and 5.7L)
G103 (4.3L, 5.0L, and 5.7L Engines)
Handling ESD Sensitive Parts Notice
Figure 3:

Fuel Pump and Sender, Fuel Pump Relay, VCM


Object Number: 493013  Size: FS
Engine Controls Components
Vehicle Control Module Description
Fuel Injector Controls
CKP, CMP, ICM, Ignition Coil, VCM, Knock Sensor
OBD II Symbol Description Notice
Battery, Auxiliary Battery, and Underhood Fuse/Relay Center
ECM B, HORN, and A/C Fuses
G101 (Gasoline Engines)
G103 (4.3L, 5.0L, and 5.7L Engines)
Sensor Controls: MAP, Fuel Tank Pressure Sensor, IAT, TP Sensor, ECT
Handling ESD Sensitive Parts Notice
Figure 4:

Fuel Injector Controls


Object Number: 492903  Size: FS
Engine Controls Components
Vehicle Control Module Description
Sensor Controls: MAP, Fuel Tank Pressure Sensor, IAT, TP Sensor, ECT
Fuel Pump and Sender, Fuel Pump Relay, VCM
OBD II Symbol Description Notice
IGN A, IGN B Fuses, and Ignition Switch
ECM 1 and IGN E Fuses (5.0L and 5.7L)
ECM 1 and IGN E Fuses (5.0L and 5.7L)
Handling ESD Sensitive Parts Notice
Figure 5:

Sensor Controls: MAP, Fuel Tank Pressure Sensor, IAT, TP Sensor, ECT


Object Number: 492905  Size: FS
Engine Controls Components
Vehicle Control Module Description
Sensor Controls: MAF, EGR, and EVAP
Fuel Injector Controls
OBD II Symbol Description Notice
Sensor Controls: MAF, EGR, and EVAP
Sensor Controls: MAF, EGR, and EVAP
4L60-E Transmission Switch Controls
4L80-E Transmission Switch Controls
Fuel Pump and Sender, Fuel Pump Relay, VCM
Handling ESD Sensitive Parts Notice
Handling ESD Sensitive Parts Notice
Figure 6:

Sensor Controls: MAF, EGR, and EVAP


Object Number: 492908  Size: FS
Engine Controls Components
Vehicle Control Module Description
Sensor Controls: Heated Oxygen Sensor (5.0L, 5.7L with 4L60-E)
Sensor Controls: MAP, Fuel Tank Pressure Sensor, IAT, TP Sensor, ECT
OBD II Symbol Description Notice
IGN A, IGN B Fuses, and Ignition Switch
ENG 1 Fuse (4.3L, 5.0L, and 5.7L)
G101 (Gasoline Engines)
Sensor Controls: MAP, Fuel Tank Pressure Sensor, IAT, TP Sensor, ECT
Sensor Controls: MAP, Fuel Tank Pressure Sensor, IAT, TP Sensor, ECT
Sensor Controls: MAP, Fuel Tank Pressure Sensor, IAT, TP Sensor, ECT
Handling ESD Sensitive Parts Notice
Figure 7:

Sensor Controls: Heated Oxygen Sensor (5.0L, 5.7L with 4L60-E)


Object Number: 526883  Size: FS
Engine Controls Components
Vehicle Control Module Description
Sensor Controls: Heated Oxygen Sensor (5.7L with 4L80-E)
Sensor Controls: MAF, EGR, and EVAP
OBD II Symbol Description Notice
IGN A, IGN B Fuses, and Ignition Switch
ENG 1 Fuse (4.3L, 5.0L, and 5.7L)
G103 (4.3L, 5.0L, and 5.7L Engines)
Components through S152 to G103 (Gasoline Engines)
G103 (4.3L, 5.0L, and 5.7L Engines)
Handling ESD Sensitive Parts Notice
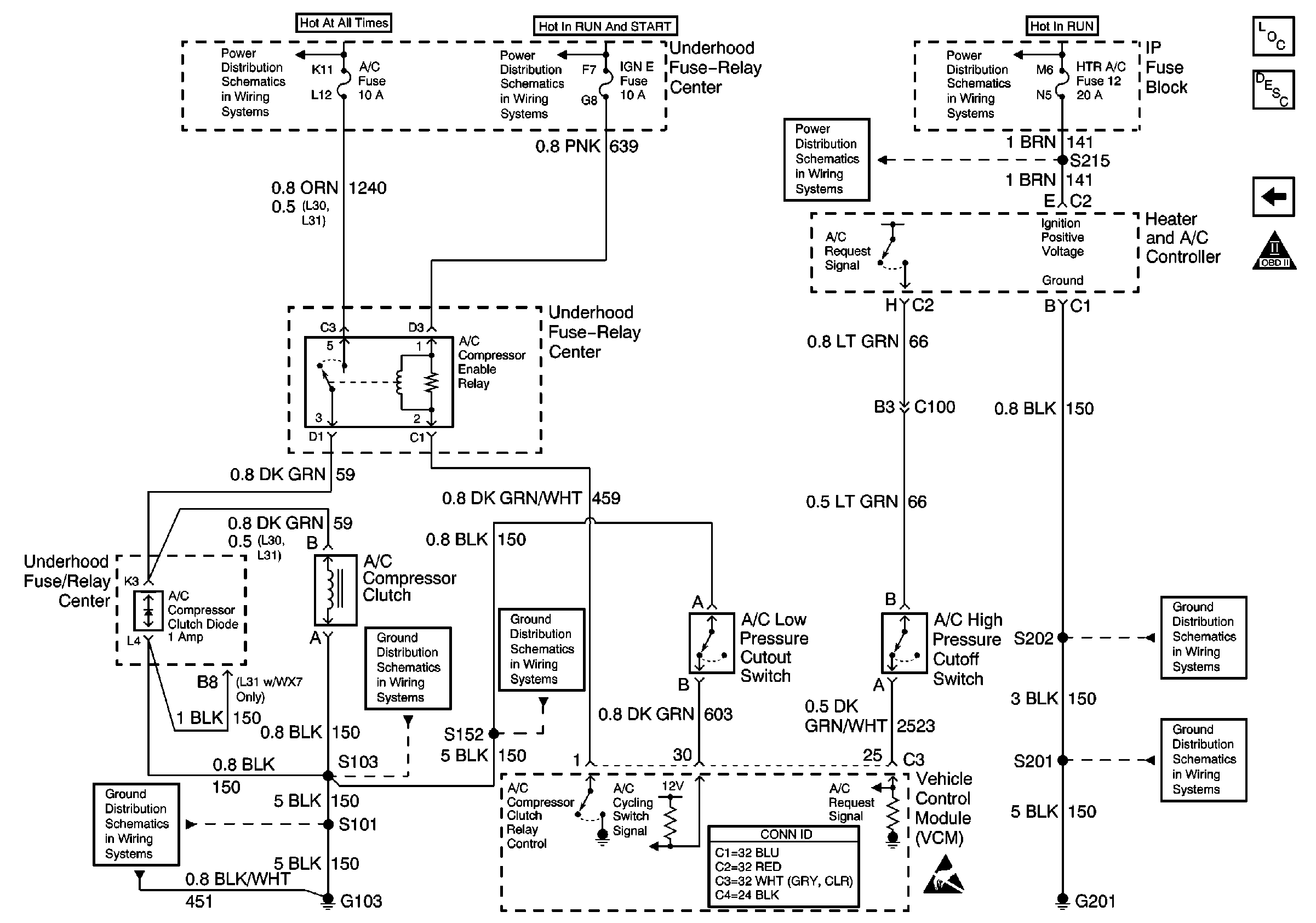
Figure 8:

Sensor Controls: Heated Oxygen Sensor (5.7L with 4L80-E)


Object Number: 492914  Size: FS
Engine Controls Components
Vehicle Control Module Description
Vehicle Speed Sensor, IAC, and Cruise Control
Sensor Controls: Heated Oxygen Sensor (5.0L, 5.7L with 4L60-E)
OBD II Symbol Description Notice
IGN A, IGN B Fuses, and Ignition Switch
ENG 1 Fuse (4.3L, 5.0L, and 5.7L)
G103 (4.3L, 5.0L, and 5.7L Engines)
Components through S152 to G103 (Gasoline Engines)
G103 (4.3L, 5.0L, and 5.7L Engines)
Handling ESD Sensitive Parts Notice
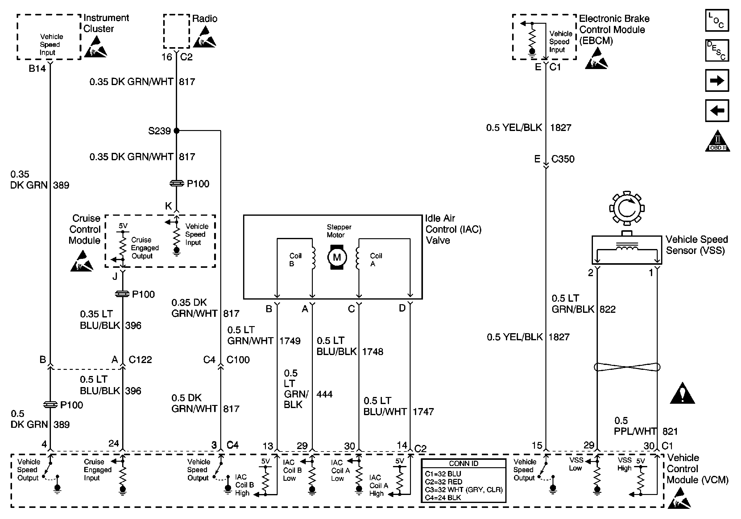
Figure 9:

Vehicle Speed Sensor, IAC, and Cruise Control


Object Number: 491360  Size: FS
Engine Controls Components
Vehicle Control Module Description
Secondary AIR Controls
Sensor Controls: Heated Oxygen Sensor (5.7L with 4L80-E)
OBD II Symbol Description Notice
Handling ESD Sensitive Parts Notice
Handling ESD Sensitive Parts Notice
Handling ESD Sensitive Parts Notice
Handling ESD Sensitive Parts Notice
Handling ESD Sensitive Parts Notice
Engine Controls Schematic Icons
Figure 10:

Secondary AIR Controls


Object Number: 526739  Size: FS
Engine Controls Components
Vehicle Control Module Description
4L60-E Solenoid Controls
Vehicle Speed Sensor, IAC, and Cruise Control
OBD II Symbol Description Notice
Handling ESD Sensitive Parts Notice
Battery, Auxiliary Battery, and Underhood Fuse/Relay Center
IGN A, IGN B Fuses, and Ignition Switch
ENG 1 Fuse (4.3L, 5.0L, and 5.7L)
G103 (4.3L, 5.0L, and 5.7L Engines)
Components through S152 to G103 (Gasoline Engines)
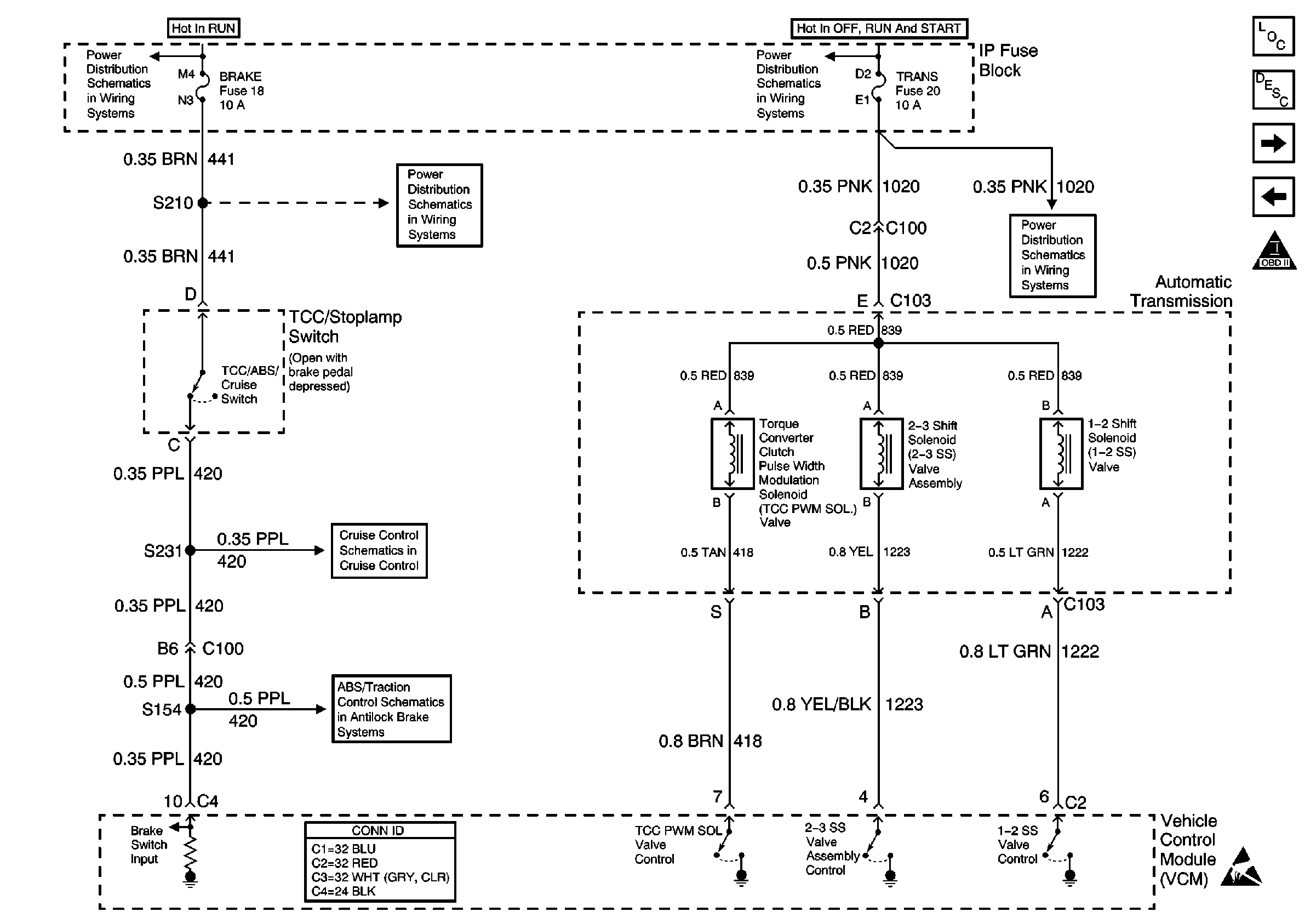
Figure 11:

4L60-E Solenoid Controls


Object Number: 491361  Size: FS
Engine Controls Components
Vehicle Control Module Description
4L60-E Transmission Switch Controls
Secondary AIR Controls
OBD II Symbol Description Notice
IGN A, IGN B Fuses, and Ignition Switch
IGN A, IGN B Fuses, and Ignition Switch
RADIO 1, WIPER, TRANS, and CRANK Fuses
CRUISE, HTR A/C, and BRAKE Fuses
Cruise Control System-Gasoline Engines
ABS System Schematics (IP, VCM, EBCM, and VSS)
Handling ESD Sensitive Parts Notice
Figure 12:

4L60-E Transmission Switch Controls


Object Number: 491364  Size: FS
Engine Controls Components
Vehicle Control Module Description
4L80-E Transmission Solenoid Controls
4L60-E Solenoid Controls
OBD II Symbol Description Notice
Sensor Controls: MAP, Fuel Tank Pressure Sensor, IAT, TP Sensor, ECT
Handling ESD Sensitive Parts Notice
Handling ESD Sensitive Parts Notice
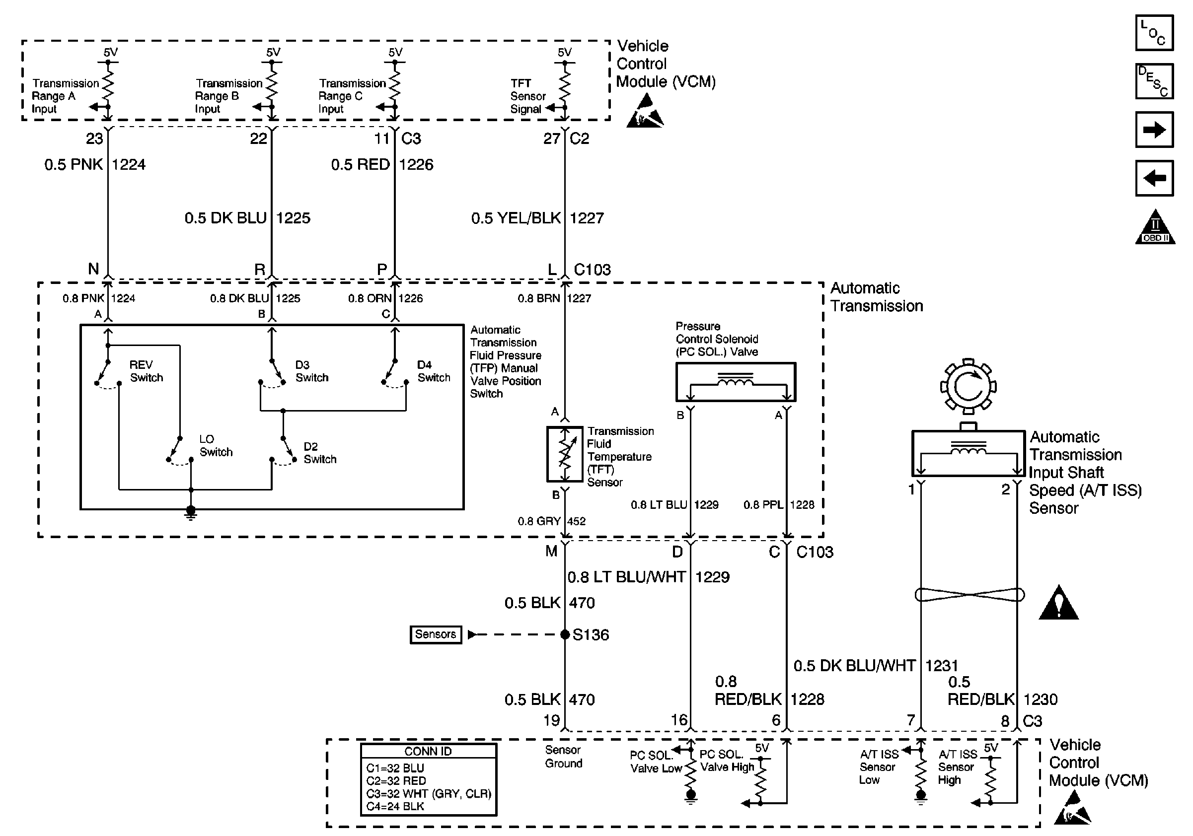
Figure 13:

4L80-E Transmission Solenoid Controls


Object Number: 491365  Size: FS
Engine Controls Components
Vehicle Control Module Description
4L80-E Transmission Switch Controls
4L60-E Transmission Switch Controls
OBD II Symbol Description Notice
IGN A, IGN B Fuses, and Ignition Switch
IGN A, IGN B Fuses, and Ignition Switch
RADIO 1, WIPER, TRANS, and CRANK Fuses
CRUISE, HTR A/C, and BRAKE Fuses
Cruise Control System-Gasoline Engines
ABS System Schematics (IP, VCM, EBCM, and VSS)
Handling ESD Sensitive Parts Notice
Figure 14:

4L80-E Transmission Switch Controls


Object Number: 491367  Size: FS
Engine Controls Components
Vehicle Control Module Description
A/C Controls
4L80-E Transmission Solenoid Controls
OBD II Symbol Description Notice
Sensor Controls: MAP, Fuel Tank Pressure Sensor, IAT, TP Sensor, ECT
Handling ESD Sensitive Parts Notice
Handling ESD Sensitive Parts Notice
Engine Controls Schematic Icons
Figure 15:

A/C Controls


Object Number: 492916  Size: FS
Engine Controls Components
Vehicle Control Module Description
4L80-E Transmission Switch Controls
OBD II Symbol Description Notice
IGN A, IGN B Fuses, and Ignition Switch
IGN A, IGN B Fuses, and Ignition Switch
Battery, Auxiliary Battery, and Underhood Fuse/Relay Center
CRUISE, HTR A/C, and BRAKE Fuses
G103 (4.3L, 5.0L, and 5.7L Engines)
Components through S202 and S205 to G201
G201
Components through S152 to G103 (Gasoline Engines)
Handling ESD Sensitive Parts Notice