GM Service Manual Online
For 1990-2009 cars only

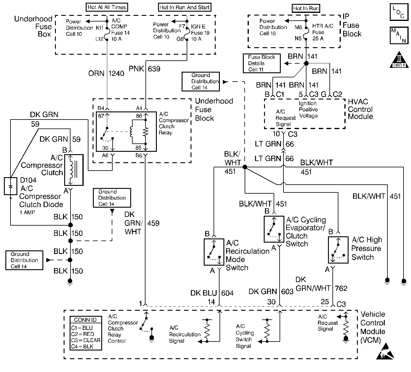
Object Number: 394314  Size: LF
Handling ESD Sensitive Parts Notice
Engine Controls Components
A/C Controls
OBD II Symbol Description Notice

Circuit Description

The vehicle control module (VCM) control of the A/C clutch improves the idle quality and the performance by performing the following functions:

    • Delaying the clutch engagement until the idle speed is increased
    • Releasing the clutch when the idle speed is too low
    • Providing additional fuel the instant the clutch is applied

The additional fuel smooths the cycling of the compressor.

Turning ON the air conditioning supplies battery voltage through the pressure switches to the VCM. When the VCM receives the voltage on the A/C request signal, the A/C enable relay circuit is grounded. The A/C compressor clutch then engages.

Diagnostic Aids

An intermittent may be caused by any of the following conditions:

    • A poor connection
    • Rubbed through wire insulation
    • A broken wire inside the insulation

Thoroughly inspect any circuitry that is suspected of causing the intermittent complaint. Refer to Testing for Intermittent Conditions and Poor Connections in Wiring Systems.

If a repair is necessary, refer to Wiring Repairs or Connector Repairs in Wiring Systems.

Test Description

The numbers below refer to the step numbers on the diagnostic table.

  1. The A/C request signal circuit consists of the HVAC control module, the A/C high pressure cutout switch, and the related wiring.

Step

Action

Values

Yes

No

1

Did you perform the Powertrain On-Board Diagnostic (OBD) System Check?

--

Go to Step 2

Go to Powertrain On Board Diagnostic (OBD) System Check

2

Important:: This diagnostic table assumes the following:

    • The A/C system is adequately charged. Refer to Temperature Actuator Inoperative in HVAC Systems--Manual for refrigerant pressure test procedures.
    • This table only diagnoses the control of the A/C compressor clutch. Refer to HVAC Compressor Clutch Does Not Engage and HVAC Compressor Clutch Does Not Disengage in HVAC Systems--Manual for performance concerns.
    • The A/C compressor has no mechanical failures.
    • The engine coolant temperature is more than 60°C (140°F) but less than 121°C (250°F).
    • The HVAC control module is functioning.
  1. Start and idle the engine.
  2. Turn OFF the HVAC controls.

Is the A/C compressor clutch engaged?

--

Go to Step 4

Go to Step 3

3

  1. Start the engine.
  2. Idle the engine until the normal operating temperature is reached.
  3. Leave the engine at normal idle.
  4. Turn ON the A/C.

Does the A/C clutch engage within the specified time?

60 sec

Go to Diagnostic Aids

Go to Step 7

4

Disconnect the A/C clutch relay from the underhood electrical center.

Does the A/C compressor clutch stay engaged?

--

Go to Step 5

Go to Step 6

5

Check for a short to voltage between the A/C clutch relay and the A/C compressor clutch.

Is the action complete?

--

Go to Step 33

Go to Step 17

6

Probe the A/C clutch relay control circuit at the underhood electrical center using the test lamp connected to B+.

Does the test lamp illuminate?

--

Go to Step 24

Go to Step 29

7

  1. Install the scan tool.
  2. Start the engine
  3. Turn ON the A/C.
  4. Monitor the A/C request in the scan tool data list. The A/C request should display YES.

Does the scan tool indicate a YES?

--

Go to Step 8

Go to Step 18

8

  1. Monitor the A/C evaporator switch with the scan tool.
  2. Turn ON the A/C.

Does the scan tool indicate a CLOSED switch?

--

Go to Step 12

Go to Step 9

9

  1. Disconnect the A/C evaporator cycling cutoff switch harness connector.
  2. Turn ON the ignition, leaving the engine OFF.
  3. Probe pin A of the harness connector with a fused jumper connected to a ground.

Does the scan tool indicate a CLOSED switch?

--

Go to Step 10

Go to Step 31

10

Probe pin B of the harness connector with a test lamp connected to B+.

Is the test lamp ON?

--

Go to Step 11

Go to Step 33

11

Replace the A/C high pressure cutoff switch. Refer to Air Conditioning (A/C) High Pressure Cut-Out Switch Replacement in Heating, Ventilation, and Air Conditioning.

Is the action complete?

--

Go to Step 35

--

12

  1. Turn OFF the engine.
  2. Disconnect the A/C compressor clutch harness connector.
  3. Start the engine.
  4. Caution: Avoid contact with moving parts and hot surfaces while working around a running engine in order to prevent physical injury.

  5. Turn ON the A/C.
  6. Probe the A/C clutch signal circuit at the A/C compressor clutch harness connector with a test lamp connected to a ground.

Is the test lamp ON?

--

Go to Step 13

Go to Step 20

13

Probe the A/C clutch ground circuit at the A/C clutch harness connector with a test lamp connected to B+.

Is the test lamp ON?

--

Go to Step 15

Go to Step 14

14

Repair the A/C clutch ground circuit. Refer to Wiring Repairs in Wiring Systems.

Is the action complete?

--

Go to Step 35

--

15

Inspect for a faulty connection at the compressor clutch harness connector.

Did you find a problem?

--

Go to Step 16

Go to Step 17

16

Repair the A/C compressor clutch harness connector. Refer to Wiring Repairs in Wiring Systems.

Is the action complete?

--

Go to Step 35

--

17

Replace the A/C compressor clutch. Refer to Compressor Clutch Plate/Hub Assembly Replacement in Heating, Ventilation, and Air Conditioning.

Is the action complete?

--

Go to Step 35

--

18

  1. Turn OFF the ignition.
  2. Disconnect the VCM C3 connector.
  3. Turn ON the ignition, leaving the engine OFF.
  4. Turn ON the A/C.
  5. Probe the VCM C3 connector pin 25 with a test lamp connected to a ground.

Is the test lamp ON?

--

Go to Step 32

Go to Step 19

19

Inspect for an open in the A/C request signal circuit between the HVAC control module and the VCM.

Did you find a problem?

--

Go to Step 33

Go to CCOT Air Conditioning (A/C) System Diagnosis in Heating, Ventilation, and Air Conditioning.

20

  1. Reconnect the A/C clutch harness connector.
  2. Install the scan tool.
  3. Turn ON the ignition, leaving the engine OFF.
  4. Use the scan tool in order to command ON the A/C relay.

Does the A/C relay click?

--

Go to Step 26

Go to Step 21

21

  1. Disconnect the A/C relay.
  2. Turn ON the ignition, leaving the engine OFF.
  3. Use a test lamp connected to a ground in order to probe the ignition positive voltage circuit at the A/C relay harness connector.

Is the test lamp on?

--

Go to Step 23

Go to Step 22

22

  1. Repair the open in the A/C relay ignition positive voltage circuit.
  2. If the fuse is blown, repair the short to ground on the circuit. A blown fuse or a lack of voltage to the fuse may cause other symptoms or DTCs to be present. Refer to Wiring Repairs in Wiring Systems.

Is the action complete?

--

Go to Step 35

--

23

  1. Use a or with a test lamp connected to B+ in order to probe the A/C relay control circuit at the A/C relay harness connector.
  2. Use the scan tool in order to command ON the A/C relay.

Is the test lamp ON?

--

Go to Step 29

Go to Step 24

24

Inspect for an open, a short to voltage, or a short to ground in the circuit between the UBEC A/C relay control terminal cavity and the VCM C3 connector pin 1.

Did you find a problem?

--

Go to Step 25

Go to Step 32

25

Repair the circuit between the UBEC A/C relay control terminal cavity and the VCM C3 connector pin 1. Refer to Wiring Repairs in Wiring Systems.

Is the action complete?

--

Go to Step 35

--

26

  1. Remove the A/C relay.
  2. Use a test lamp connected to a ground in order to probe the battery positive voltage circuit at the A/C relay connector.

Is the test lamp ON?

--

Go to Step 28

Go to Step 27

27

  1. Repair the open in the A/C relay battery positive voltage feed circuit.
  2. If the fuse is blown, repair the short to ground on the circuit. A blown fuse or a lack of voltage to the fuse may cause other symptoms or DTCs to be present. Refer to Wiring Repairs in Wiring Systems.

Is the action complete?

--

Go to Step 35

--

28

  1. Turn ON the ignition, leaving the engine OFF.
  2. Use a fused jumper in order to jumper the battery positive voltage circuit and compressor clutch circuit 59 at the relay connector.

Does the A/C clutch engage?

--

Go to Step 29

Go to Step 30

29

Replace the A/C relay.

Is the action complete?

--

Go to Step 35

--

30

Repair the open or the short to ground in the compressor clutch control circuit. Refer to Wiring Repairs in Wiring Systems.

Is the action complete?

--

Go to Step 35

--

31

Inspect for an open in the A/C cycling signal circuit.

Did you find a problem?

--

Go to Step 33

Go to Step 32

32

Inspect for a faulty connection at the VCM.

Did you find a problem?

--

Go to Step 33

Go to Step 34

33

Repair the circuit as necessary. Refer to Wiring Repairs in Wiring Systems.

Is the action complete?

--

Go to Step 35

--

34

Important: The replacement VCM must be programmed.

Replace the VCM. Refer to VCM Replacement/Programming .

Is the action complete?

--

Go to Step 35

--

35

  1. Start the engine.
  2. Idle the engine until the normal operating temperature is reached.
  3. Leave the engine at normal idle.
  4. Turn ON the A/C.

Does the A/C clutch engage within the specified time?

60 sec

Go to Step 36

Go to Step 2

36

Select Capture Info, then select the Review Info function on the scan tool.

Are any DTCs displayed that have not been diagnosed?

--

Go to the applicable DTC table

System OK