GM Service Manual Online
For 1990-2009 cars only

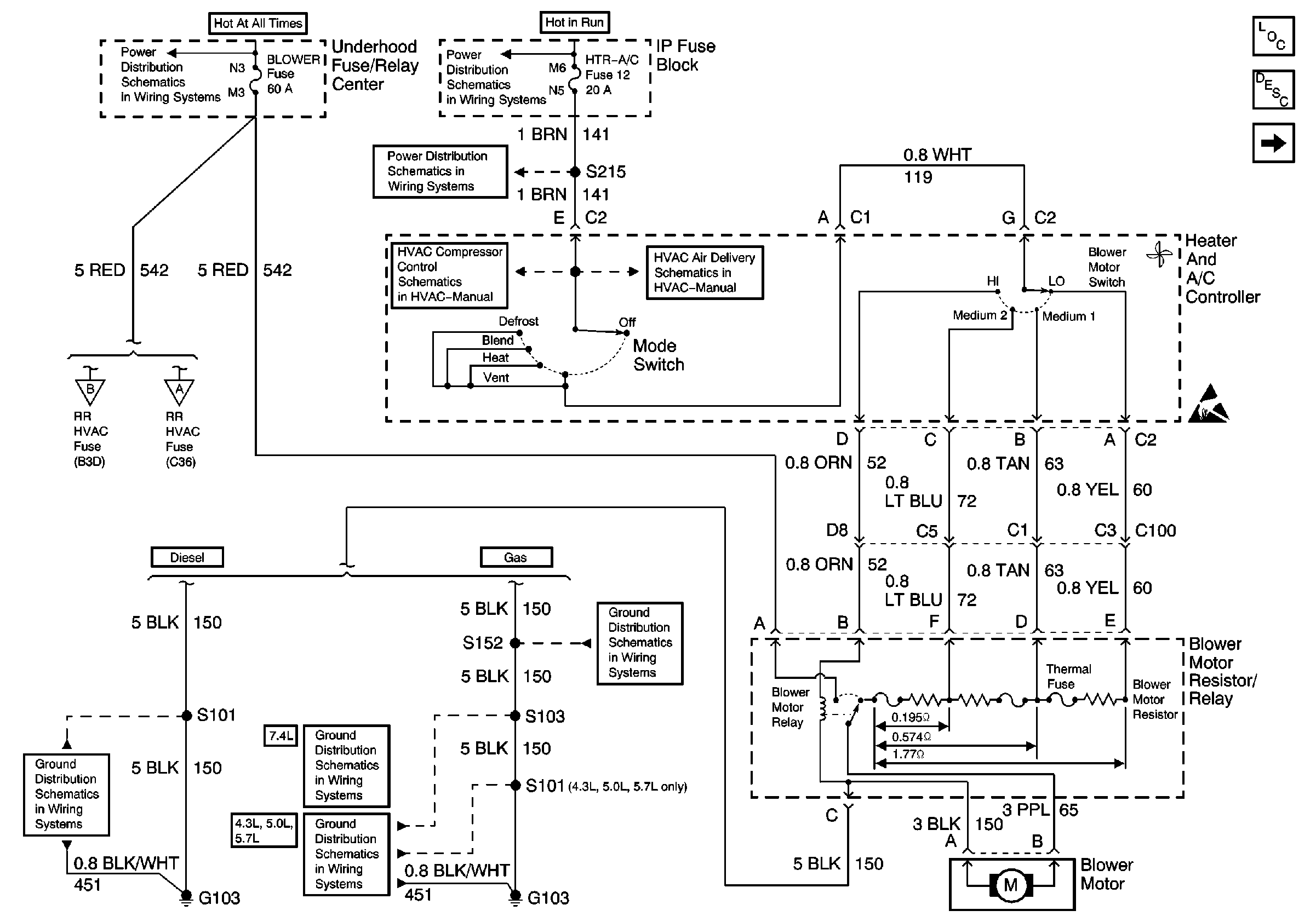
HVAC Blower Control Schematics with B3D, C36 and C42

Figure 1:

BLOWER and HTR-A/C Fuses, Heater and A/C Controller, Blower Motor, G103


Object Number: 571303  Size: FS
HVAC Components
HVAC Blower Controls Circuit Description
RR BLOWER and RR HVAC Fuses, Auxiliary Blower Motor, G400
IGN A, IGN B Fuses, and Ignition Switch
Battery, Auxiliary Battery, and Underhood Fuse/Relay Center
RR BLOWER and RR HVAC Fuses, Auxiliary Blower Motor, G400
RR BLOWER and RR HVAC Fuses, Auxiliary Blower Motor, G301, School Bus(B3D)
HTR-A/C Fuse, Front Heater and A/C Controller, G201
G103 (7.4L Engine)
G103 (4.3L, 5.0L, and 5.7L Engines)
CRUISE, HTR A/C, and BRAKE Fuses
HTR-A/C Fuse, A/C Compressor High Pressure Cutoff Switch, A/C COMPRESsOr Low Pressure Cutout Switch (Diesel), G201
Components through S152 to G103 (Gasoline Engines)
G103 (6.5L Engine)
Handling ESD Sensitive Parts Notice
Figure 2:

RR BLOWER and RR HVAC Fuses, Auxiliary Blower Motor, G400


Object Number: 571306  Size: FS
HVAC Components
HVAC Blower Controls Circuit Description
RR BLOWER and RR HVAC Fuses, Auxiliary Blower Motor, G301, School Bus(B3D)
BLOWER and HTR-A/C Fuses, Heater and A/C Controller, Blower Motor,G103
BLOWER and HTR-A/C Fuses, Heater and A/C Controller, Blower Motor,G103
IGN A, IGN B Fuses, and Ignition Switch
ILLUM and PARK LPS Fuses
G400
Figure 3:

RR BLOWER and RR HVAC Fuses, Auxiliary Blower Motor, G301, School Bus (B3D)


Object Number: 571308  Size: FS
HVAC Components
HVAC Blower Controls Circuit Description
RR BLOWER and RR HVAC Fuses, Auxiliary Blower Motor, G400
BLOWER and HTR-A/C Fuses, Heater and A/C Controller, Blower Motor,G103
IGN A, IGN B Fuses, and Ignition Switch
ILLUM and PARK LPS Fuses
G202 and G301

HVAC Blower Control Schematics with C60 and C69

Figure 1:

BLOWER and HTR-A/C Fuses, Blower Controls, Blower Motor, G103


Object Number: 571318  Size: FS
HVAC Components
HVAC Blower Controls Circuit Description
Front and Rear Auxiliary HVAC Control Modules (Passenger)
Battery, Auxiliary Battery, and Underhood Fuse/Relay Center
IGN A, IGN B Fuses, and Ignition Switch
CRUISE, HTR A/C, and BRAKE Fuses
HTR-A/C Fuse, Front Heater and A/C Controller, G201
RR BLOWER and RR HVAC Fuses, Auxiliary Blower Motor, G400
HTR-A/C Fuse, A/C Compressor High Pressure Cutoff Switch, A/C COMPRESsOr Low Pressure Cutout Switch (Diesel), G201
Components through S152 to G103 (Gasoline Engines)
Handling ESD Sensitive Parts Notice
G103 (6.5L Engine)
G103 (7.4L Engine)
G103 (4.3L, 5.0L, and 5.7L Engines)
Figure 2:

Front and Rear Auxiliary HVAC Control Modules (Passenger)


Object Number: 571320  Size: FS
HVAC Components
HVAC Blower Controls Circuit Description
Front Auxiliary HVAC Control Module (Cargo)
BLOWER and HTR-A/C Fuses, Blower Controls, Blower Motor, G103
RR BLOWER and RR HVAC Fuses, Auxiliary Blower Motor, G400
RR BLOWER and RR HVAC Fuses, Auxiliary Blower Motor, G400
RR BLOWER and RR HVAC Fuses, Auxiliary Blower Motor, G400
RR BLOWER and RR HVAC Fuses, Auxiliary Blower Motor, G400
ILLUM and PARK LPS Fuses
ILLUM and PARK LPS Fuses
HTR-A/C Fuse, Front Heater and A/C Controller, G201
Handling ESD Sensitive Parts Notice
G400
HTR-A/C Fuse, Front Heater and A/C Controller, G201
Handling ESD Sensitive Parts Notice
Handling ESD Sensitive Parts Notice
Figure 3:

Front Auxiliary HVAC Control Module (Cargo)


Object Number: 571325  Size: FS
HVAC Components
HVAC Blower Controls Circuit Description
RR BLOWER and RR HVAC Fuses, Auxiliary Blower Motor, G400
Front and Rear Auxiliary HVAC Control Modules (Passenger)
ILLUM and PARK LPS Fuses
Handling ESD Sensitive Parts Notice
G400
RR BLOWER and RR HVAC Fuses, Auxiliary Blower Motor, G400
RR BLOWER and RR HVAC Fuses, Auxiliary Blower Motor, G400
RR BLOWER and RR HVAC Fuses, Auxiliary Blower Motor, G400
RR BLOWER and RR HVAC Fuses, Auxiliary Blower Motor, G400
Figure 4:

RR BLOWER and RR HVAC Fuses, Auxiliary Blower Motor, G400


Object Number: 571328  Size: FS
HVAC Components
HVAC Blower Controls Circuit Description
Front Auxiliary HVAC Control Module (Cargo)
BLOWER and HTR-A/C Fuses, Blower Controls, Blower Motor, G103
IGN A, IGN B Fuses, and Ignition Switch
RR HVAC Fuse
RR HVAC Fuse
Front and Rear Auxiliary HVAC Control Modules (Passenger)
Front Auxiliary HVAC Control Module (Cargo)
Front and Rear Auxiliary HVAC Control Modules (Passenger)
Front Auxiliary HVAC Control Module (Cargo)
Front and Rear Auxiliary HVAC Control Modules (Passenger)
Front Auxiliary HVAC Control Module (Cargo)
Front and Rear Auxiliary HVAC Control Modules (Passenger)
Front Auxiliary HVAC Control Module (Cargo)
G400
G400