GM Service Manual Online
For 1990-2009 cars only
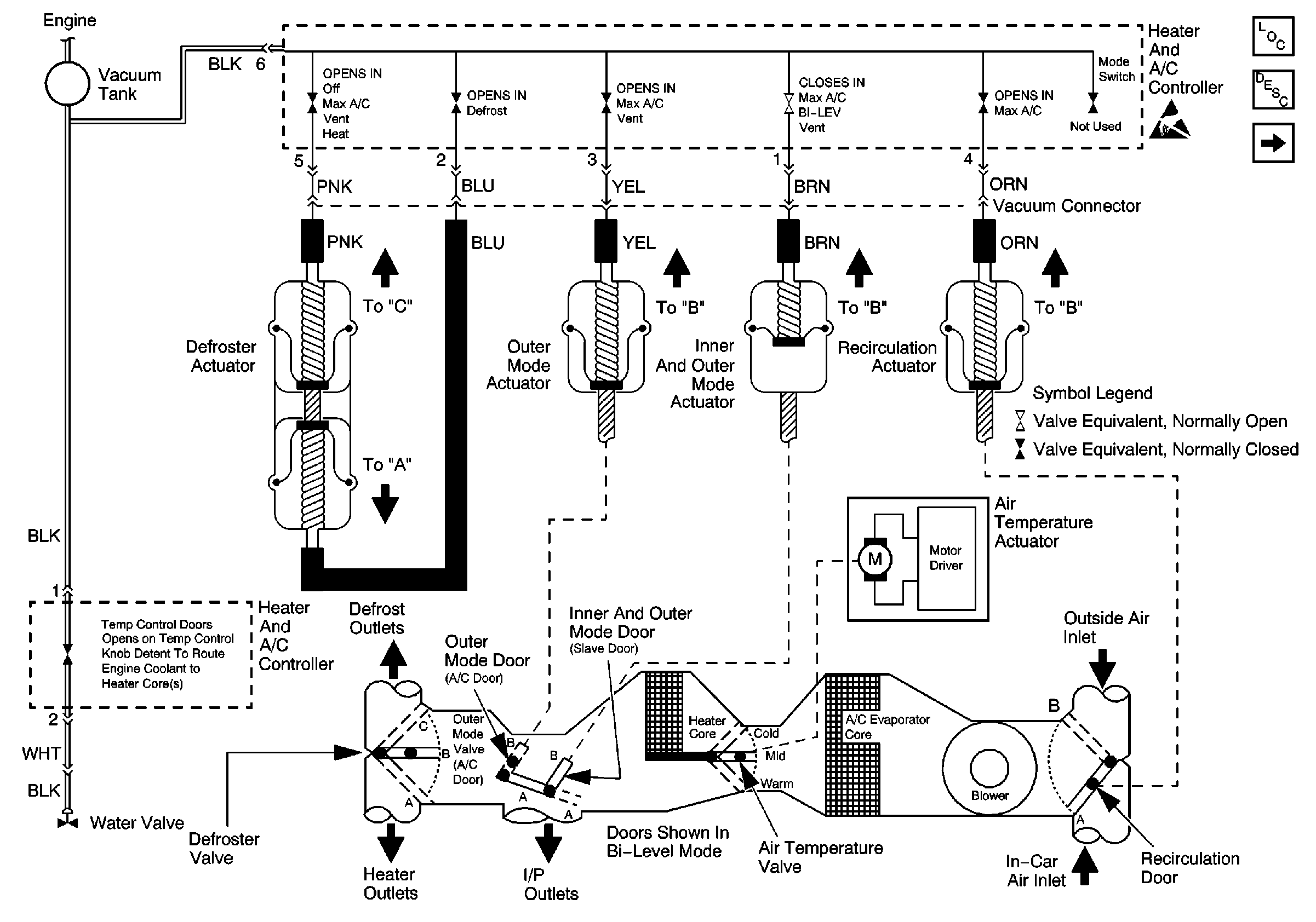
Figure 1:

AIR Delivery and Vacuum System


Object Number: 388084  Size: FS
HVAC Components
HVAC Air Delivery/Temperature Control Circuit Description
HTR-A/C Fuse, Front Heater and A/C Controller, G201
Handling ESD Sensitive Parts Notice
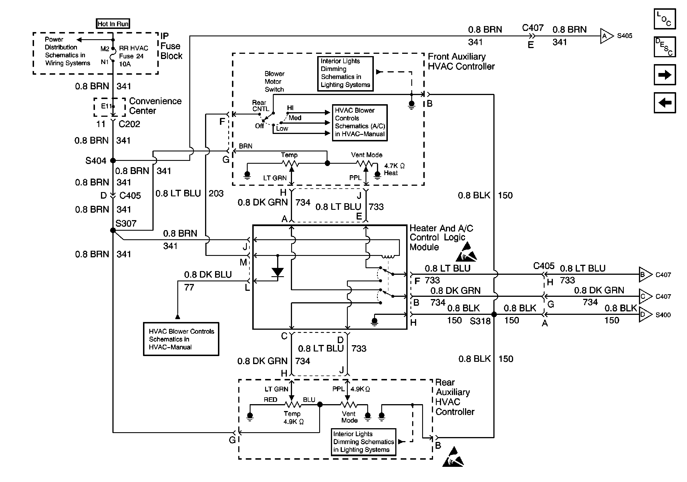
Figure 2:

HTR-A/C Fuse, Front Heater and A/C Controller, G201


Object Number: 571340  Size: FS
HVAC Components
HVAC Air Delivery/Temperature Control Circuit Description
RR HVAC Fuse, Front and Rear Auxiliary HVAC Control Modules, Heater and A/C Control Logic Module
AIR Delivery and Vacuum System
IGN A, IGN B Fuses, and Ignition Switch
CRUISE, HTR A/C, and BRAKE Fuses
BLOWER and HTR-A/C Fuses, Heater and A/C Controller, Blower Motor,G103
BLOWER and HTR-A/C Fuses, Blower Controls, Blower Motor, G103
HTR-A/C Fuse, A/C Compressor High Pressure Cutoff Switch, A/C COMPRESsOr Low Pressure Cutout Switch (Diesel), G201
Handling ESD Sensitive Parts Notice
Components through S202 and S205 to G201
G201
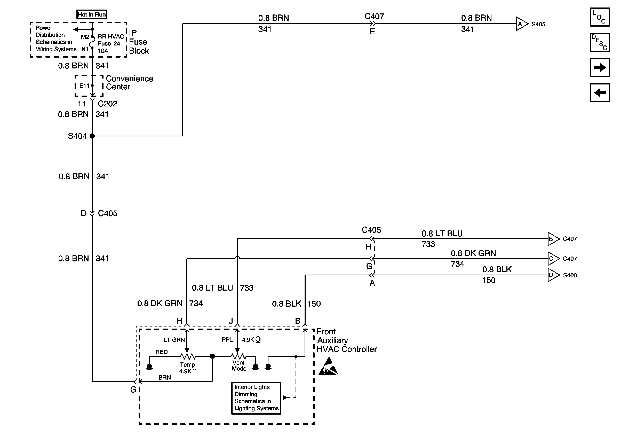
Figure 3:

RR HVAC Fuse, Front and Rear Auxiliary HVAC Control Modules, Heater and A/C Control Logic Module


Object Number: 571343  Size: FS
HVAC Components
HVAC Air Delivery/Temperature Control Circuit Description
RR HVAC Fuse, Front Auxiliary HVAC Control Module
HTR-A/C Fuse, Front Heater and A/C Controller, G201
IGN A, IGN B Fuses, and Ignition Switch
Front and Rear Auxiliary HVAC Control Modules (Passenger)
ILLUM and PARK LPS Fuses
Front and Rear Auxiliary HVAC Control Modules (Passenger)
Handling ESD Sensitive Parts Notice
Handling ESD Sensitive Parts Notice
Rear Auxiliary Mode Valve and Seal Assembly, Rear Auxiliary Temperature Valve Assembly, G400
Rear Auxiliary Mode Valve and Seal Assembly, Rear Auxiliary Temperature Valve Assembly, G400
Rear Auxiliary Mode Valve and Seal Assembly, Rear Auxiliary Temperature Valve Assembly, G400
Rear Auxiliary Mode Valve and Seal Assembly, Rear Auxiliary Temperature Valve Assembly, G400
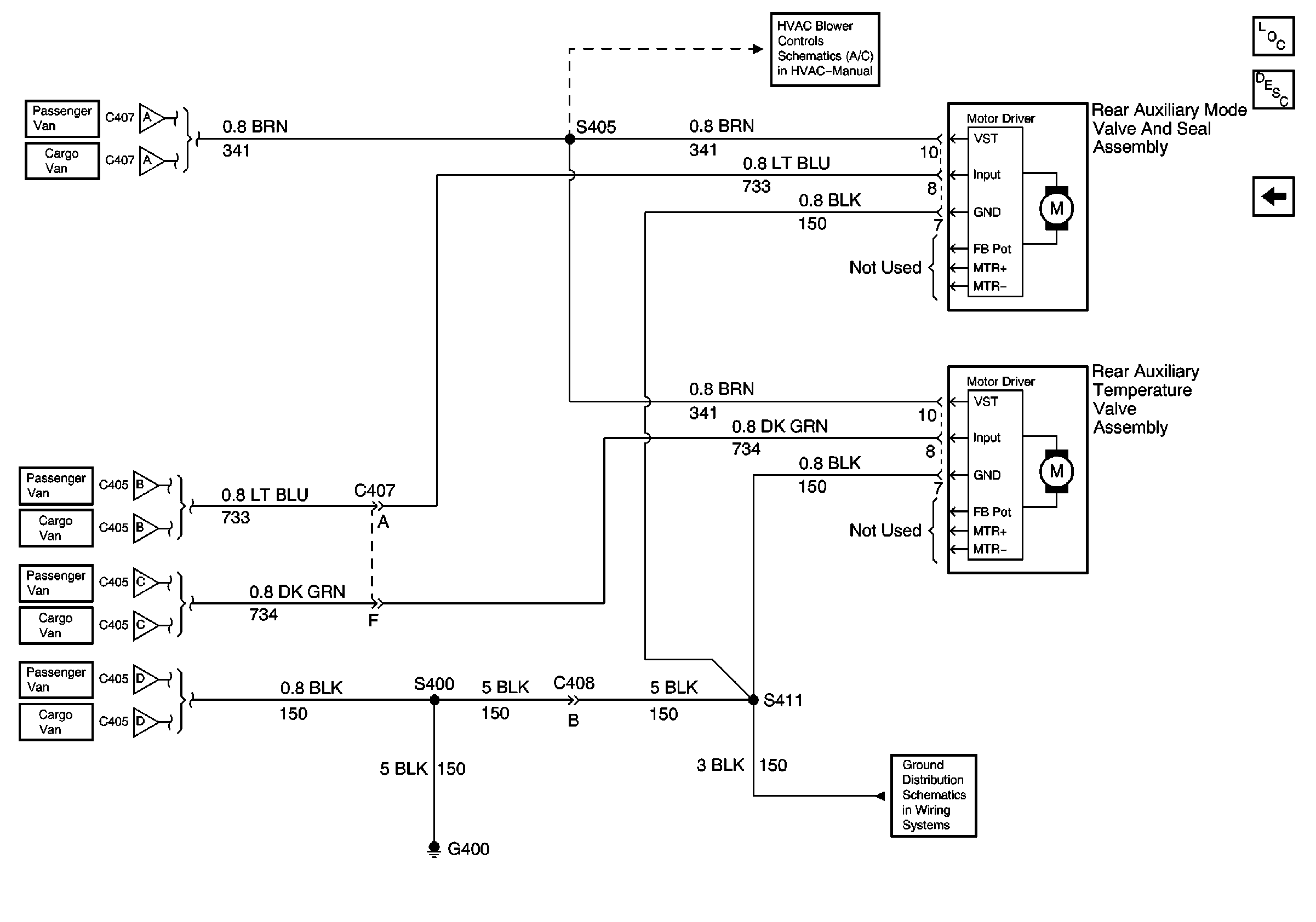
Figure 4:

RR HVAC Fuse, Front Auxiliary HVAC Control Module


Object Number: 571345  Size: FS
HVAC Components
HVAC Air Delivery/Temperature Control Circuit Description
Rear Auxiliary Mode Valve and Seal Assembly, Rear Auxiliary Temperature Valve Assembly, G400
RR HVAC Fuse, Front and Rear Auxiliary HVAC Control Modules, Heater and A/C Control Logic Module
IGN A, IGN B Fuses, and Ignition Switch
ILLUM and PARK LPS Fuses
Handling ESD Sensitive Parts Notice
Rear Auxiliary Mode Valve and Seal Assembly, Rear Auxiliary Temperature Valve Assembly, G400
Rear Auxiliary Mode Valve and Seal Assembly, Rear Auxiliary Temperature Valve Assembly, G400
Rear Auxiliary Mode Valve and Seal Assembly, Rear Auxiliary Temperature Valve Assembly, G400
Rear Auxiliary Mode Valve and Seal Assembly, Rear Auxiliary Temperature Valve Assembly, G400
Figure 5:

Rear Auxiliary Mode Valve and Seal Assembly, Rear Auxiliary Temperature Valve Assembly, G400


Object Number: 571346  Size: FS
HVAC Components
HVAC Air Delivery/Temperature Control Circuit Description
RR HVAC Fuse, Front Auxiliary HVAC Control Module
RR HVAC Fuse, Front and Rear Auxiliary HVAC Control Modules, Heater and A/C Control Logic Module
RR HVAC Fuse, Front Auxiliary HVAC Control Module
RR HVAC Fuse, Front and Rear Auxiliary HVAC Control Modules, Heater and A/C Control Logic Module
RR HVAC Fuse, Front Auxiliary HVAC Control Module
RR HVAC Fuse, Front and Rear Auxiliary HVAC Control Modules, Heater and A/C Control Logic Module
RR HVAC Fuse, Front Auxiliary HVAC Control Module
RR HVAC Fuse, Front and Rear Auxiliary HVAC Control Modules, Heater and A/C Control Logic Module
RR HVAC Fuse, Front Auxiliary HVAC Control Module
G400
RR BLOWER and RR HVAC Fuses, Auxiliary Blower Motor, G400