GM Service Manual Online
For 1990-2009 cars only
Makes
🢒
Chevrolet
🢒
2000
🢒
Express
🢒
Body and Accessories
🢒
Lighting Systems
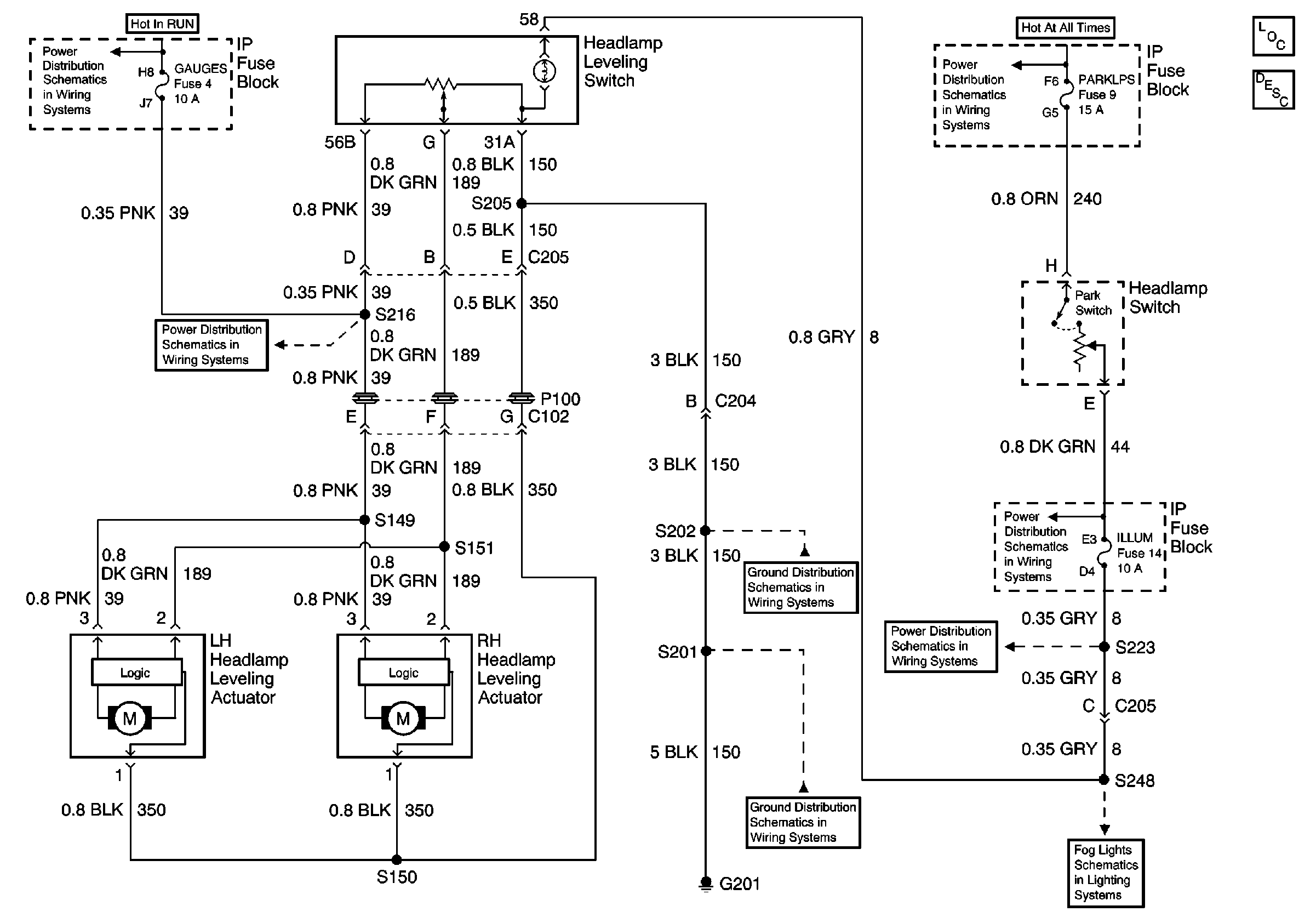
🢒 Headlight Leveling Schematics
Lighting Systems Components
Fog Lights Circuit Description
IGN A, IGN B Fuses, and Ignition Switch
GAUGES Fuse
ILLUM Fuse and Headlamp Switch
ILLUM Fuse and Headlamp Switch
Components through S202 and S205 to G201
G201
Rear Fog Lamp
PARK LPS, SECURITY STRG, and DRL Fuses