GM Service Manual Online
For 1990-2009 cars only
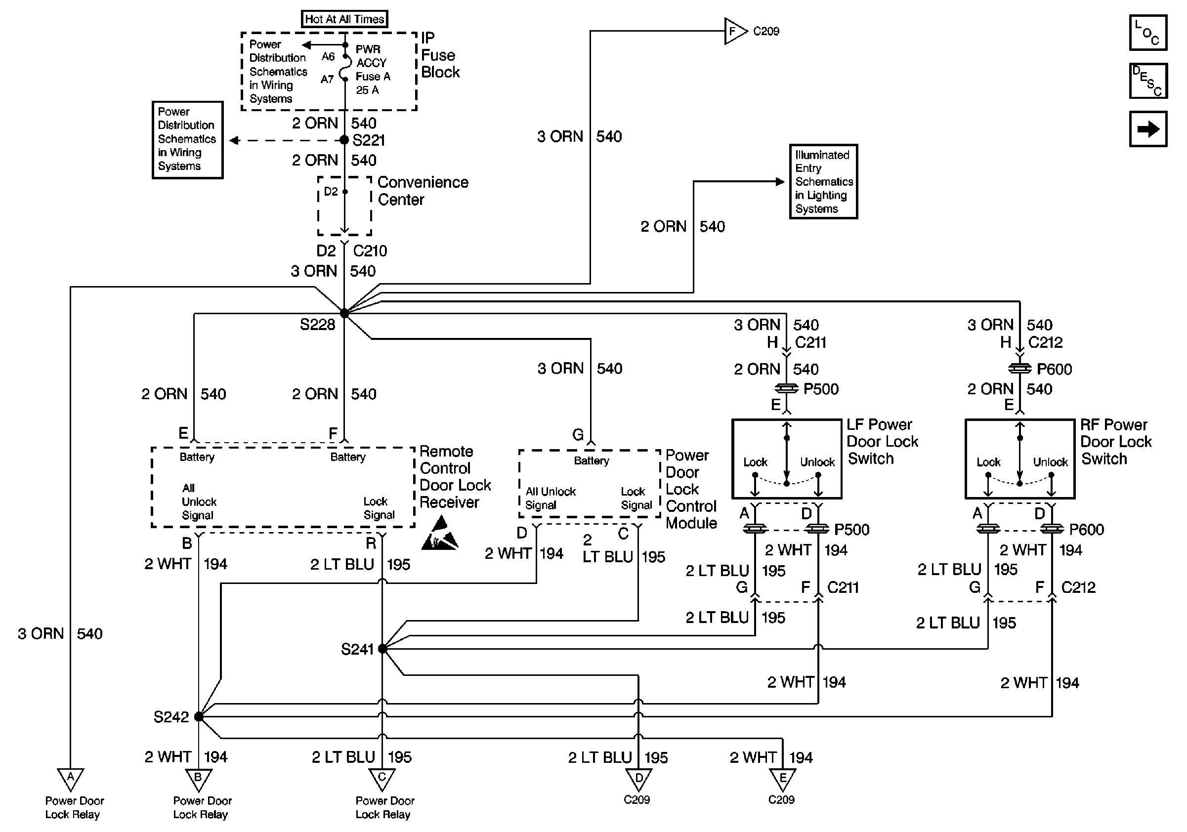
Figure 1:

Keyless Entry: Power Feeds


Object Number: 521742  Size: FS
Keyless Entry Components
Keyless Entry System Circuit Description
Power Door Lock Module & RR Door Lock Switch
PWR ACCY Fuse
PWR ACCY Fuse
Power Door Lock Module & RR Door Lock Switch
PWR ACCY, GAUGES, And PARK LPS Fuses
Handling ESD Sensitive Parts Notice
Power Door Lock Relay & Grounds
Power Door Lock Relay & Grounds
Power Door Lock Relay & Grounds
Power Door Lock Module & RR Door Lock Switch
Power Door Lock Module & RR Door Lock Switch
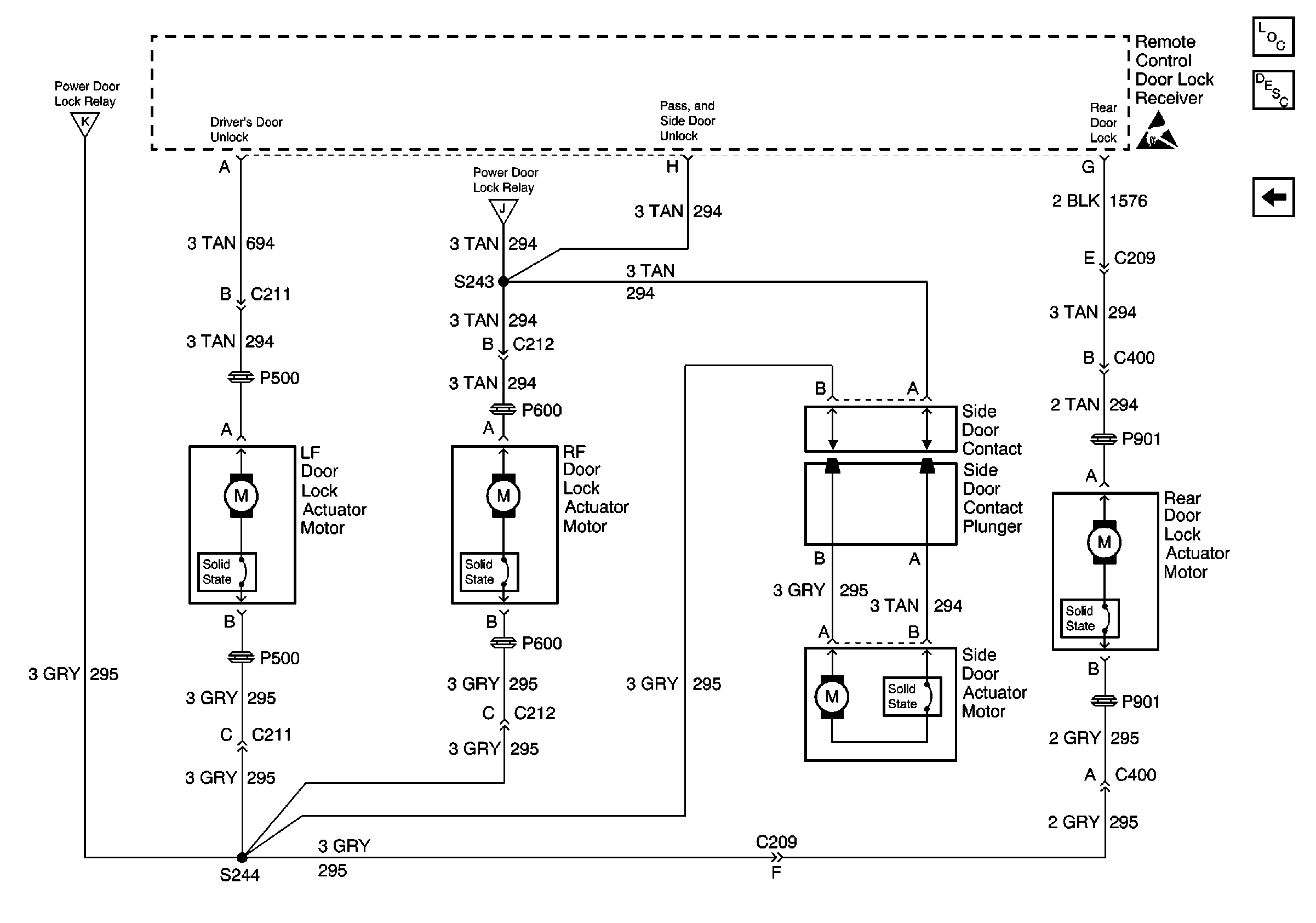
Figure 2:

Power Door Lock Module & RR Door Lock Switch


Object Number: 521743  Size: FS
Keyless Entry Components
Keyless Entry System Circuit Description
Keyless Entry: Power Feeds
Power Door Lock Relay & Grounds
Keyless Entry: Power Feeds
Power Door Lock Relay & Grounds
Power Door Lock Relay & Grounds
Keyless Entry: Power Feeds
Keyless Entry: Power Feeds
Handling ESD Sensitive Parts Notice
Door Jamb Switches
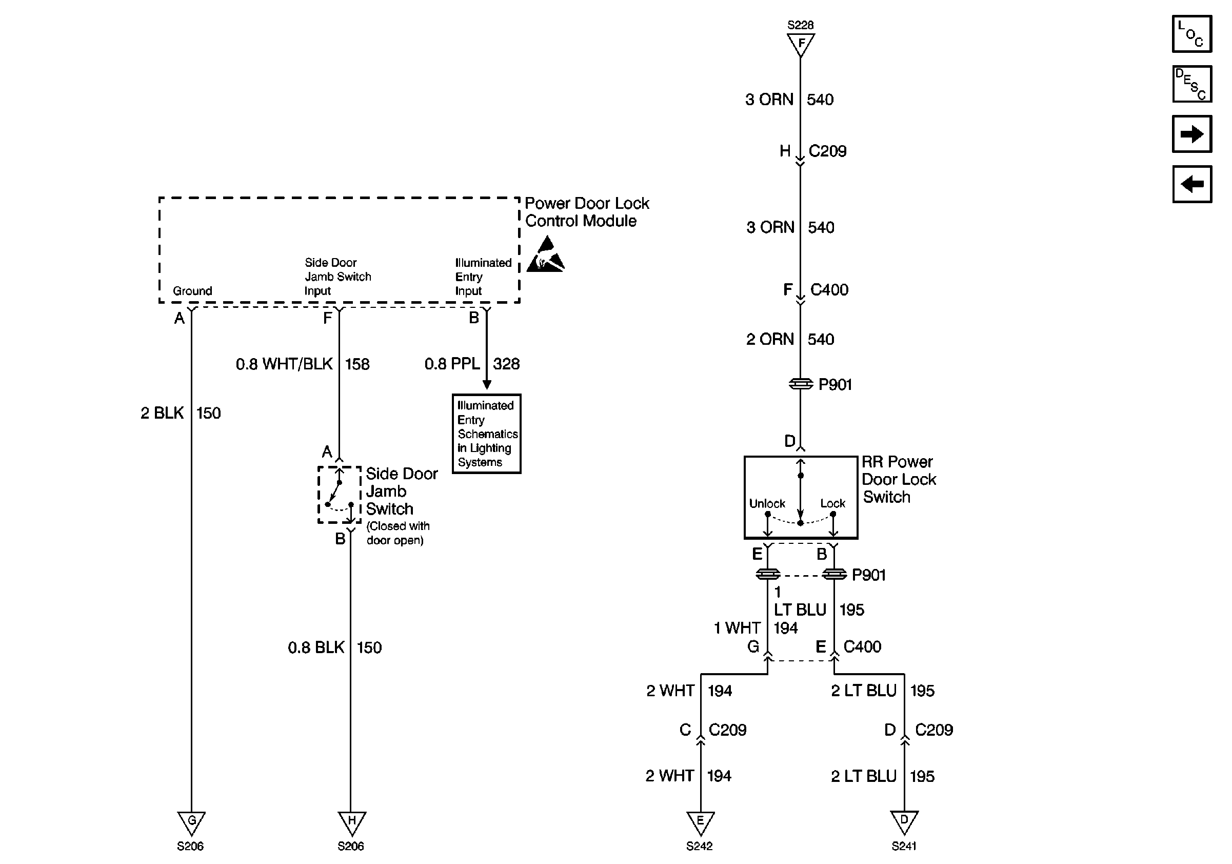
Figure 3:

Power Door Lock Relay & Grounds


Object Number: 521746  Size: FS
Keyless Entry Components
Keyless Entry System Circuit Description
Power Door Lock Module & RR Door Lock Switch
Door Lock Actuators
CTSY Fuse
GAUGES Fuse
Power Door Lock Module & RR Door Lock Switch
Power Door Lock Module & RR Door Lock Switch
Keyless Entry: Power Feeds
Handling ESD Sensitive Parts Notice
Handling ESD Sensitive Parts Notice
G201
Keyless Entry: Power Feeds
Keyless Entry: Power Feeds
Door Lock Actuators
Door Lock Actuators
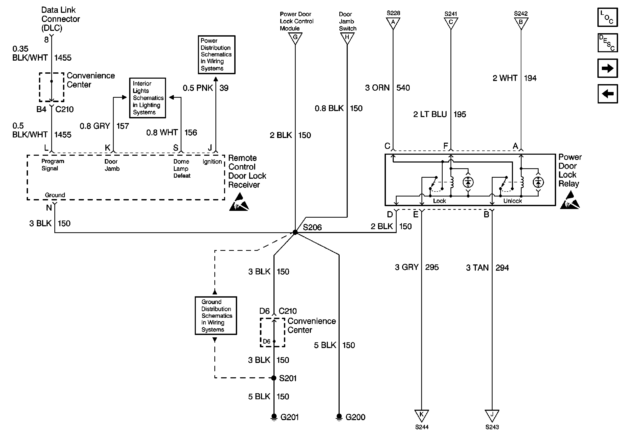
Figure 4:

Door Lock Actuators


Object Number: 521747  Size: FS
Keyless Entry Components
Keyless Entry System Circuit Description
Power Door Lock Relay & Grounds
Handling ESD Sensitive Parts Notice
Power Door Lock Relay & Grounds
Power Door Lock Relay & Grounds