GM Service Manual Online
For 1990-2009 cars only
Makes
🢒
Chevrolet
🢒
2000
🢒
Express
🢒
Body and Accessories
🢒
Doors
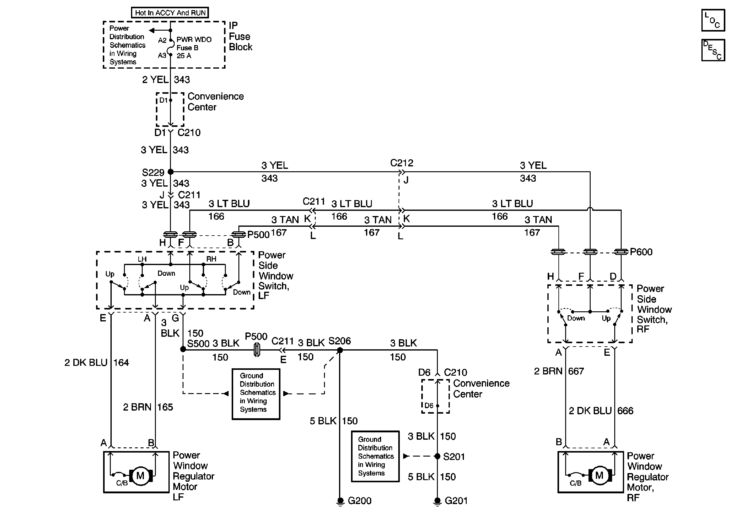
🢒 Power Window Schematics
Power Door Systems Components
Power Windows Circuit Description
PWR WDO, HTD MIR, RR DEFOG, and HAZARD Fuses
G200
G201