GM Service Manual Online
For 1990-2009 cars only
Figure 1:

CTSY Fuse, G200, G201


Object Number: 521754  Size: FS
Power Door Systems Components
Power Windows Circuit Description
Power Mirror Switch and Motors
CTSY, AIR BAGS, and TURN B/U Fuses
CTSY Fuse
LIGHTING and BATT Fuses
G200
G201
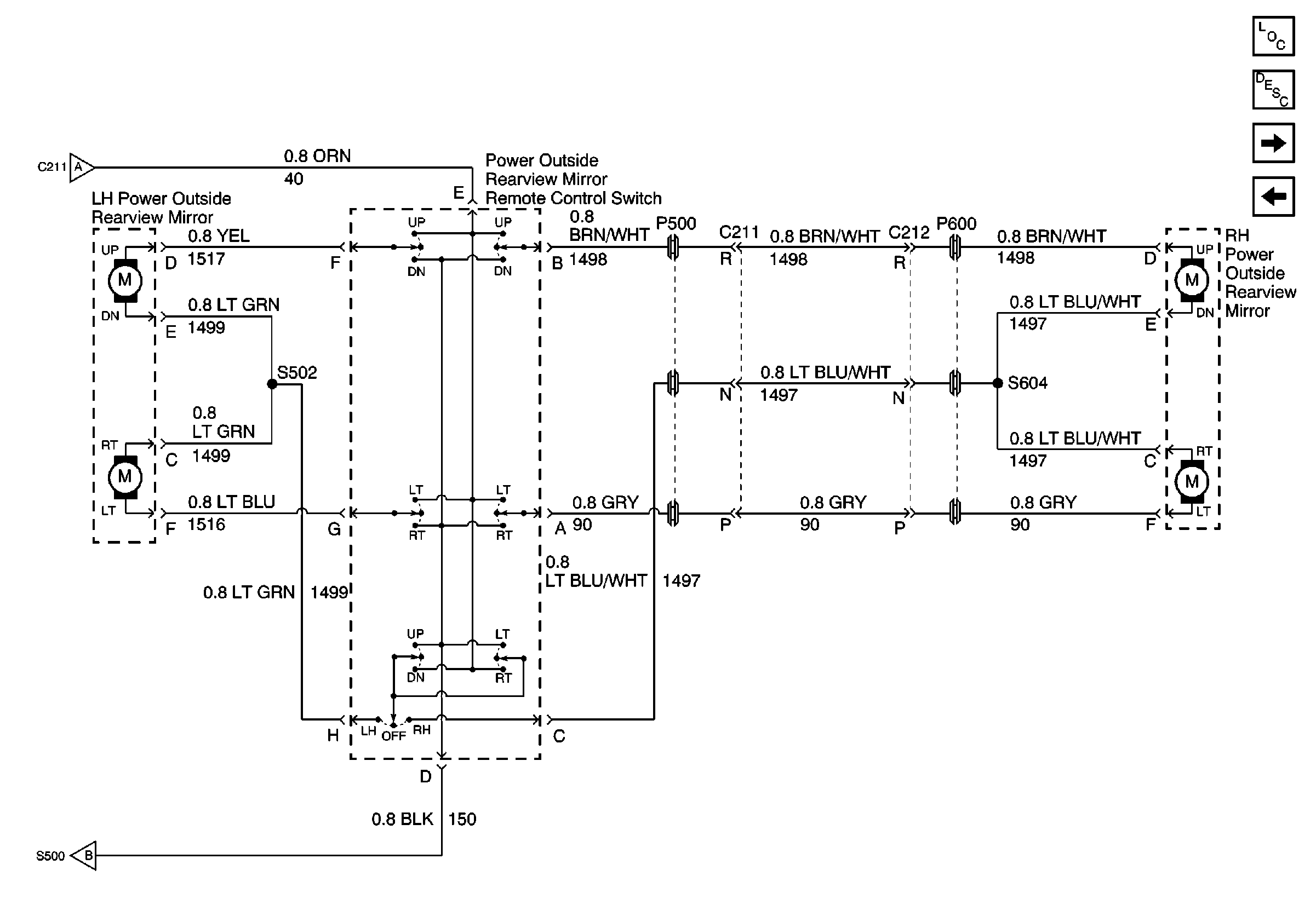
Power Mirror Switch and Motors
Power Mirror Switch and Motors
Figure 2:

Power Mirror Switch and Motors


Object Number: 521756  Size: FS
Power Door Systems Components
Power Windows Circuit Description
Heated Outside Mirrors
CTSY Fuse, G200, G201
CTSY Fuse, G200, G201
CTSY Fuse, G200, G201
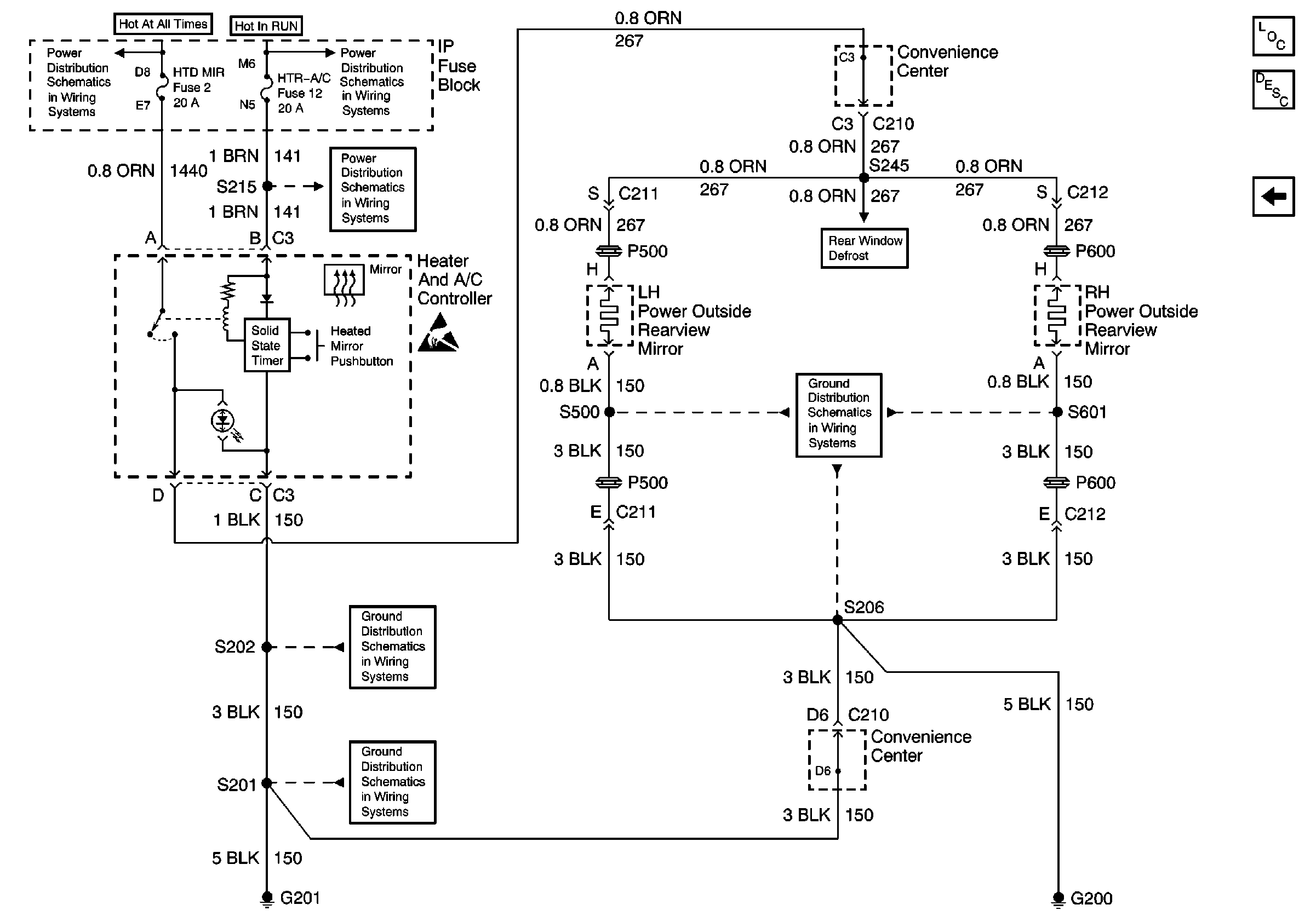
Figure 3:

Heated Outside Mirrors


Object Number: 521753  Size: FS
Power Door Systems Components
Heated Mirror Circuit Description
Power Mirror Switch and Motors
Handling ESD Sensitive Parts Notice
CRUISE, HTR A/C, and BRAKE Fuses
IGN A, IGN B Fuses, and Ignition Switch
LIGHTING and BATT Fuses
G200
Components through S202 and S205 to G201
G201
Rear Window Defogger Relay