GM Service Manual Online
For 1990-2009 cars only
Makes
🢒
Chevrolet
🢒
2000
🢒
Express
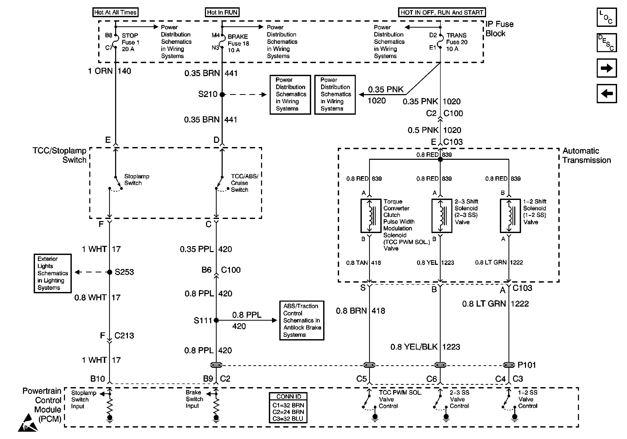
🢒 4L80-E Solenoid Controls
4L80-E Solenoid Controls
4L80-E Solenoid Controls
Engine Controls Components
Powertrain Control Module Description
4L80-E Switch and ISS Controls
VSS Controls
LIGHTING and BATT Fuses
IGN A, IGN B Fuses, and Ignition Switch
IGN A, IGN B Fuses, and Ignition Switch
CRUISE, HTR A/C, and BRAKE Fuses
RADIO 1, WIPER, TRANS, and CRANK Fuses
ABS System Schematics (IP, VCM, EBCM, and VSS)
Handling ESD Sensitive Parts Notice
PARK LPS, TURN B/U, HAZARD, STOP Fuses