GM Service Manual Online
For 1990-2009 cars only
Makes
🢒
Chevrolet
🢒
2000
🢒
Express
🢒 Fuel Pump and Sender, Fuel Pump Relay, VCM
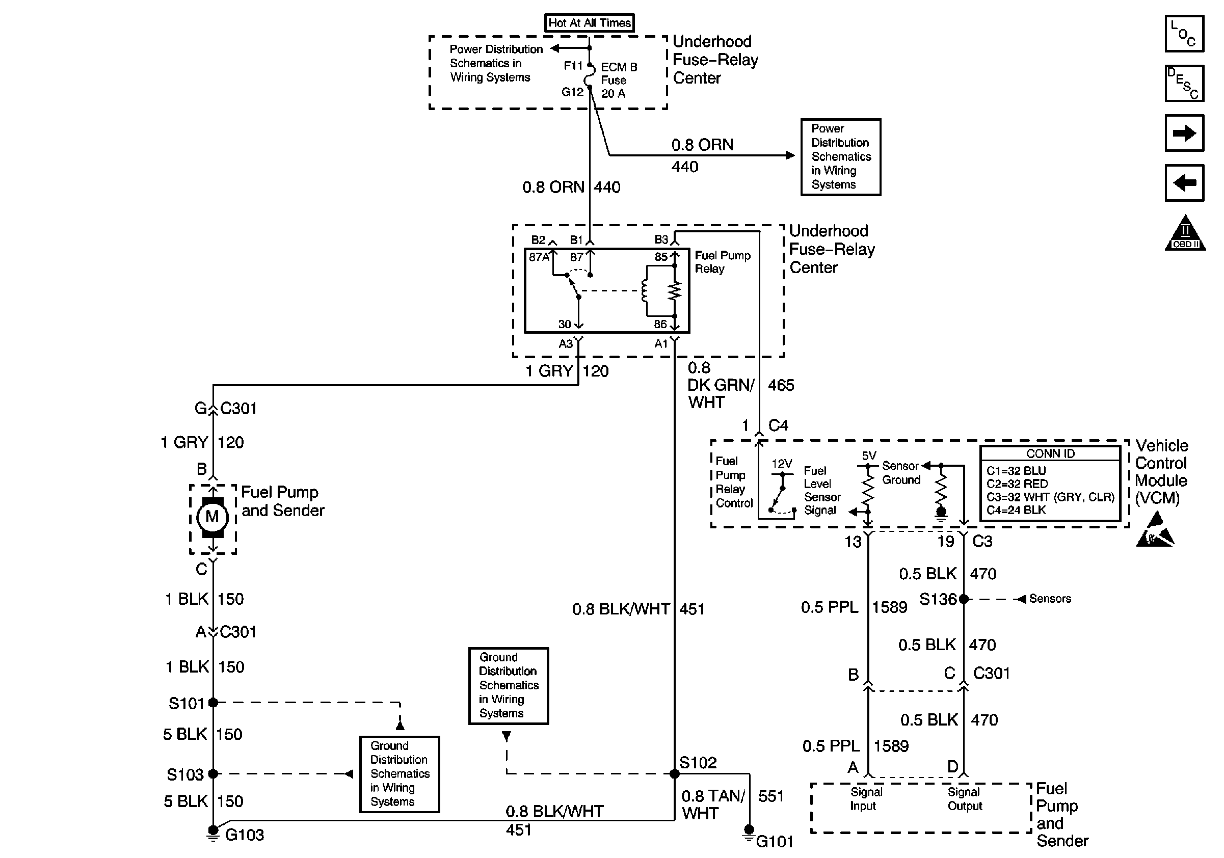
Fuel Pump and Sender, Fuel Pump Relay, VCM
Fuel Pump and Sender, Fuel Pump Relay, VCM
Engine Controls Components
Vehicle Control Module Description
Fuel Injector Controls
CKP, CMP, ICM, Ignition Coil, VCM, Knock Sensors
OBD II Symbol Description Notice
Battery, Auxiliary Battery, and Underhood Fuse/Relay Center
ECM B, HORN, and A/C Fuses
G103 (7.4L Engine)
G101 (Gasoline Engines)
Sensor Controls: MAP, Fuel Tank Pressure Sensor, IAT, TP Sensor, ECT
Handling ESD Sensitive Parts Notice