GM Service Manual Online
For 1990-2009 cars only
Makes
🢒
Chevrolet
🢒
2000
🢒
Express
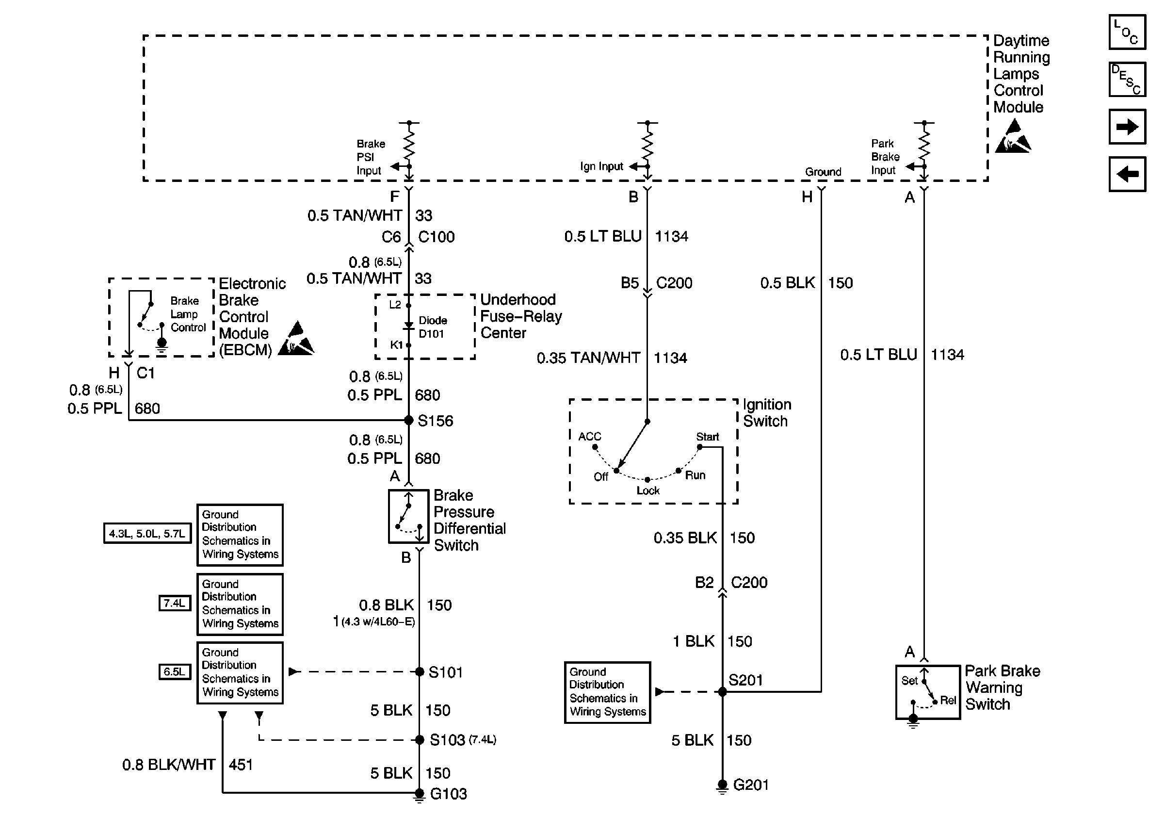
🢒 PWR, GND and DRL Module
PWR, GND and DRL Module
PWR, GND and DRL Module
Hydraulic Brakes Components
Brake Warning System Description
G103 (4.3L, 5.0L, and 5.7L Engines)
G103 (7.4L Engine)
G103 (6.5L Engine)
Handling ESD Sensitive Parts Notice
Handling ESD Sensitive Parts Notice
G201