GM Service Manual Online
For 1990-2009 cars only
Makes
🢒
Chevrolet
🢒
2000
🢒
Express
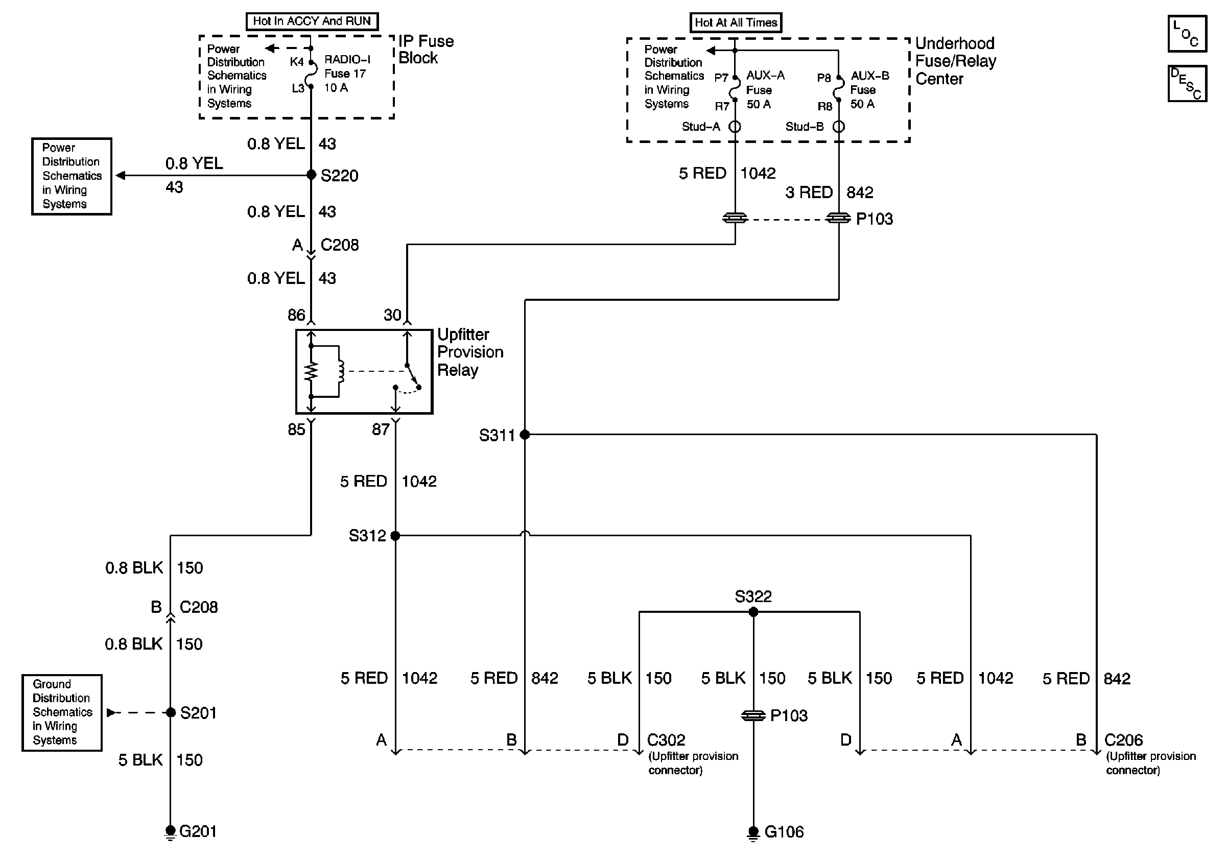
🢒 RADIO-I, AUX-A, and AUX-B Fuses, Upfitter Provision Relay, G201, andG106
RADIO-I, AUX-A, and AUX-B Fuses, Upfitter Provision Relay, G201, andG106
RADIO-I, AUX-A, and AUX-B Fuses, Upfitter Provision Relay, G201, and G106
Power and Grounding Components
Upfitter Provision Circuit Description
IGN A, IGN B Fuses, and Ignition Switch
Battery, Auxiliary Battery, and Underhood Fuse/Relay Center
RADIO 1, WIPER, TRANS, and CRANK Fuses
G201