 
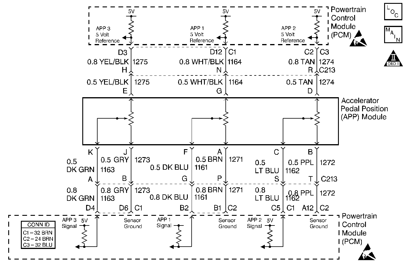
The accelerator pedal position (APP) module provides a voltage signal that changes relative to the accelerator pedal position. There are 3 sensors which are located within the APP module that are scaled differently.
The ignition is ON.
| • | The reference voltage on the APP 3 is less than 4.8 volts. | 
| • | The condition was met for 2 seconds. | 
| • | The service throttle soon lamp will not illuminate when one APP DTC sets. The PCM will only illuminate the service throttle soon lamp when multiple APP DTCs set. | 
| • | The powertrain control module (PCM) records the operating conditions at the time the diagnostic fails. This information is stored in the Failure Records. | 
| • | A History DTC clears after 40 consecutive warm-up cycles, if this or any other emission related diagnostic does not report any failures. | 
| • | Use a scan tool in order to clear the DTCs. | 
An intermittent may be caused by:
| • | Faulty connections | 
| • | Rubbed-through wire insulation | 
| • | A broken wire inside the insulation | 
All of the 5 -volt reference circuits must be checked for proper reference voltage. Voltmeter accuracy is important.
The numbers below refer to the step numbers on the diagnostic table.
| Step | Action | Value(s) | Yes | No | 
|---|---|---|---|---|
| 1 | Important: Before clearing the DTCs, use the scan tool Capture Info function in order to save the Freeze Frame and the Failure records for reference. The control module's data is deleted once the Clear Info function is used. Was the Powertrain On-Board Diagnostic (OBD) System Check performed? | -- | ||
| 
 Is the voltage less than the specified value? | 4.8 V | |||
| 3 | Are any other APP DTCs set? | -- | Go to the applicable DTC table | |
| 4 | The DTC is intermittent. If no additional DTCs are stored, refer to Diagnostic Aids. If any additional DTCs were stored, refer to the applicable DTC tables first. Are any additional DTCs stored? | -- | Go to the applicable DTC table | Go to Diagnostic Aids | 
| 5 | 
 Did you perform a repair? | -- | ||
| 6 | Important: The new PCM must be programmed. Refer to Powertrain Control Module Replacement/Programming . Replace the PCM. Is the action complete? | -- | -- | |
| 7 | 
 Does the scan tool indicate the diagnostic Passed? | -- | ||
| 8 | Does the scan tool display any additional undiagnosed DTCs? | -- | Go to the applicable DTC table | System OK |