GM Service Manual Online
For 1990-2009 cars only
Figure 1:

Battery, Auxiliary Battery, and Underhood Fuse/Relay Center


Object Number: 648757  Size: FS
Master Electrical Component List
Lighting and Battery Fuses
Upfitter Provision Schematics
Figure 2:

Lighting and Battery Fuses


Object Number: 648769  Size: FS
Master Electrical Component List
Ignition A, Ignition B Fuses, and Ignition Switch
Battery, Auxiliary Battery, and Underhood Fuse/Relay Center
Battery, Auxiliary Battery, and Underhood Fuse/Relay Center
Figure 3:

Ignition A, Ignition B Fuses, and Ignition Switch


Object Number: 648773  Size: FS
Master Electrical Component List
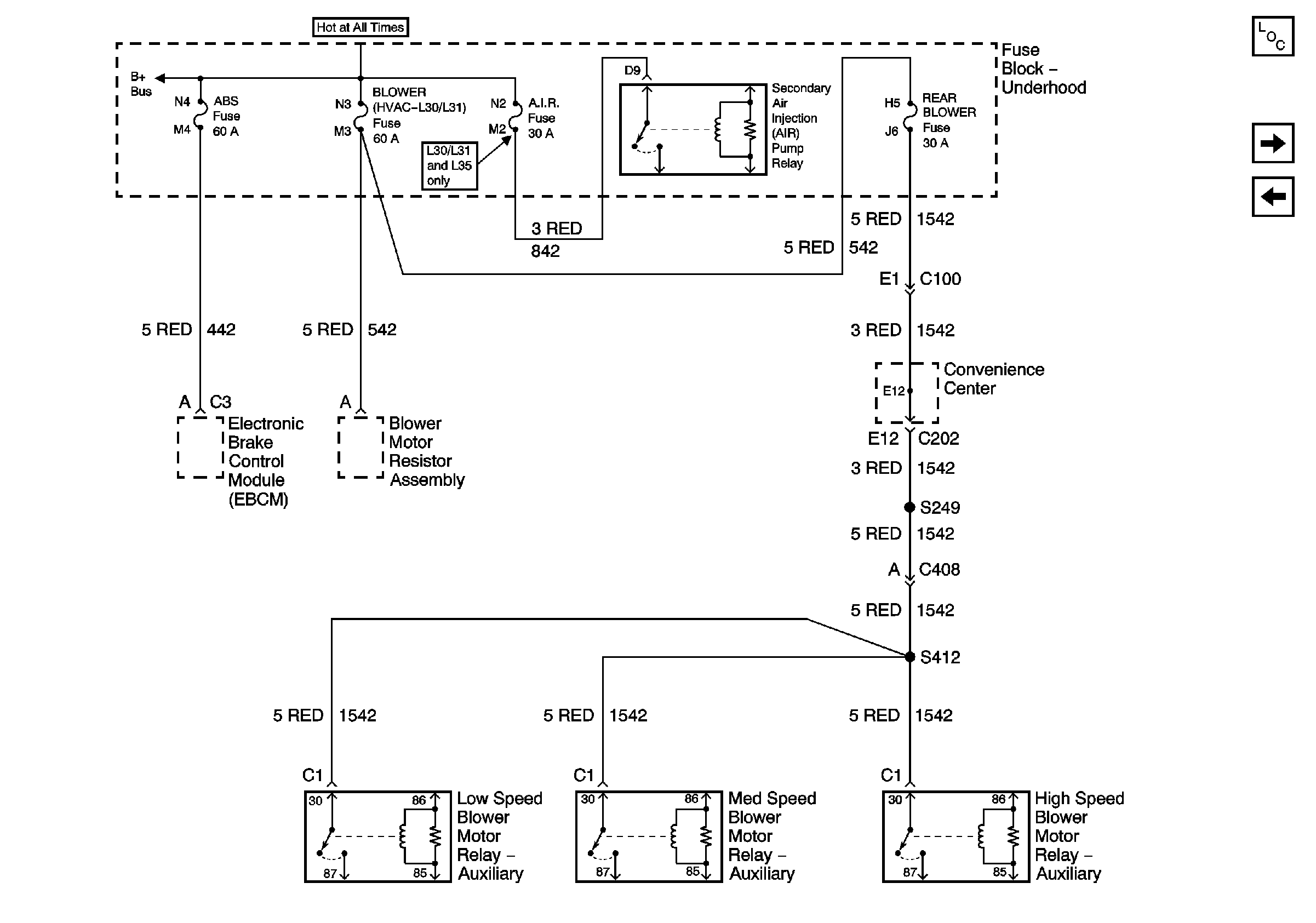
ABS, Blower, AIR and Rear Blower Fuses
Lighting and Battery Fuses
Battery, Auxiliary Battery, and Underhood Fuse/Relay Center
Figure 4:

ABS, Blower, AIR and Rear Blower Fuses


Object Number: 648780  Size: FS
Master Electrical Component List
ECM B, Horn, and A/C Fuses
Ignition A, Ignition B Fuses, and Ignition Switch
Battery, Auxiliary Battery, and Underhood Fuse/Relay Center
Figure 5:

ECM B, Horn, and A/C Fuses


Object Number: 648782  Size: FS
Master Electrical Component List
Engine 1 Fuse (4.3L, 5.0L, and 5.7L)
ABS, Blower, AIR and Rear Blower Fuses
Battery, Auxiliary Battery, and Underhood Fuse/Relay Center
Figure 6:

Engine 1 Fuse (4.3L, 5.0L, and 5.7L)


Object Number: 648784  Size: FS
Master Electrical Component List
Engine 1 Fuse (6.5L and 8.1L)
ECM B, Horn, and A/C Fuses
Ignition A, Ignition B Fuses, and Ignition Switch
Figure 7:

Engine 1 Fuse (6.5L and 8.1L)


Object Number: 648792  Size: FS
Master Electrical Component List
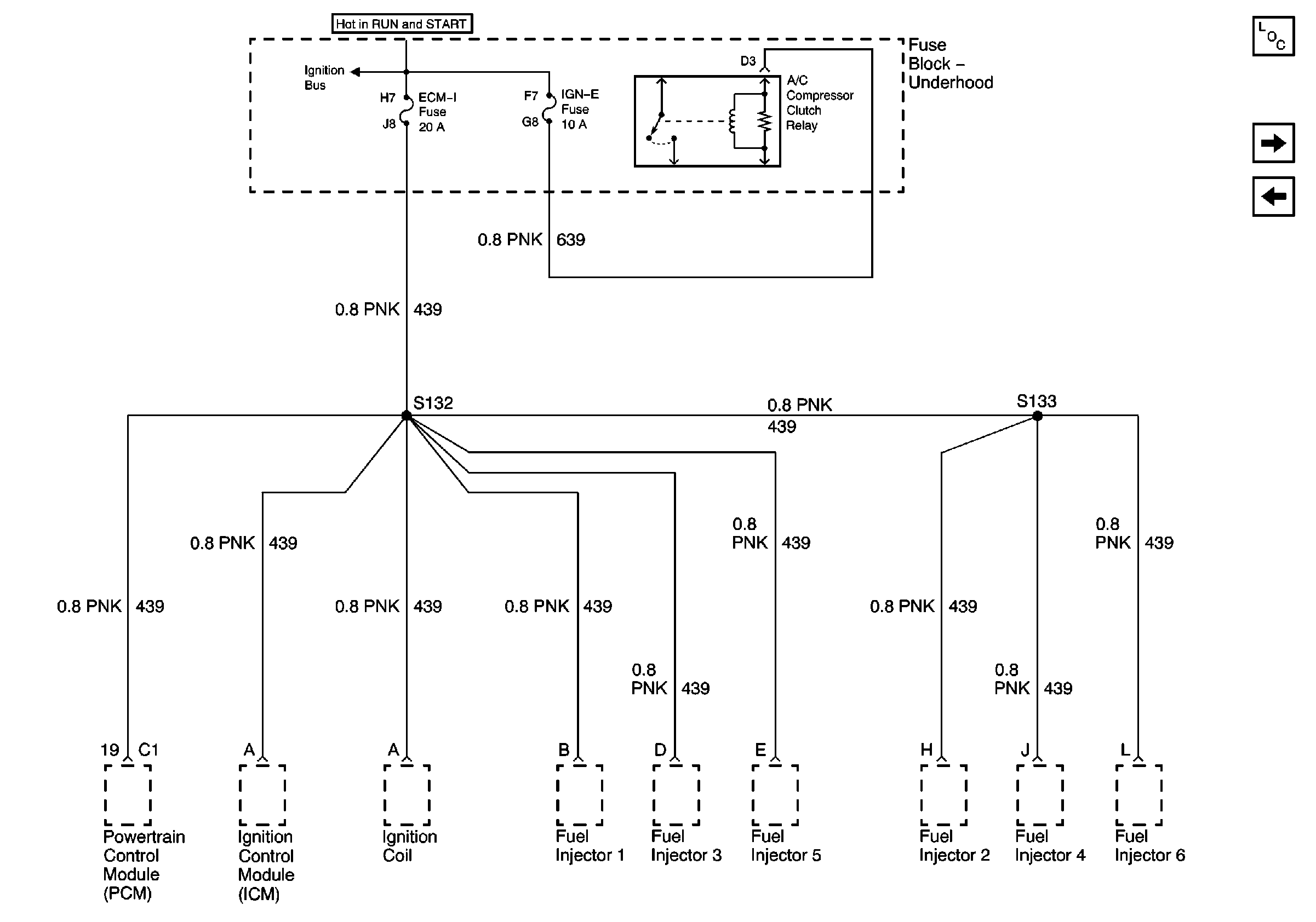
ECM 1 and Ignition E Fuses (4.3L)
Engine 1 Fuse (4.3L, 5.0L, and 5.7L)
Ignition A, Ignition B Fuses, and Ignition Switch
Figure 8:

ECM 1 and Ignition E Fuses (4.3L)


Object Number: 648797  Size: FS
Master Electrical Component List
ECM 1 and Ignition E Fuses (5.0L and 5.7L)
Engine 1 Fuse (6.5L and 8.1L)
Ignition A, Ignition B Fuses, and Ignition Switch
Figure 9:

ECM 1 and Ignition E Fuses (5.0L and 5.7L)


Object Number: 648799  Size: FS
Master Electrical Component List
ECM 1 and Ignition E Fuses (6.5L)
ECM 1 and Ignition E Fuses (4.3L)
Ignition A, Ignition B Fuses, and Ignition Switch
Figure 10:

ECM 1 and Ignition E Fuses (6.5L)


Object Number: 648803  Size: FS
Master Electrical Component List
ECM 1 and Ignition E Fuses (8.1L)
ECM 1 and Ignition E Fuses (5.0L and 5.7L)
Ignition A, Ignition B Fuses, and Ignition Switch
Figure 11:

ETC, ECM 1 and Ignition E Fuses (8.1L)


Object Number: 648807  Size: FS
Master Electrical Component List
Left/Right Headlamps, Left/Right High Beam Fuses
ECM 1 and Ignition E Fuses (6.5L)
Ignition A, Ignition B Fuses, and Ignition Switch
Figure 12:

Left/Right Headlamps, Left/Right High Beam Fuses


Object Number: 648864  Size: FS
Master Electrical Component List
Power Windows, Heated Mirrors, Rear Defogger, and Hazard Fuses
ECM 1 and Ignition E Fuses (8.1L)
Figure 13:

Power Windows, Heated Mirrors, Rear Defogger, and Hazard Fuses


Object Number: 648866  Size: FS
Master Electrical Component List
Power Accessory Fuse
Left/Right Headlamps, Left/Right High Beam Fuses
Figure 14:

Power Accessory Fuse


Object Number: 648867  Size: FS
Master Electrical Component List
Stop, Power Auxiliary, Cigar Lighter, and Radio B Fuses
Power Windows, Heated Mirrors, Rear Defogger, and Hazard Fuses
Figure 15:

Stop, Power Auxiliary, Cigar Lighter, and Radio B Fuses


Object Number: 648868  Size: FS
Master Electrical Component List
Park Lamps, Security, and DRL Fuses
Power Accessory Fuse
Lighting and Battery Fuses
Figure 16:

Park Lamps, Security, and DRL Fuses


Object Number: 648869  Size: FS
Master Electrical Component List
Courtesy, Air Bags, and Turn Backup Fuses
Stop, Power Auxiliary, Cigar Lighter, and Radio B Fuses
Lighting and Battery Fuses
Illumination Fuse and Headlamp Switch
Figure 17:

Courtesy, Air Bags, and Turn Backup Fuses


Object Number: 648872  Size: FS
Master Electrical Component List
Circuit 40 with Y91
Park Lamps, Security, and DRL Fuses
Lighting and Battery Fuses
Ignition A, Ignition B Fuses, and Ignition Switch
Circuit 40 with Y91
SIR Handling Caution
Figure 18:

Circuit 40 with Y91


Object Number: 762356  Size: FS
Courtesy, Air Bags, and Turn Backup Fuses
Master Electrical Component List
Radio 1, Wiper, Transmission, and Crank Fuses
Courtesy, Air Bags, and Turn Backup Fuses
Figure 19:

Radio 1, Wiper, Transmission, and Crank Fuses


Object Number: 648873  Size: FS
Master Electrical Component List
Gauges Fuse
Circuit 40 with Y91
Ignition A, Ignition B Fuses, and Ignition Switch
Figure 20:

Gauges Fuse


Object Number: 648874  Size: FS
Master Electrical Component List
Cruise, Heater A/C, and Brake Fuses
Radio 1, Wiper, Transmission, and Crank Fuses
Ignition A, Ignition B Fuses, and Ignition Switch
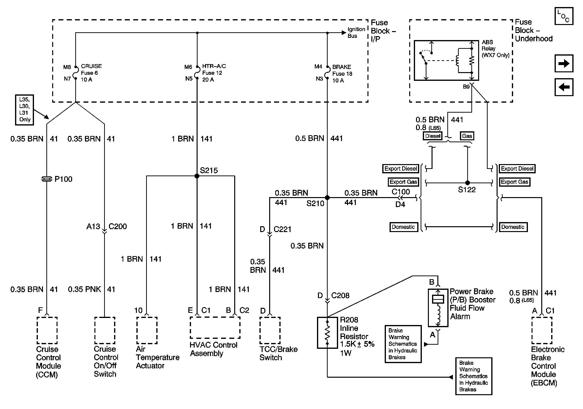
Figure 21:

Cruise, Heater A/C, and Brake Fuses


Object Number: 648875  Size: FS
Master Electrical Component List
Rear HVAC Fuse
Gauges Fuse
Ignition A, Ignition B Fuses, and Ignition Switch
Figure 22:

Rear HVAC Fuse


Object Number: 648877  Size: FS
Master Electrical Component List
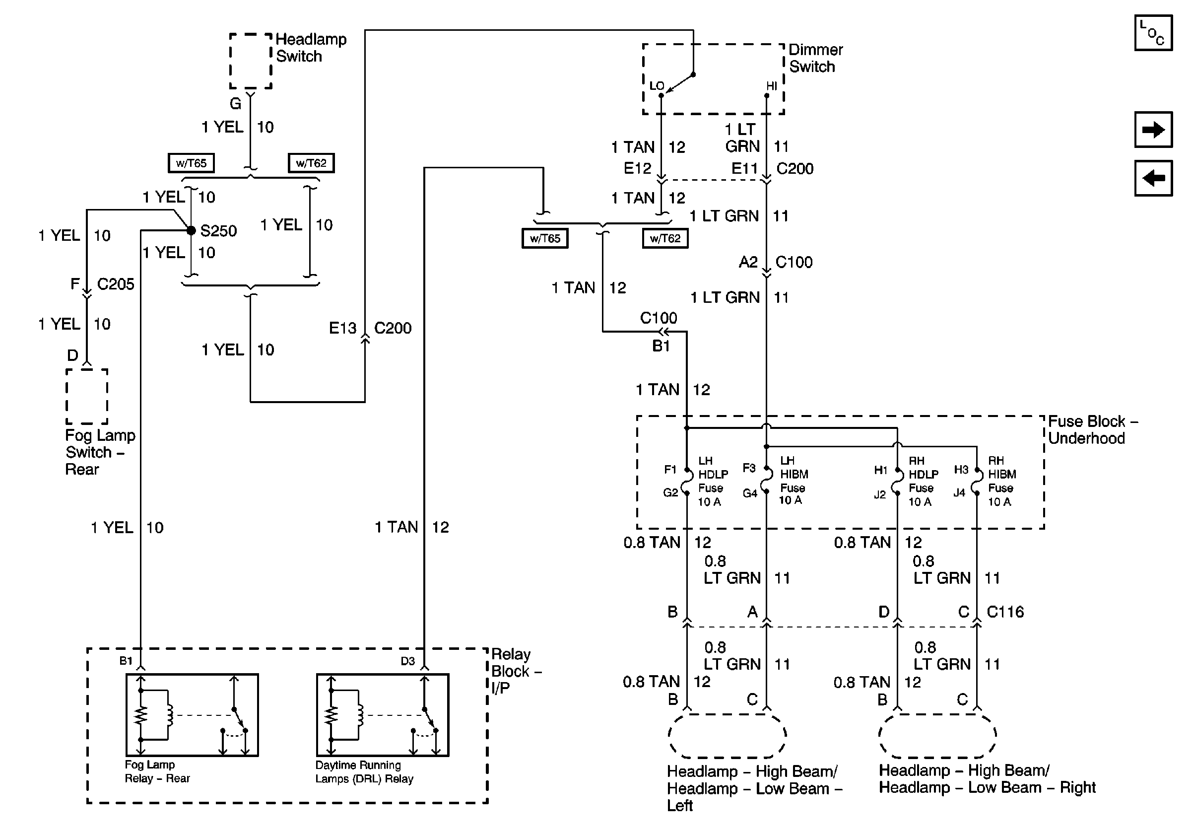
Illumination Fuse and Headlamp Switch
Cruise, Heater A/C, and Brake Fuses
Ignition A, Ignition B Fuses, and Ignition Switch
Figure 23:

Illumination Fuse and Headlamp Switch


Object Number: 648878  Size: FS
Master Electrical Component List
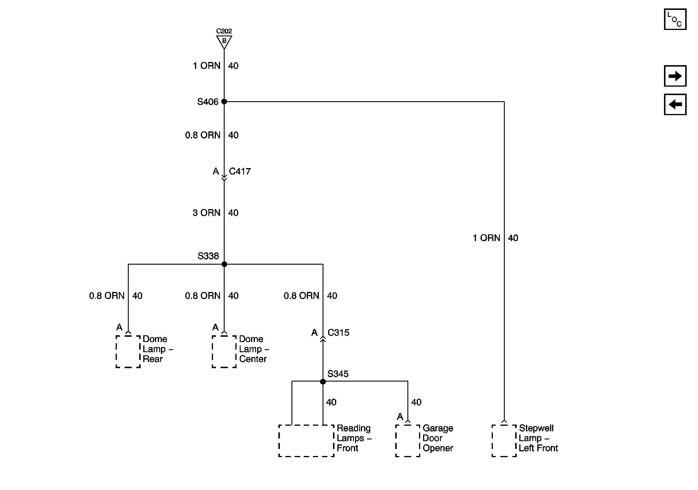
Rear Fuse Block Wiring
Rear HVAC Fuse
Park Lamps, Security, and DRL Fuses
Figure 24:

Rear Fuse Block Wiring


Object Number: 773813  Size: FS
Upfitter Provision Schematics
Master Electrical Component List
RSA-T Fuse
Illumination Fuse and Headlamp Switch
Figure 25:

RSA-T Fuse


Object Number: 762260  Size: FS
Master Electrical Component List
Power Amp, Fog Lamp, and Bose Amp Fuses
Rear Fuse Block Wiring
Upfitter Provision Schematics
Cigar Lighter, G201
Figure 26:

Power Amp, Fog Lamp, and Bose Amp Fuses


Object Number: 762262  Size: FS
Master Electrical Component List
RSA-T Fuse
Upfitter Provision Schematics
RSA-T Fuse
Cigar Lighter, G201