GM Service Manual Online
For 1990-2009 cars only
Figure 1:

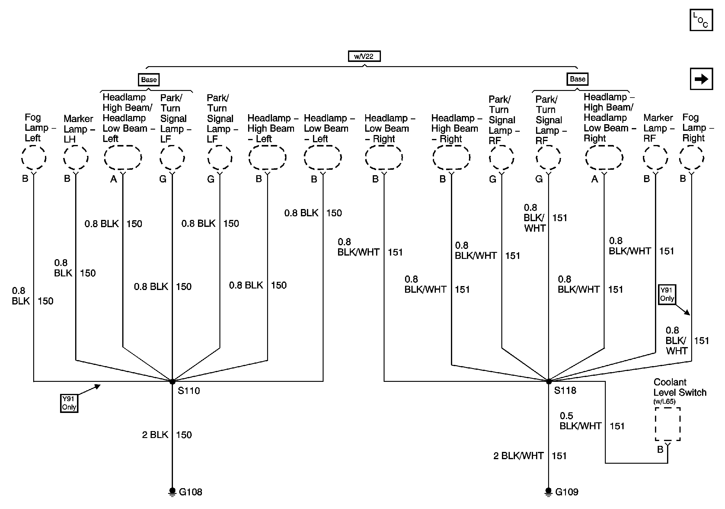
G108 and G109 (Domestic)


Object Number: 648468  Size: FS
Master Electrical Component List
G108 and G109 (Export)
Figure 2:

G108 and G109 (Export)


Object Number: 648693  Size: FS
Master Electrical Component List
G100, G102, G104, G105, G106, G110, G112, G300
G108 and G109 (Domestic)
Figure 3:

G100, G102, G104, G105, G106, G110, G112, G300


Object Number: 648703  Size: FS
Master Electrical Component List
G106 with Y91
G108 and G109 (Export)
Figure 4:

G106 with Y91


Object Number: 762263  Size: FS
Master Electrical Component List
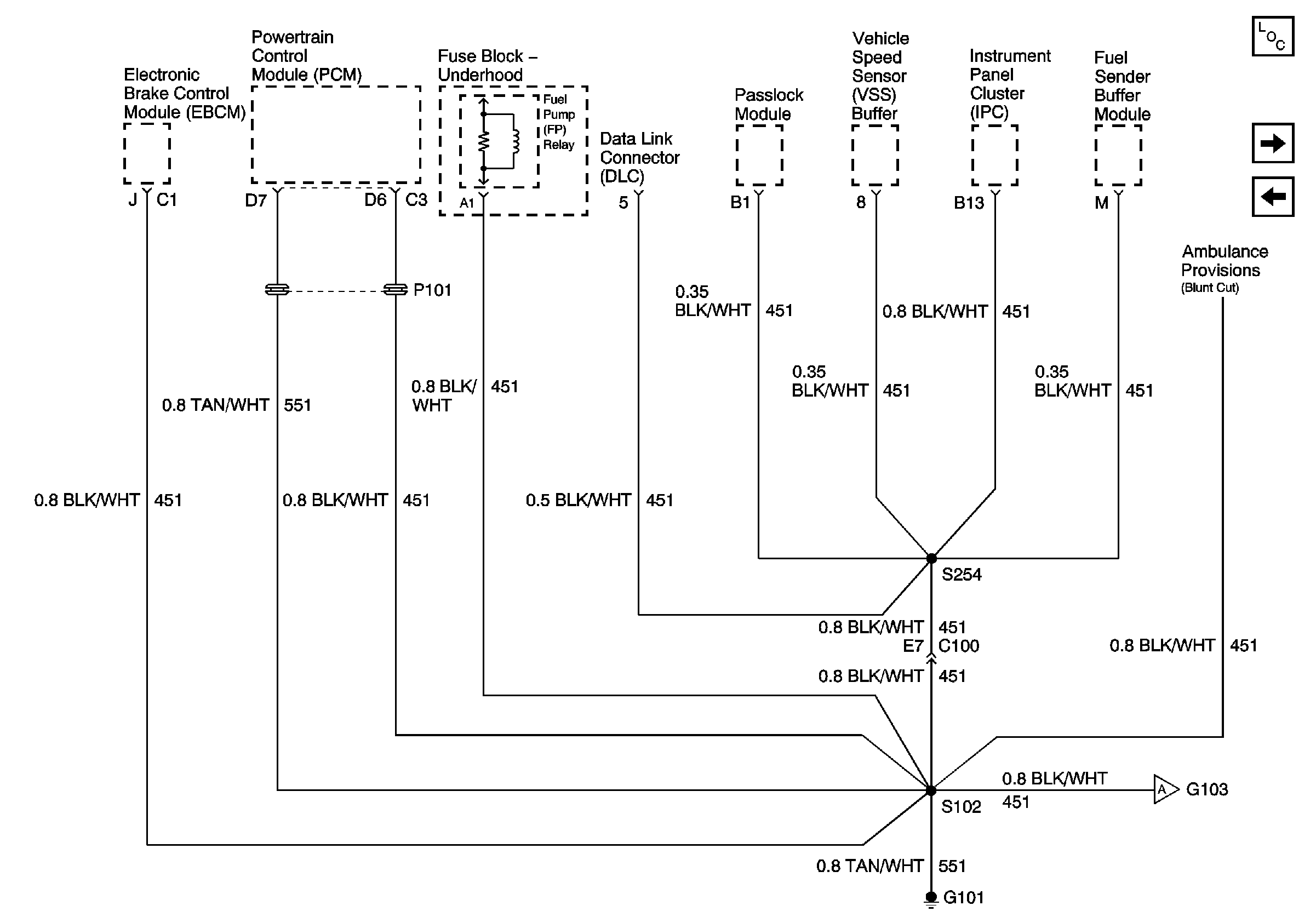
G101 (Gasoline Engines)
G100, G102, G104, G105, G106, G110, G112, G300
Figure 5:

G101 (Gasoline Engines)


Object Number: 754925  Size: FS
Master Electrical Component List
G101 (6.5L Diesel Engine)
G106 with Y91
Figure 6:

G101 (6.5L Diesel Engine)


Object Number: 754931  Size: FS
Master Electrical Component List
G103 (4.3L, 5.0L, and 5.7L Engines)
G101 (Gasoline Engines)
Figure 7:

G103 (4.3L, 5.0L, and 5.7L Engines)


Object Number: 754998  Size: FS
Master Electrical Component List
G103 (8.1L Engine)
G101 (6.5L Diesel Engine)
Components through S152 to G103 (Gasoline Engines)
Figure 8:

G103 (8.1L Engine)


Object Number: 754999  Size: FS
Master Electrical Component List
G103 (6.5L Diesel Engine)
G103 (4.3L, 5.0L, and 5.7L Engines)
Components through S152 to G103 (Gasoline Engines)
Figure 9:

G103 (6.5L Diesel Engine)


Object Number: 755000  Size: FS
Master Electrical Component List
Components through S152 to G103 (Gasoline Engines)
G103 (8.1L Engine)
G101 (6.5L Diesel Engine)
Figure 10:

Components through S152 to G103 (Gasoline Engines)


Object Number: 755001  Size: FS
Master Electrical Component List
G201
G103 (6.5L Diesel Engine)
G103 (4.3L, 5.0L, and 5.7L Engines)
G103 (8.1L Engine)
Figure 11:

G201


Object Number: 755003  Size: FS
Master Electrical Component List
Components through S202 and S205 to G201
Components through S152 to G103 (Gasoline Engines)
G200
Components through S202 and S205 to G201
Figure 12:

Components through S202 and S205 to G201


Object Number: 755007  Size: FS
Master Electrical Component List
G200
G201
G201
Figure 13:

G200


Object Number: 755010  Size: FS
Master Electrical Component List
G202, G203 and G301
Components through S202 and S205 to G201
G201
Figure 14:

G202, G203 and G301


Object Number: 648758  Size: FS
Master Electrical Component List
G302, G303 and G304
G200
SIR Handling Caution
Figure 15:

G302, G303 and G304


Object Number: 761338  Size: FS
Master Electrical Component List
G400
G202, G203 and G301
Figure 16:

G400


Object Number: 648761  Size: FS
Master Electrical Component List
G401
G302, G303 and G304
Figure 17:

G401


Object Number: 648765  Size: FS
Master Electrical Component List
G400