GM Service Manual Online
For 1990-2009 cars only
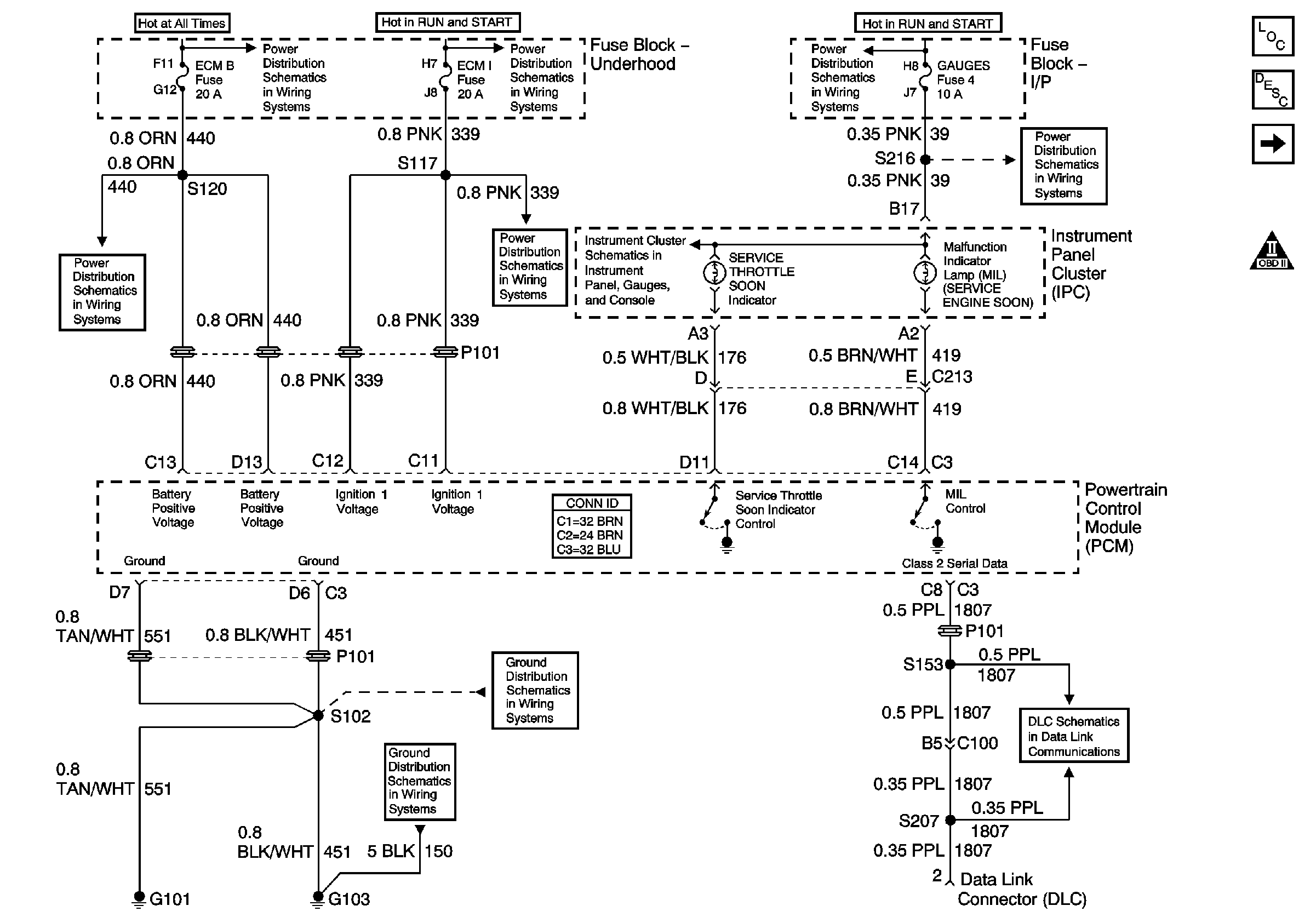
Figure 1:

Power, Ground, MIL and DLC


Object Number: 649212  Size: FS
Master Electrical Component List
Powertrain Control Module Description
Glow Plug Controls-Federal Emissions
OBD II Symbol Description Notice
Battery, Auxiliary Battery, and Underhood Fuse/Relay Center
Ignition A, Ignition B Fuses, and Ignition Switch
Ignition A, Ignition B Fuses, and Ignition Switch
ECM B, Horn, and A/C Fuses
ECM 1 and Ignition E Fuses (6.5L)
Indicators 1 of 2 (Diesel)
Gauges Fuse
G103 (6.5L Diesel Engine)
G101 (6.5L Diesel Engine)
Data Link Communications
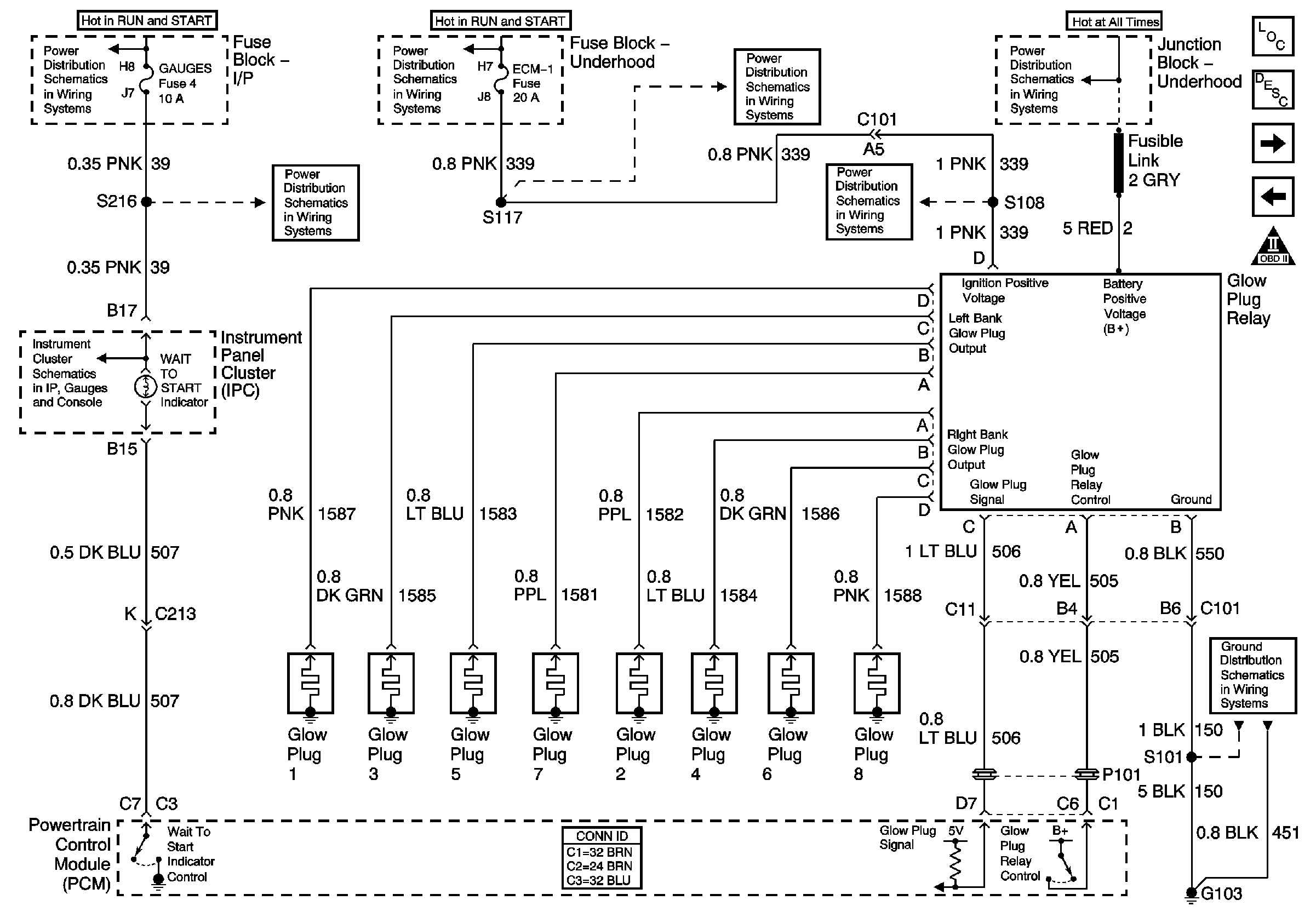
Figure 2:

Glow Plug Controls--Federal Emissions


Object Number: 649214  Size: FS
Master Electrical Component List
Glow Plug System Description
Glow Plug ControlS - California Emissions
Power, Ground, MIL and DLC
OBD II Symbol Description Notice
Ignition A, Ignition B Fuses, and Ignition Switch
Ignition A, Ignition B Fuses, and Ignition Switch
ECM 1 and Ignition E Fuses (6.5L)
Battery, Auxiliary Battery, and Underhood Fuse/Relay Center
Gauges Fuse
ECM 1 and Ignition E Fuses (6.5L)
Indicators 1 of 2 (Diesel)
G103 (6.5L Diesel Engine)
Figure 3:

Glow Plug Controls--California Emissions


Object Number: 649218  Size: FS
Master Electrical Component List
Glow Plug System Description
Fuel Pump Controls
Glow Plug Controls-Federal Emissions
OBD II Symbol Description Notice
Ignition A, Ignition B Fuses, and Ignition Switch
Ignition A, Ignition B Fuses, and Ignition Switch
ECM 1 and Ignition E Fuses (6.5L)
Battery, Auxiliary Battery, and Underhood Fuse/Relay Center
Gauges Fuse
ECM 1 and Ignition E Fuses (6.5L)
Indicators 1 of 2 (Diesel)
G103 (6.5L Diesel Engine)
Figure 4:

Fuel Pump Controls


Object Number: 649222  Size: FS
Master Electrical Component List
Fuel System Description
Fuel Solenoid Controls, Water-in-fuel Sensor
Glow Plug ControlS - California Emissions
OBD II Symbol Description Notice
Battery, Auxiliary Battery, and Underhood Fuse/Relay Center
ECM B, Horn, and A/C Fuses
G101 (6.5L Diesel Engine)
G103 (6.5L Diesel Engine)
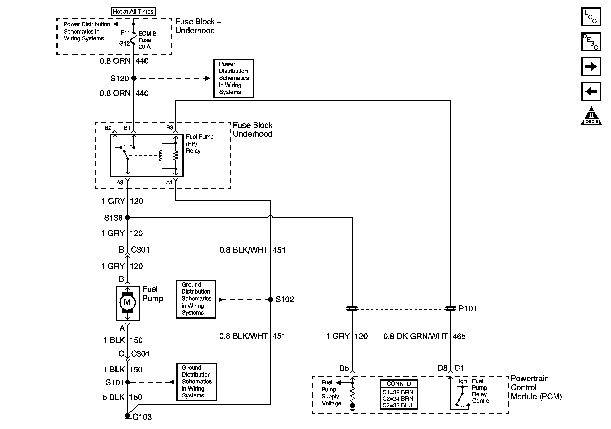
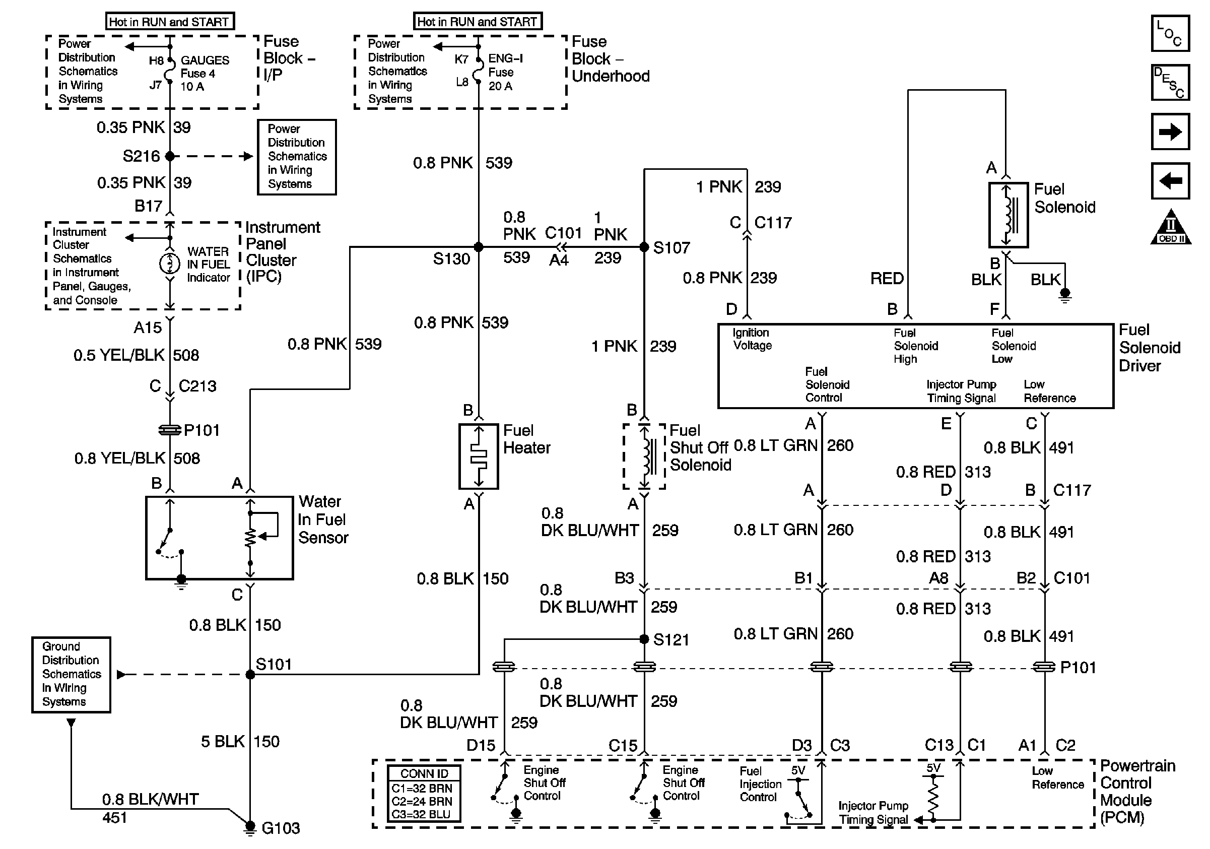
Figure 5:

Fuel Solenoid Controls, Water-in-fuel Sensor


Object Number: 649223  Size: FS
Master Electrical Component List
Fuel System Description
Fuel Temperature Controls, ITS Motor
Fuel Pump Controls
OBD II Symbol Description Notice
Ignition A, Ignition B Fuses, and Ignition Switch
Ignition A, Ignition B Fuses, and Ignition Switch
Indicators 1 of 2 (Diesel)
Gauges Fuse
G103 (6.5L Diesel Engine)
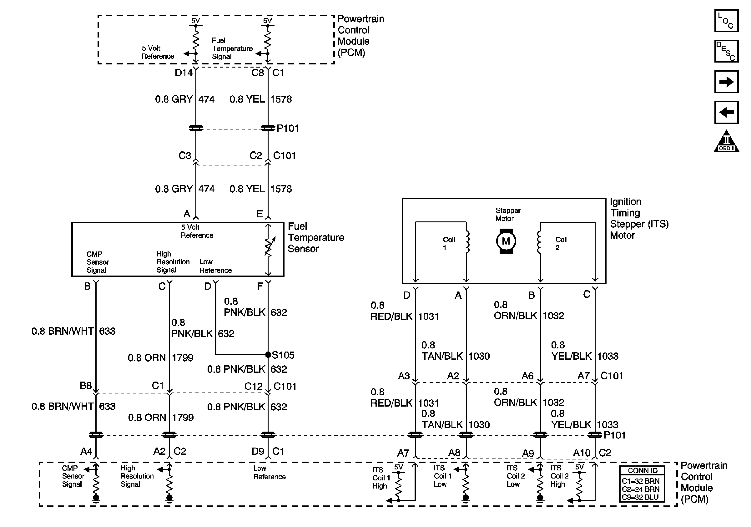
Figure 6:

Fuel Temperature Controls, ITS Motor


Object Number: 649225  Size: FS
Master Electrical Component List
Powertrain Control Module Description
Sensor Controls: CKP, Boost Pressure Sensor, IAT, ECT
Fuel Solenoid Controls, Water-in-fuel Sensor
OBD II Symbol Description Notice
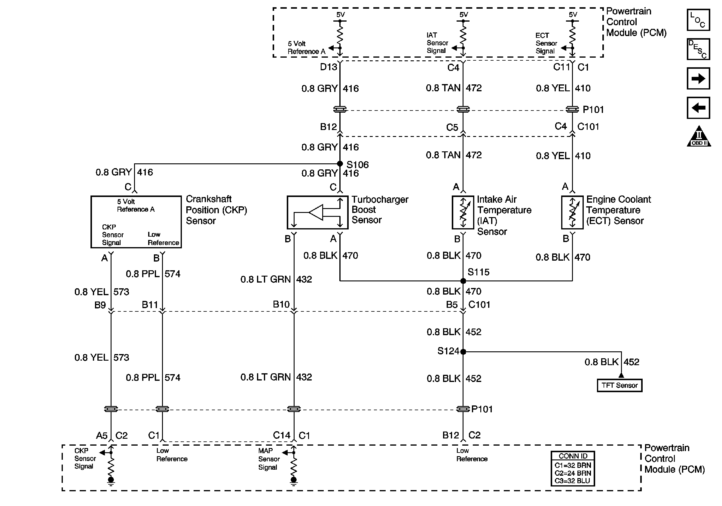
Figure 7:

Sensor Controls: CKP, Boost Pressure Sensor, IAT, ECT


Object Number: 649229  Size: FS
Master Electrical Component List
Powertrain Control Module Description
Wastegate Controls and APP Module
Fuel Temperature Controls, ITS Motor
OBD II Symbol Description Notice
Automatic Transmission Control References 4L80-E
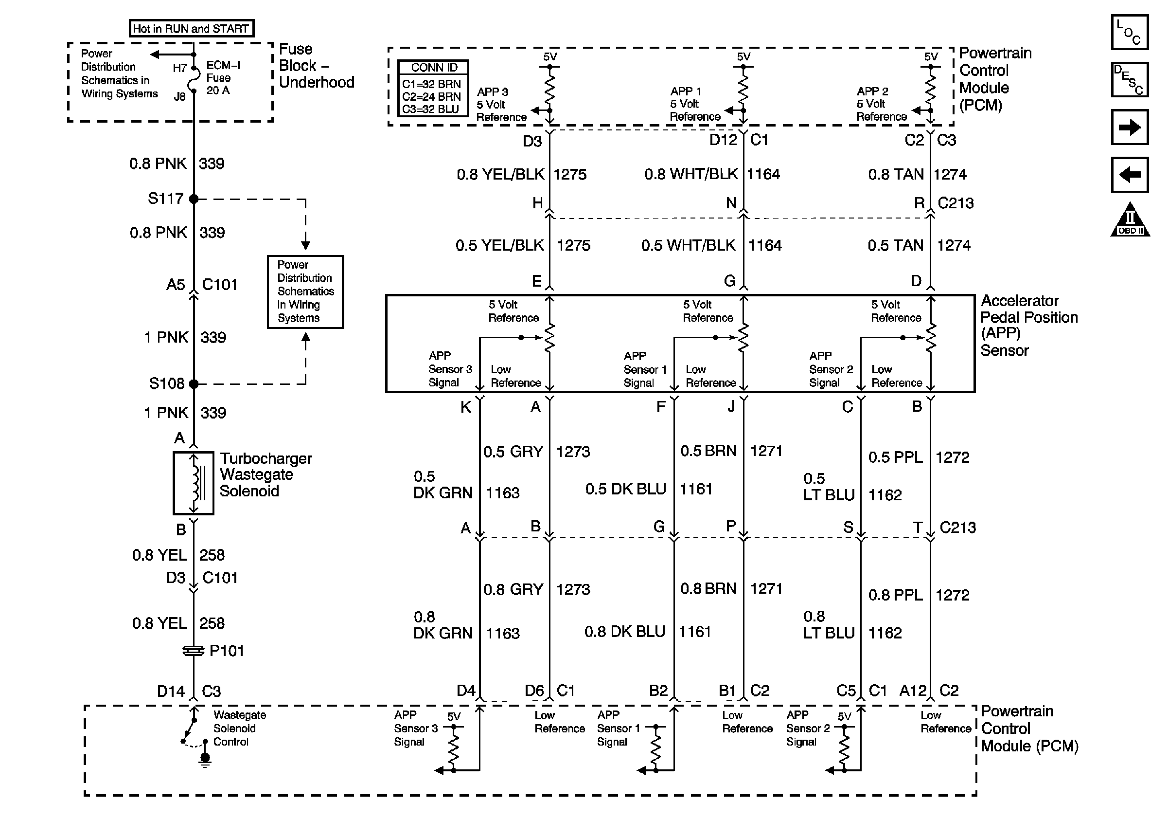
Figure 8:

Wastegate Controls and APP Module


Object Number: 649241  Size: FS
Master Electrical Component List
Powertrain Control Module Description
VSS Controls
Sensor Controls: CKP, Boost Pressure Sensor, IAT, ECT
OBD II Symbol Description Notice
Ignition A, Ignition B Fuses, and Ignition Switch
ECM 1 and Ignition E Fuses (6.5L)
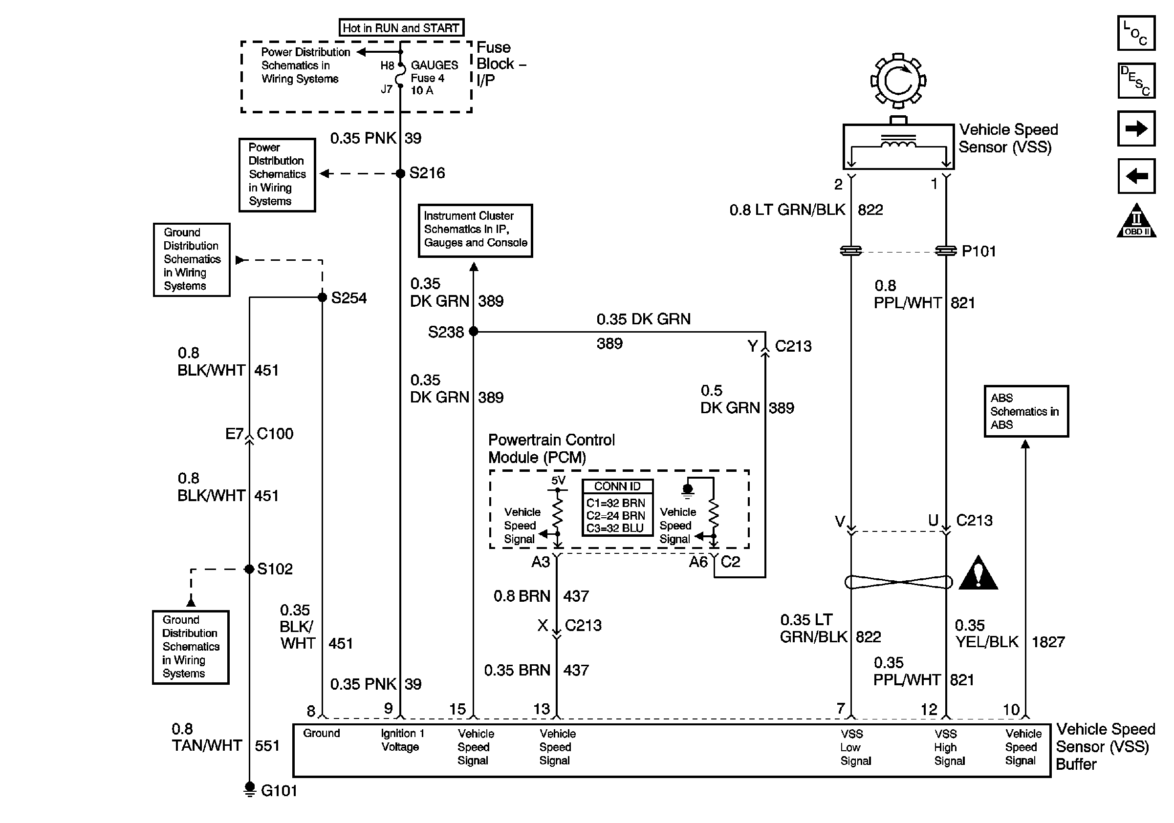
Figure 9:

VSS Controls


Object Number: 649243  Size: FS
Master Electrical Component List
Powertrain Control Module Description
Automatic Transmission Control References 4L80-E
Wastegate Controls and APP Module
OBD II Symbol Description Notice
Ignition A, Ignition B Fuses, and Ignition Switch
Gauges Fuse
G101 (6.5L Diesel Engine)
Gauges
G101 (6.5L Diesel Engine)
Wheel Speed Sensors, VSS and Brake Pressure Switch
Engine Controls Schematic Icons
Figure 10:

Automatic Transmission Control References 4L80-E


Object Number: 649245  Size: FS
Master Electrical Component List
Powertrain Control Module Description
Cruise Control and HVAC References
VSS Controls
OBD II Symbol Description Notice
PARK LPS, TURN B/U, HAZARD, STOP Fuses
PWR, Solenoids, TCC/Stoplamp Controls
Sensor, Solenoid and GND Controls
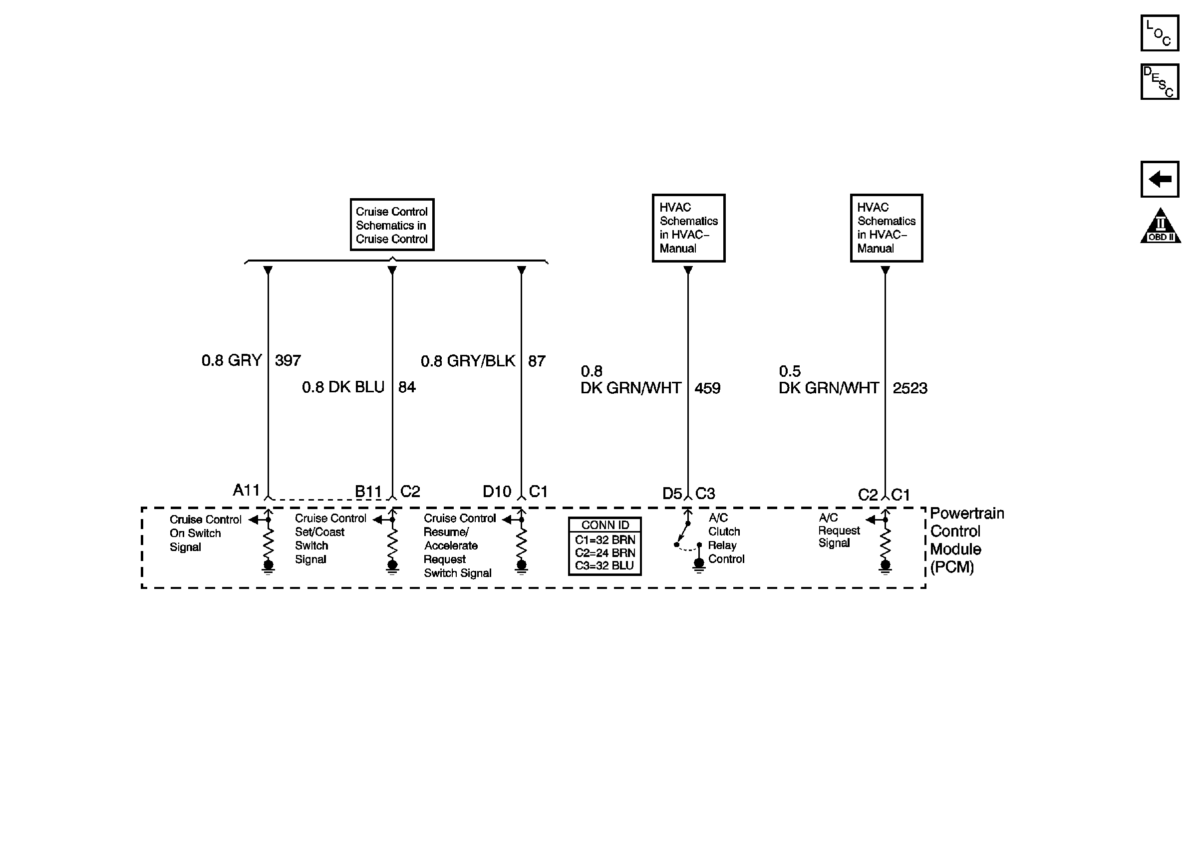
Figure 11:

Cruise Control and HVAC References


Object Number: 649248  Size: FS
Master Electrical Component List
Powertrain Control Module Description
Automatic Transmission Control References 4L80-E
OBD II Symbol Description Notice
6.5L Diesel Engine
A/C Fuses; ECM-B, IGN-E, Compressor Clutch, G101, G103 (6.5L Diesel)
A/C Fuses; ECM-B, IGN-E, Compressor Clutch, G101, G103 (6.5L Diesel)