GM Service Manual Online
For 1990-2009 cars only
Figure 1:

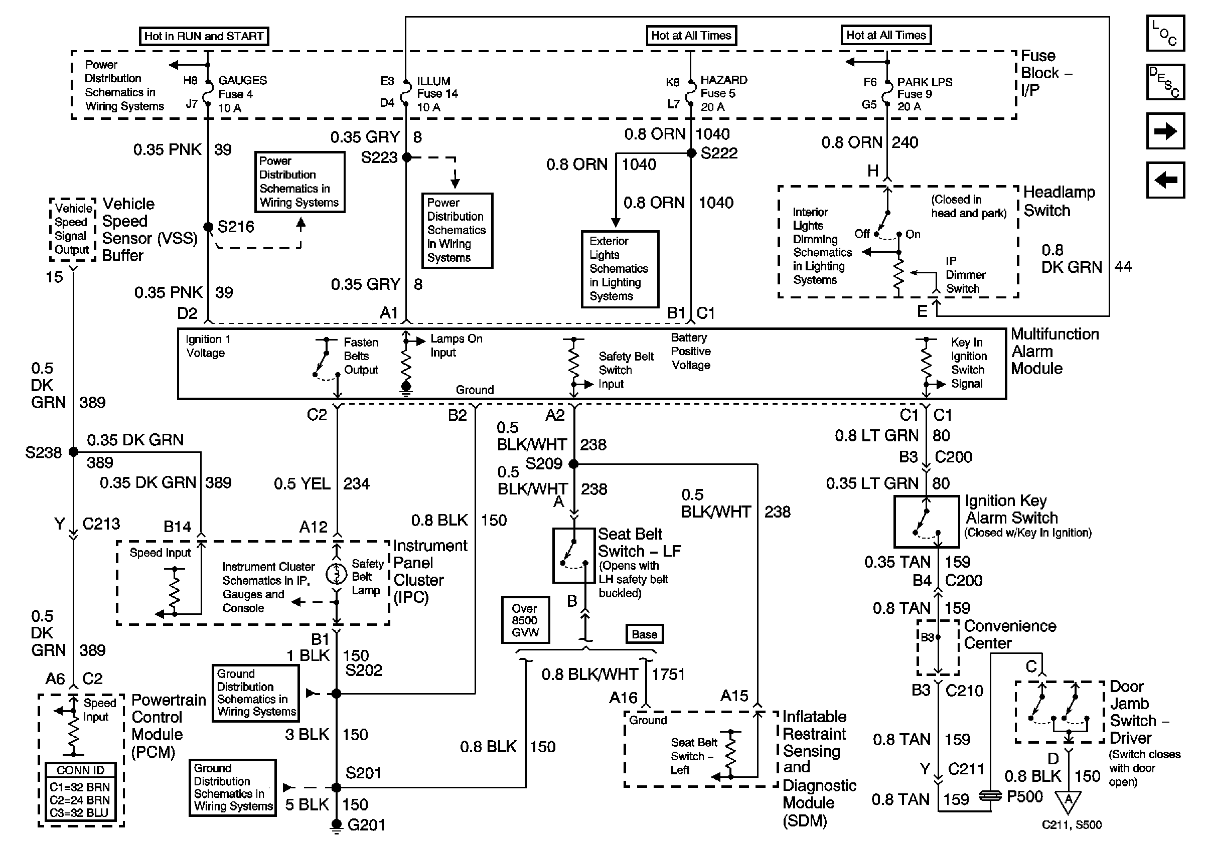
GAUGES, ILLUM, HAZARD, PARK LPS Fuses; Multi-Function Alarm Module; Left Front Door Jamb Switch; G201 (4.3L, 5.0L, and 5.7L)


Object Number: 658268  Size: FS
Master Electrical Component List
Audible Warnings Description and Operation
GAUGES, ILLUM, HAZARD, PARK LPS Fuses; Multi-Function Alarm Module; Left Front Door Jamb Switch; G201 (6.5L Diesel)
Ignition A, Ignition B Fuses, and Ignition Switch
Gauges Fuse
Lighting and Battery Fuses
Illumination Fuse and Headlamp Switch
Power Windows, Heated Mirrors, Rear Defogger, and Hazard Fuses
ILLUM and PARK LPS Fuses
Headlamp Switch, Instrument Cluster, Park/Neutral Position Switch
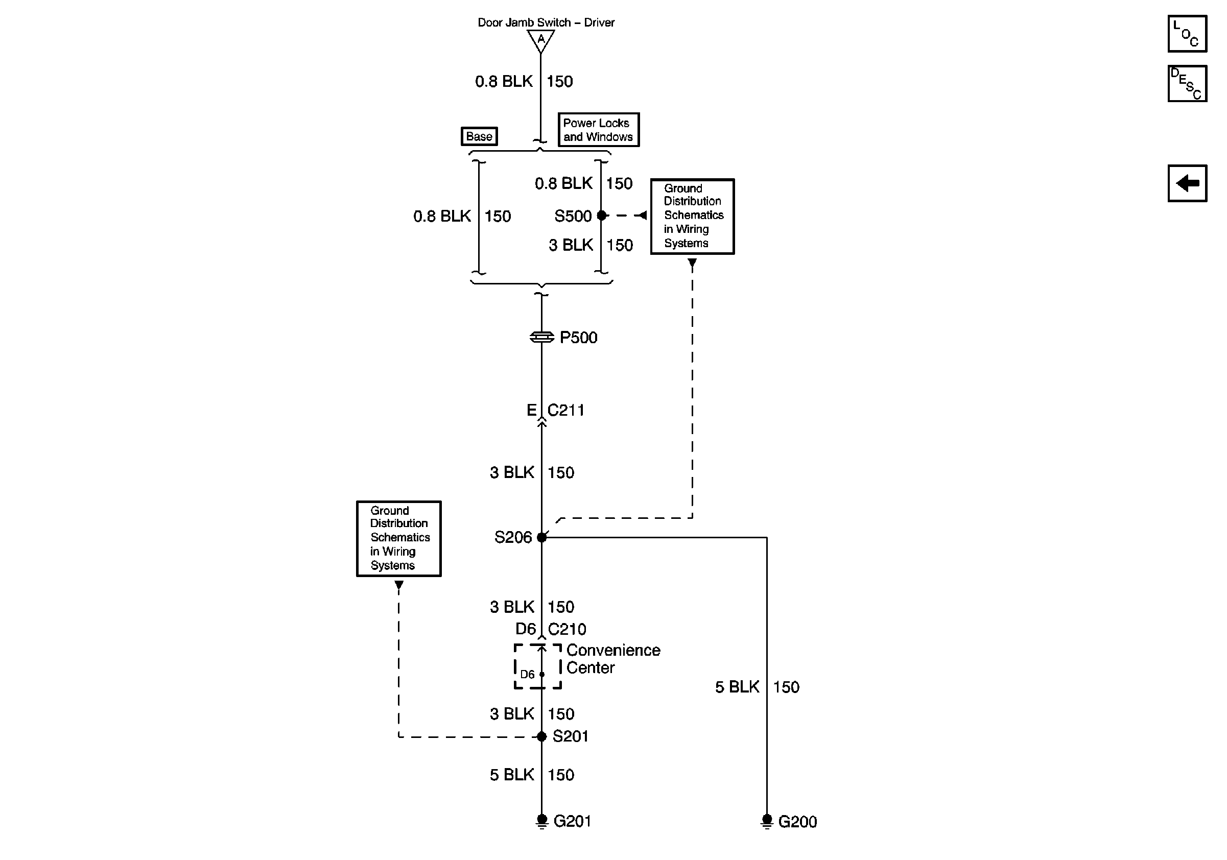
Components through S202 and S205 to G201
G201
G200
Figure 2:

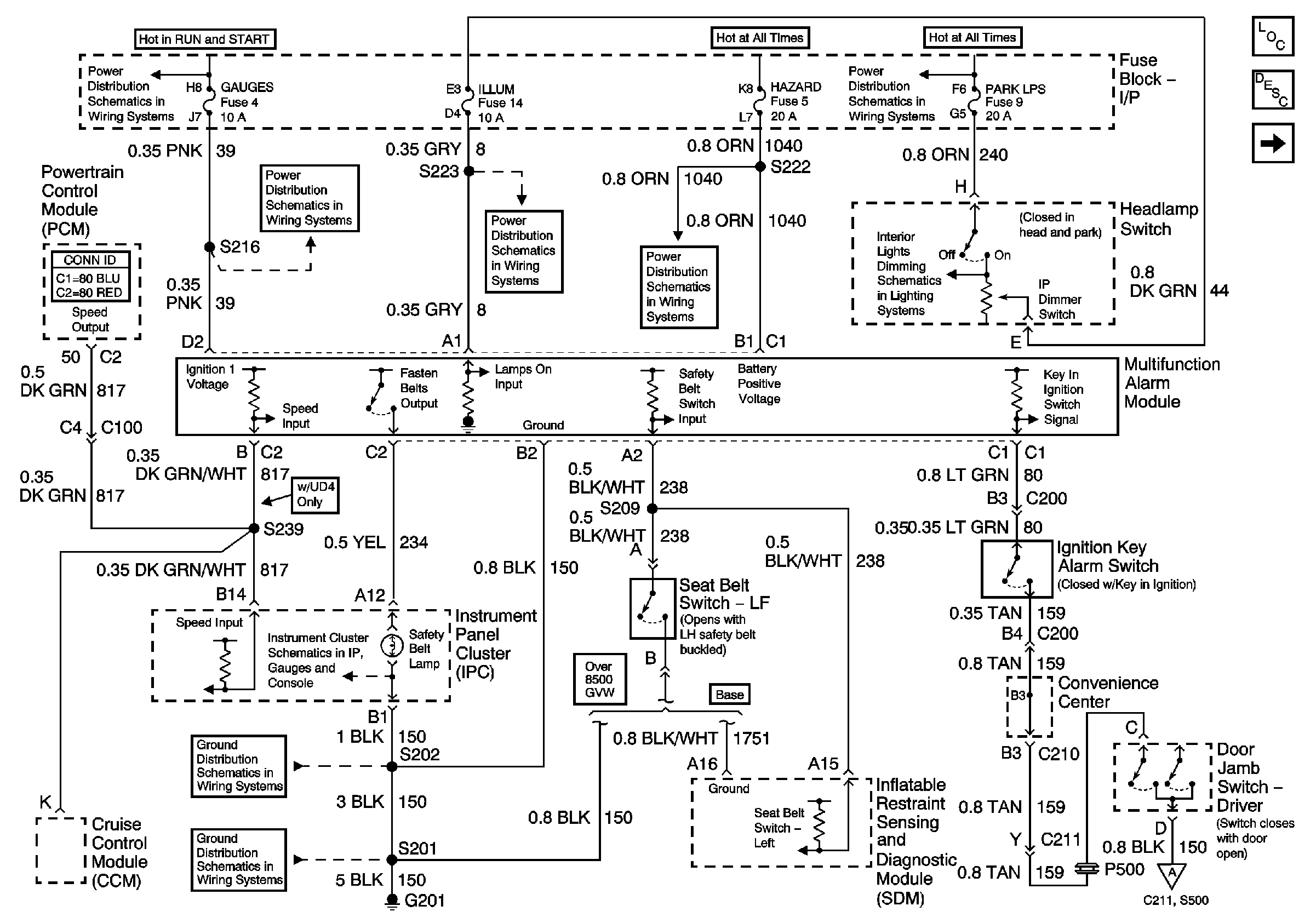
GAUGES, ILLUM, HAZARD, PARK LPS Fuses; Multi-Function Alarm Module; Left Front Door Jamb Switch; G201 (6.5L Diesel)


Object Number: 652640  Size: FS
Master Electrical Component List
Audible Warnings Description and Operation
GAUGES, ILLUM, HAZARD, PARK LPS Fuses; Multi-Function Alarm Module; Left Front Door Jamb Switch; G201 (8.1L)
GAUGES, ILLUM, HAZARD, PARK LPS Fuses; Multi-Function Alarm Module; Left Front Door Jamb Switch; G201 (4.3L, 5.0L, and 5.7L)
Ignition A, Ignition B Fuses, and Ignition Switch
Gauges Fuse
Illumination Fuse and Headlamp Switch
Power Windows, Heated Mirrors, Rear Defogger, and Hazard Fuses
Lighting and Battery Fuses
ILLUM and PARK LPS Fuses
Headlamp Switch, Instrument Cluster, Park/Neutral Position Switch
Components through S202 and S205 to G201
G201
G200
Figure 3:

GAUGES, ILLUM, HAZARD, PARK LPS Fuses; Multi-Function Alarm Module; Left Front Door Jamb Switch; G201 (8.1L)


Object Number: 652647  Size: FS
Master Electrical Component List
Audible Warnings Description and Operation
G200
GAUGES, ILLUM, HAZARD, PARK LPS Fuses; Multi-Function Alarm Module; Left Front Door Jamb Switch; G201 (6.5L Diesel)
Ignition A, Ignition B Fuses, and Ignition Switch
Gauges Fuse
Illumination Fuse and Headlamp Switch
Power Windows, Heated Mirrors, Rear Defogger, and Hazard Fuses
Lighting and Battery Fuses
ILLUM and PARK LPS Fuses
Headlamp Switch, Instrument Cluster, Park/Neutral Position Switch
Components through S202 and S205 to G201
G201
G200
Figure 4:

G200


Object Number: 658270  Size: FS
Master Electrical Component List
Audible Warnings Description and Operation
GAUGES, ILLUM, HAZARD, PARK LPS Fuses; Multi-Function Alarm Module; Left Front Door Jamb Switch; G201 (8.1L)
G201
GAUGES, ILLUM, HAZARD, PARK LPS Fuses; Multi-Function Alarm Module; Left Front Door Jamb Switch; G201 (4.3L, 5.0L, and 5.7L)
G200