GM Service Manual Online
For 1990-2009 cars only
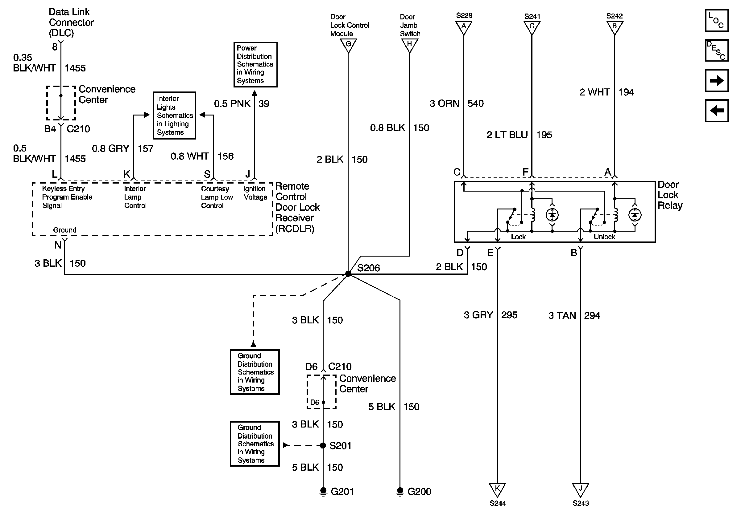
Figure 1:

Power and Front Door Lock Switches


Object Number: 660991  Size: FS
Master Electrical Component List
Keyless Entry System Description and Operation
Power Door Lock Module and RR Door Lock Switch
Power Accessory Fuse
Power Door Lock Module and RR Door Lock Switch
Power Door Lock Relay and Grounds
Power Door Lock Relay and Grounds
Power Door Lock Relay and Grounds
Power Door Lock Module and RR Door Lock Switch
Power Door Lock Module and RR Door Lock Switch
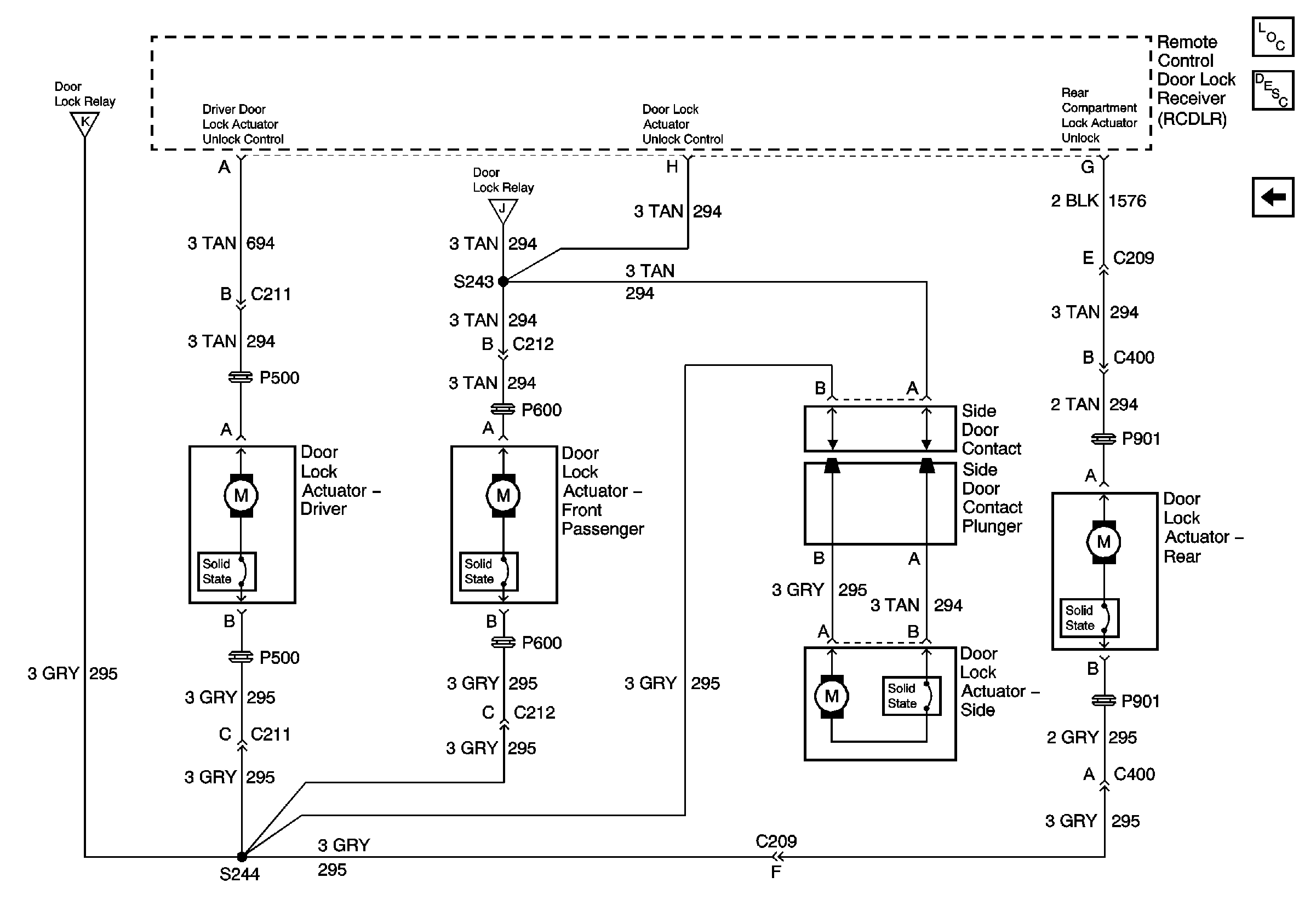
Figure 2:

Power Door Lock Module and RR Door Lock Switch


Object Number: 660994  Size: FS
Master Electrical Component List
Keyless Entry System Description and Operation
Power Door Lock Relay and Grounds
Power and Front Door Lock Switches
Power and Front Door Lock Switches
Door Jamb Switches
Power Door Lock Relay and Grounds
Power Door Lock Relay and Grounds
Power and Front Door Lock Switches
Power and Front Door Lock Switches
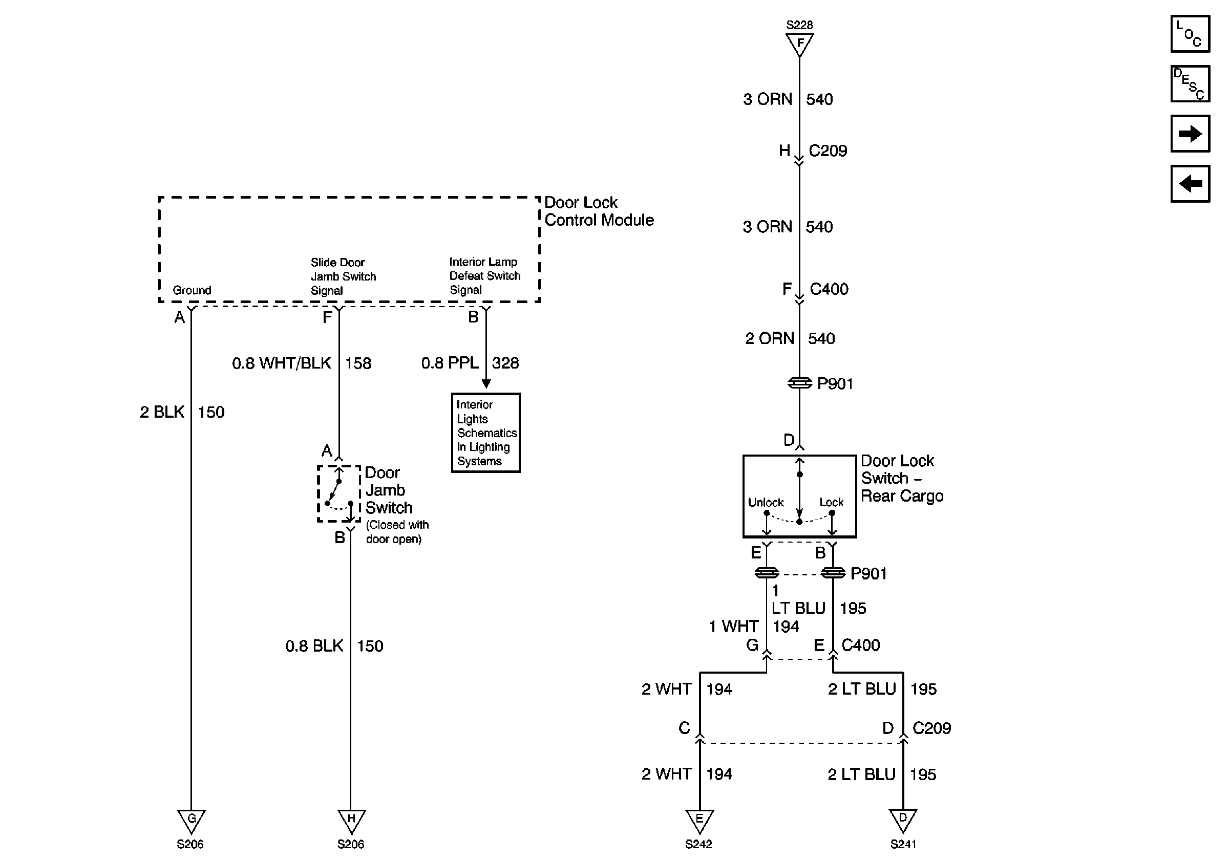
Figure 3:

Power Door Lock Relay and Grounds


Object Number: 660996  Size: FS
Master Electrical Component List
Keyless Entry System Description and Operation
Door Lock Actuators
Power Door Lock Module and RR Door Lock Switch
CTSY Fuse
Power Accessory Fuse
Power Door Lock Module and RR Door Lock Switch
Power Door Lock Module and RR Door Lock Switch
Power and Front Door Lock Switches
Power and Front Door Lock Switches
Power and Front Door Lock Switches
G201
G200
Door Lock Actuators
Door Lock Actuators
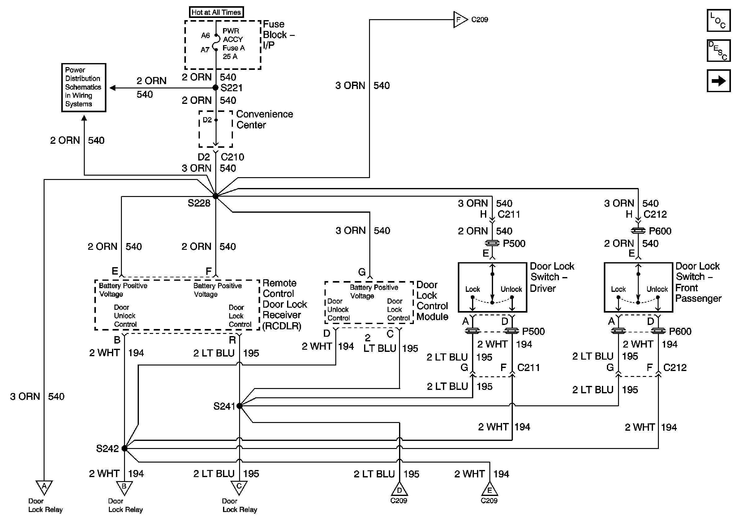
Figure 4:

Door Lock Actuators


Object Number: 660998  Size: FS
Master Electrical Component List
Keyless Entry System Description and Operation
Power Door Lock Relay and Grounds
Power Door Lock Relay and Grounds
Power Door Lock Relay and Grounds