GM Service Manual Online
For 1990-2009 cars only
Makes
🢒
Chevrolet
🢒
2001
🢒
Express
🢒
Transmission/Transaxle
🢒
Automatic Transmission - 4L80-E
🢒 Holding Fixture Removal
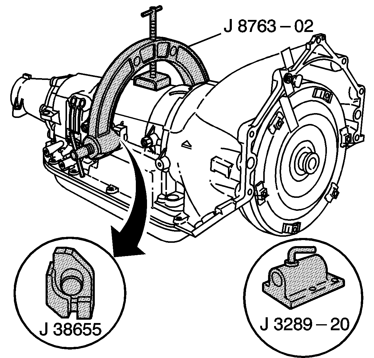
Tools Required
•
J 3289-20
Holding Fixture Base Assembly
•
J 8763-02
Transmission Holding Fixture
•
J 38655
Holding Fixture Adapter
Remove the transmission assembly and the
J 8763-02
from the
J 3289-20
.
Remove the
J 8763-02
and the
J 38655
.