GM Service Manual Online
For 1990-2009 cars only
Figure 1:

Case and Associated Parts (1 of 3)


Object Number: 335075  Size: MF
(1)Torque Converter Assembly
(2)Turbine Shaft Front Oil Seal Ring
(3)A/Trans O/Pump Bolt and Seal Assembly
(4)A/Trans Oil Pump Assembly
(5)A/Trans Oil Pump Seal
(6)A/Trans Oil Pump Gasket
(7)A/Trans Case Assembly
(8)Transmission Oil Cooler Pipe Connector
(9)Vent Pipe
(10)Nameplate Pin
(11)A/Trans Name Plate
(12)Orifice Lube Oil - 2WD Plug Case - 4WD
(13)Output Shaft Seal
(14)Output Shaft Seal Retainer Ring
(15)Case Extension Seal
(16)Bearing Retainer Ring
(17)Ball Bearing Assembly
(17)Ball Bearing Assembly
(18)Bearing Spacer
(19)Case Extension Assembly
(19)Case Extension Assembly
(20)Prop Shaft Front Slip Yoke Oil Seal Assembly
(20)Prop Shaft Front Slip Yoke Oil Seal Assembly
(20)Prop Shaft Front Slip Yoke Oil Seal Assembly
(21)Case Extension Bolt
(21)Case Extension Bolt
(22)A/T Input Speed and 2WD Output Speed Sensor Assembly (4WD Plug)
(23)Input Speed and Output Speed Sensor Bolt
(24)Line Pressure Test Hole Plug
(77)Prop Shaft Front Slip Yoke Bushing
(78)Output Shaft Bushing
(79)Direct Oil Gal - 0.25 Diameter Cup Plug
(80)Manual 2-1 Band Anchor Pin
(81)Low and Reverse Band Anchor Pin
(89)Transmission Oil Cooler Pipe Retainer (Some Models)
(89)Transmission Oil Cooler Pipe Retainer (Some Models)
(90)Transmission Rear Oil Cooler Pipe Fitting
(91)Transmission Rear Oil Cooler Pipe Fitting Seal
Figure 2:

Case and Associated Parts (2 of 3)


Object Number: 335076  Size: LF
(7)A/Trans Case Assembly
(27)Transmission Oil Pan Bolt
(28)Transmission Oil Pan
(29)Transmission Oil Pan Gasket
(30)A/Trans Oil Pan Magnet
(31)Transmission Oil Filter Assembly
(32)Filter Neck Seal Assembly
(33)A/Trans Wiring Harness Clamp
(34)A/Trans Wiring Harness Assembly
Figure 3:

Case and Associated Parts (3 of 3)


Object Number: 335077  Size: LF
(7)A/Trans Case Assembly
(25)Center Support Bolt
(26)Fourth Clutch Housing Bolt
(33)Electrical Cable Clamp
(35)Control Valve Body Assembly Bolt
(35)Control Valve Body Assembly Bolt
(37)Lube Oil Pipe Retainer
(39)Lube Oil Pipe
(40)A/T Fluid Pressure Manual Valve Position Switch
(41)Manual Shift Shaft Detent Spring Assembly
(44)Control Valve Assembly (w/Body and Valves)
(45)Control Valve Body Gasket
(46)Control Valve Body Spacer Plate
(47)Accumulator Housing Gasket
(48)Control Valve Body Spacer Plate Gasket
(49)4th Clutch Accumulator Piston Spring
(50)3rd Clutch Accumulator Piston Spring
(51)3rd and 4th Clutch Accumulator Housing
(53)3rd and 4th Clutch Accumulator Housing Bolt
(54)Control Valve Body Ball Check Valve
(55)Manual 2-1 Band Servo Piston Pin
(56)Manual 2-1 Band Servo Piston Pin Retainer Ring
(57)Manual 2-1 Band Servo Piston Seal
(58)Manual 2-1 Band Servo Piston
(60)Manual 2-1 Band Servo Piston Cushion Spring
(61)Low and Reverse Band Servo Cover Bolt
(62)Low and Reverse Band Servo Cover
(63)Low and Reverse Band Servo Cover Gasket
(64)Low and Reverse Band Servo Piston Pin Retainer Ring
(65)Low and Reverse Band Servo Piston
(66)Low and Reverse Band Servo Piston Seal
(67)Low and Reverse Accumulator Piston Outer Oil Seal Ring
(68)1-2 Accumulator Piston
(69)Low and Reverse Accumulator Piston Inner Oil Seal Ring
(71)Low and Reverse Band Servo Piston Spring
(72)Low and Reverse Band Servo Piston Spring Retainer
(73)Low and Reverse Band Servo Piston Pin (Selective)
(74)Low and Reverse Accumulator Piston Spring
(75)TCC Solenoid Valve Screen
(76)TFP Manual Valve Position Switch Bolt
(87)Low and Reverse Band Servo Piston Spacer
(88)1-2 Accumulator Piston Spring Assembly
Figure 4:

Oil Pump Assembly


Object Number: 181739  Size: LF
(5)A/Trans Oil Pump Seal
(201)Torque Converter Oil Seal Assembly
(202)Torque Converter Bushing
(203)Oil Pump Body Assembly
(204)Oil Pump Driven Gear
(205)Oil Pump Drive Gear
(206)Oil Pump Cover
(207)Oil Pump Cover Plug
(207)Oil Pump Cover Plug
(207)Oil Pump Cover Plug
(207)Oil Pump Cover Plug
(208)Converter Limit Valve Bypass Orificed Cup Plug
(209)Oil Pump Cover Plug
(209)Oil Pump Cover Plug
(210)Line Air Bleed Orificed Cup Plug
(211)Pressure Regulator Valve Bore Plug Pin
(211)Pressure Regulator Valve Bore Plug Pin
(211)Pressure Regulator Valve Bore Plug Pin
(212)Converter Regulator Valve Bore Plug
(213)Converter Regulator Valve Spring
(214)Converter Regulator Valve
(215)TCC Enable Valve Spring Retainer Sleeve
(216)TCC Enable Valve Spring
(217)TCC Enable Valve
(218)Overrun Clutch Housing Thrust Washer
(219)Overrun Clutch Housing Oil Seal Ring
(220)Oil Pump Cover Bolt
(221)TCC Shift Valve Bore Plug Retainer Ring
(223)TCC Shift Valve
(224)TCC Shift Valve Spring
(225)TCC Shift Valve Spring Seat
(226)Retainer Ring (Reverse Boost Valve Bushing)
(227)Reverse Boost Valve Bushing
(228)Reverse Boost Valve
(229)Pressure Regulator Valve Spring Retainer
(230)Pressure Regulator Valve Outer Spring
(231)Pressure Regulator Valve
(232)TCC Shift Valve Lower and Pressure Regulator Valve Bore Plug
(232)TCC Shift Valve Lower and Pressure Regulator Valve Bore Plug
(233)Turbine Shaft Front Bushing
(234)Turbine Shaft Rear Bushing
(235)Stator Shaft
(236)Pressure Regulator Valve Feedback Orificed Cup Plug
(237)Converter Limit Valve Feedback Orificed Cup Plug
(238)Pressure Regulator Valve Inner Spring
(239)Vent Passage Splash Shield
Figure 5:

Control Valve Body Assembly (1 of 2)


Object Number: 54721  Size: SF
(301)Control Valve Body
(302)Pressure Control Solenoid Valve Fluid Filter Assembly
(303)Shift Valve Fluid Filter Bore Plug Pin
(303)Shift Valve Fluid Filter Bore Plug Pin
(303)Shift Valve Fluid Filter Bore Plug Pin
(303)Shift Valve Fluid Filter Bore Plug Pin
(304)Low-Reverse Ball Valve Seat
(305)Low-Reverse Ball Valve
(305)Low-Reverse Ball Valve
(307)3rd Ball Valve Bushing Seal
(308)3-4 Shift Valve
(309)2-3, 3-4 Shift Valve Spring
(309)2-3, 3-4 Shift Valve Spring
(310)Solenoid Bolt (1-2 and 2-3 Shift Valve)
(310)Solenoid Bolt (1-2 and 2-3 Shift Valve)
(311)2-3 Shift Solenoid Valve Assembly
(312)2-3 Shift Valve
(313)1-2 Shift Solenoid Valve Assembly
(314)1-2 Shift Valve
(315)1-2 Shift Valve Spring
(316)Shift Valve Fluid Filter Bore Plug
(317)Shift Solenoid Valve Fluid Filter Assembly
(318)Low-Reverse Ball Valve Seat Pin
(334)Reverse Ball Valve Bushing
(335)3rd Ball Valve Bushing
Figure 6:

Control Valve Body Assembly (2 of 2)


Object Number: 54726  Size: SF
(301)Control Valve Body
(303)Shift Valve Accumulator Valve Bore Plug Pin
(303)Shift Valve Accumulator Valve Bore Plug Pin
(310)Pressure Control Solenoid Clamp Bolt
(319)Manual Valve
(320)Pressure Control Solenoid Valve Assembly
(321)Pressure Control Solenoid Clamp
(322)TCC PWM Solenoid Valve Retainer
(323)TCC PWM Solenoid Valve Assembly
(324)TCC Regulator Apply Valve
(325)TCC Regulator Apply Valve Spring
(327)Actuator Feed Limit Valve Spring
(328)Actuator Feed Limit Valve
(329)Accumulator Valve Bore Plug
(330)Accumulator Valve Spring
(331)Accumulator Valve
(333)Actuator Feed Limit Valve Spring Retainer
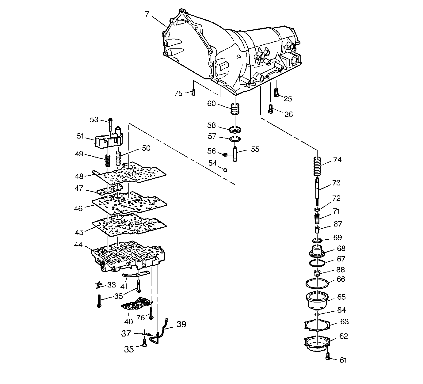
Figure 7:

Accumulator Assembly


Object Number: 40656  Size: MF
(49)4th Clutch Accumulator Piston Spring
(50)3rd Clutch Accumulator Piston Spring
(51)3rd and 4th Clutch Accumulator Housing
(53)3rd and 4th Clutch Accumulator Housing Bolt
(402)4th Clutch Accumulator Piston Pin Ring
(404)3rd and 4th Clutch Accumulator Piston Seal
(404)3rd and 4th Clutch Accumulator Piston Seal
(405)3rd Clutch Accumulator Piston
(406)3rd Clutch Accumulator Piston Inner Seal
(407)4th Clutch Accumulator Piston
(408)4th Clutch Accumulator Piston Pin
Figure 8:

Overrun Clutch Assembly


Object Number: 54755  Size: LF
(501)Turbine Shaft Intermediate Oil Seal Ring
(502)Turbine Shaft
(503)Turbine Shaft Rear Oil Seal Ring
(504)Overrun Clutch Housing Assembly
(505)Overrun Clutch Piston Assembly
(506)Overrun Clutch Spring Assembly
(507)Overrun Clutch Spring Retainer Ring
(508)Overrun Clutch Plate
(509)Overrun Clutch Plate Assembly
(510)Overrun Clutch Backing Plate
(511)Overrun Clutch Backing Plate Retainer Ring
(512)Overdrive Clutch Roller Assembly
(513)Overrun Clutch Housing Bearing Assembly
(514)Overdrive Carrier Assembly
(515)Overdrive Carrier Pinion Gear Thrust Washer
(515)Overdrive Carrier Pinion Gear Thrust Washer
(516)Overdrive Carrier Pinion Gear Thrust (Steel) Washer
(516)Overdrive Carrier Pinion Gear Thrust (Steel) Washer
(517)Overdrive Carrier Pinion Gear Bearing Roller
(518)Overdrive Carrier Pinion Gear
(519)Overdrive Carrier Pinion Gear Pin
(520)Overdrive Carrier Pinion Gear Pin Retainer
(521)Overdrive Carrier Pinion Gear Pin Retainer Retaining Ring
(522)Overdrive Carrier Retainer Ring
(534)Turbine Shaft Plug
(537)Direct Clutch Housing Ball Check Valve
Figure 9:

Fourth Clutch Assembly


Object Number: 335078  Size: MF
(523)4th Clutch Backing Plate Retainer Ring
(524)4th Clutch Backing Plate
(525)4th Clutch Plate Assembly
(526)4th Clutch Plate
(527)4th Clutch Piston Inner Seal
(528)4th Clutch Piston
(529)4th Clutch Housing
(530)4th Clutch Orifice
(531)4th Clutch Piston Outer Seal
(532)4th Clutch Spring Assembly
(533)4th Clutch Spring Retainer Ring
Figure 10:

Forward Clutch Assembly


Object Number: 54722  Size: MF
(601)Overdrive Carrier/Forward Clutch Thrust Bearing Assembly
(602)Forward Clutch Housing Assembly
(606)Forward Clutch Piston Assembly
(607)Forward Clutch Spring Assembly
(608)Forward Clutch Spring Retainer Ring
(609)Forward Clutch (Waved) Plate
(610)Forward Clutch Plate
(611)Forward Clutch Plate Assembly
(612)Forward Clutch Housing Thrust Washer
(613)Forward Clutch Hub
(614)Direct Clutch Housing Thrust Washer
(615)Direct Clutch Hub
(616)Direct Clutch Hub Retainer Ring
(685)Forward Clutch Piston Intermediate Seal Assembly
Figure 11:

Direct Clutch and Intermediate Sprag Assembly


Object Number: 335079  Size: MF
(537)Direct Clutch Housing Ball Check Valve
(607)Direct Clutch Spring Assembly
(608)Direct Clutch Spring Retainer Ring
(609)Direct Clutch (Waved) Plate
(611)Direct Clutch Plate Assembly
(616)Direct Clutch Backing Plate Retaining Ring
(617)Direct Clutch Backing Plate
(618)Direct Clutch Plate
(619)Direct Clutch Piston Assembly
(622)Direct Clutch Piston Intermediate Seal
(623)Direct Clutch Housing Assembly
(624)Intermediate Clutch Sprag Assembly
(625)Intermediate Clutch Roller Race (Outer)
(626)Intermediate Clutch Roller Retainer
(627)Intermediate Clutch Roller Retainer Retaining Ring
Figure 12:

Intermediate Clutch Plates and Manual 2-1 Band Assembly


Object Number: 335080  Size: SF
(628)Manual 2-1 Band Assembly
(629)Intermediate Clutch Backing Plate Retainer Ring
(630)Intermediate Clutch Backing Plate
(631)Intermediate Clutch Plate Assembly
(632)Intermediate Clutch Plate
(633)Center Support Retaining Ring
(684)Intermediate Clutch Plate (Waved)
Figure 13:

Center Support and Gear Unit Assembly


Object Number: 335081  Size: LF
(530)Intermediate Clutch Orifice
(634)Intermediate Clutch Spring Retainer Ring
(635)Intermediate Clutch Spring Assembly
(636)Intermediate Clutch Piston
(637)Intermediate Clutch Piston Inner Seal
(638)Intermediate Clutch Piston Outer Seal
(639)Direct Clutch Housing Oil Seal Ring
(640)Center Support Assembly
(642)Thrust Reaction Carrier Washer
(643)Center Support Spacer
(644)Low Clutch Roller Assembly
(646)Sun Gear Front Thrust Bearing Race
(647)Sun Gear Front/Rear Internal Gear Thrust Bearing Assembly
(647)Sun Gear Front/Rear Internal Gear Thrust Bearing Assembly
(648)Sun Gear Front Thrust Bearing Race
(648)Sun Gear Front Thrust Bearing Race
(649)Sun Gear Shaft Assembly
(650)Sun Gear
(651)Reaction Carrier Assembly
(652)Reaction Carrier Pinion Gear Thrust (Bronze) Washer
(652)Reaction Carrier Pinion Gear Thrust (Bronze) Washer
(652)Reaction Carrier Pinion Gear Thrust (Bronze) Washer
(652)Reaction Carrier Pinion Gear Thrust (Bronze) Washer
(653)Reaction Carrier Pinion Gear Thrust (Steel) Washer
(653)Reaction Carrier Pinion Gear Thrust (Steel) Washer
(653)Reaction Carrier Pinion Gear Thrust (Steel) Washer
(653)Reaction Carrier Pinion Gear Thrust (Steel) Washer
(654)Reaction Carrier Pinion Gear Bearing Roller
(654)Reaction Carrier Pinion Gear Bearing Roller
(655)Reaction Carrier Pinion Gear
(655)Reaction Carrier Pinion Gear
(656)Reaction Carrier Pinion Gear Pin
(656)Reaction Carrier Pinion Gear Pin
(657)Low and Reverse Band Assembly
(659)Output Carrier Thrust Washer
(660)Vehicle Speed Sensor Reluctor Ring
(661)Output Carrier Assembly
(662)Main Shaft
(663)Sun Gear Rear Thrust Bearing Race
(664)Sun Gear Rear Thrust Bearing Assembly
(665)Sun Gear Rear Thrust Bearing Race
(666)Rear Internal Gear
(669)Rear Internal Gear Thrust Bearing Race
(670)Main Shaft Retainer Ring
(671)Output Shaft Assembly
(672)Output Shaft Retainer Ring
(673)Output Shaft Thrust Washer
(674)Thrust Selective Washer
(675)Output Shaft Seal
(676)Main Shaft Bushing
(676)Main Shaft Bushing
(677)Rear Internal Gear Bushing
(678)Center Support Oil Passage Sleeve
(681)Reaction Carrier Bushing
(682)Transmission Output Shaft Yoke Seal Sleeve
(683)Output Shaft Seal
(690)Center Support Oil Cooler Pipe Fitting Seal
(691)Rear Internal Gear Thrust Washer
Figure 14:

Parking Lock and Actuator Assembly


Object Number: 40663  Size: MF
(701)Parking Pawl Shaft Hole Plug
(702)Parking Pawl Shaft
(703)Parking Pawl
(704)Parking Pawl Shaft Retainer
(705)Parking Pawl Spring
(707)Manual Shift Shaft Seal
(708)Manual Shift Shaft
(708)Manual Shift Shaft
(709)Manual Shift Shaft Pin
(710)Parking Pawl Actuator Assembly
(711)Manual Shift Shaft Detent Lever Assembly
(712)Manual Shift Shaft Detent Lever Nut
(713)Parking Pawl Actuator Bracket
(714)Parking Pawl Actuator Bracket Bolt