GM Service Manual Online
For 1990-2009 cars only
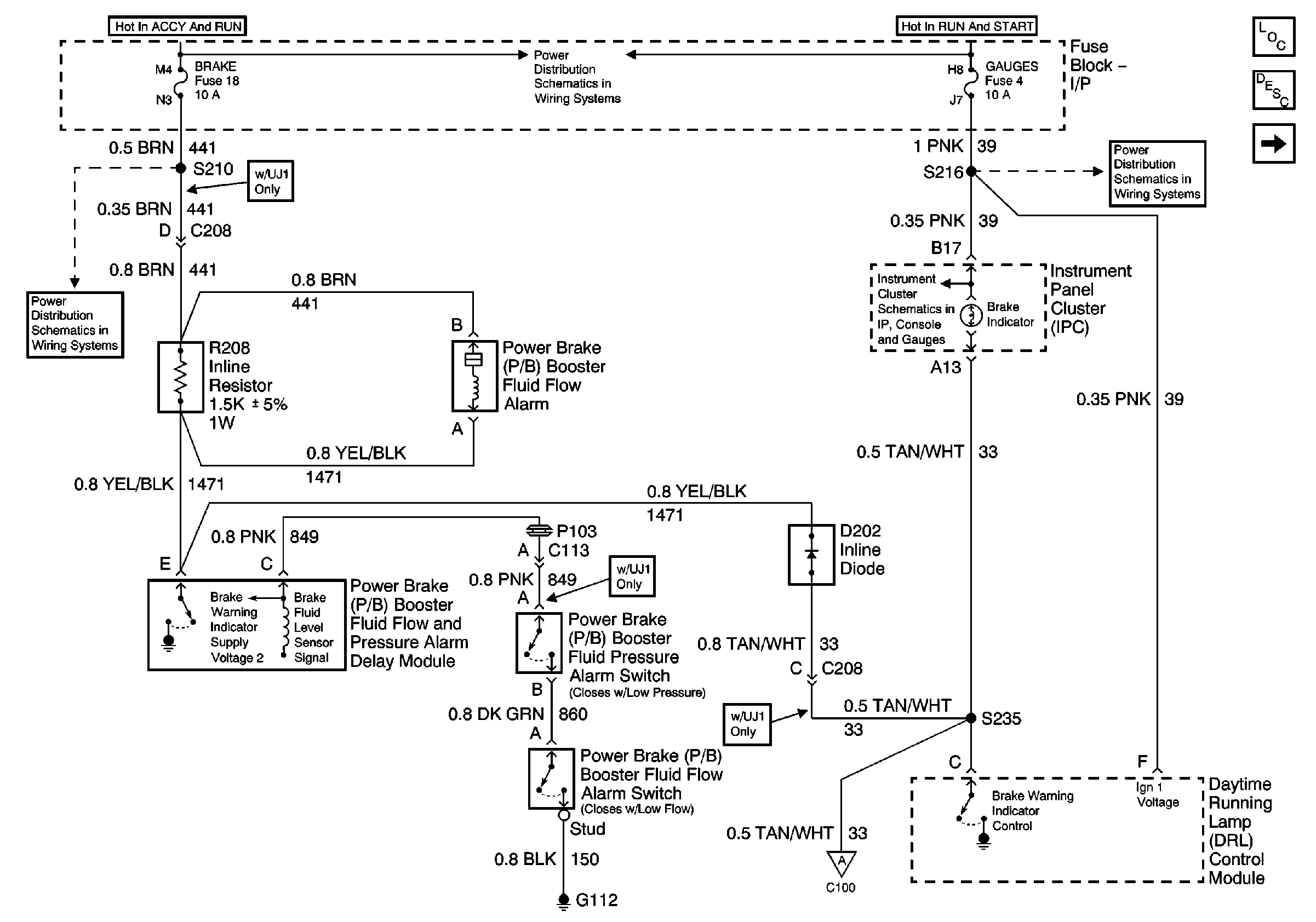
Figure 1:

PWR, Switch and Alarm Delay Module


Object Number: 782928  Size: FS
Master Electrical Component List
Brake Warning System Description and Operation DRL Equipped
PWR, GND and DRL Module
Cruise, Heater A/C, and Brake Fuses
Ignition A, Ignition B Fuses, and Ignition Switch
Headlamp Switch, Instrument Cluster, Park/Neutral Position Switch
PWR, GND and DRL Module
Gages Fuse
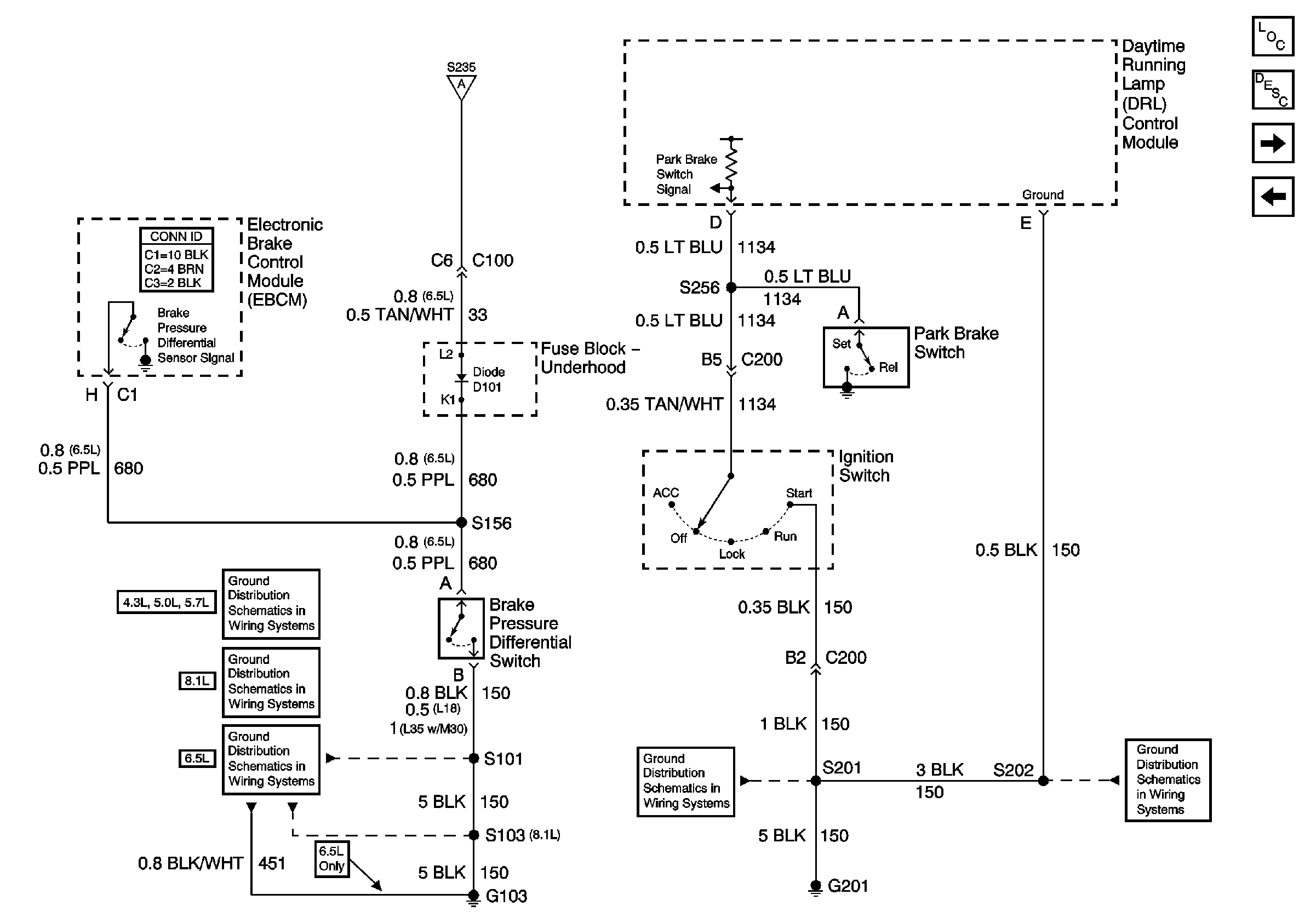
Figure 2:

PWR, GND and DRL Module


Object Number: 782932  Size: FS
Master Electrical Component List
Brake Warning System Description and Operation DRL Equipped
PWR, Switch and Alarm Delay Module (Non DRL)
PWR, Switch and Alarm Delay Module
G103 - 4.3L, 5.0L, and 5.7L Engines
G103 - 8.1L Engine
G103 - 6.5L Diesel Engine
PWR, Switch and Alarm Delay Module
G201
Components through S202 and S205 to G201
Figure 3:

PWR, Switch and Alarm Delay Module (Non DRL)


Object Number: 782935  Size: FS
Master Electrical Component List
Brake Warning System Description and Operation Without DRLs
PWR, GND and DRL Module
Cruise, Heater A/C, and Brake Fuses
Ignition A, Ignition B Fuses, and Ignition Switch
Headlamp Switch, Instrument Cluster, Park/Neutral Position Switch
Gages Fuse
G103 - 4.3L, 5.0L, and 5.7L Engines
G103 - 6.5L Diesel Engine
G201