GM Service Manual Online
For 1990-2009 cars only
Makes
🢒
Chevrolet
🢒
2002
🢒
Express
🢒
Body and Accessories
🢒
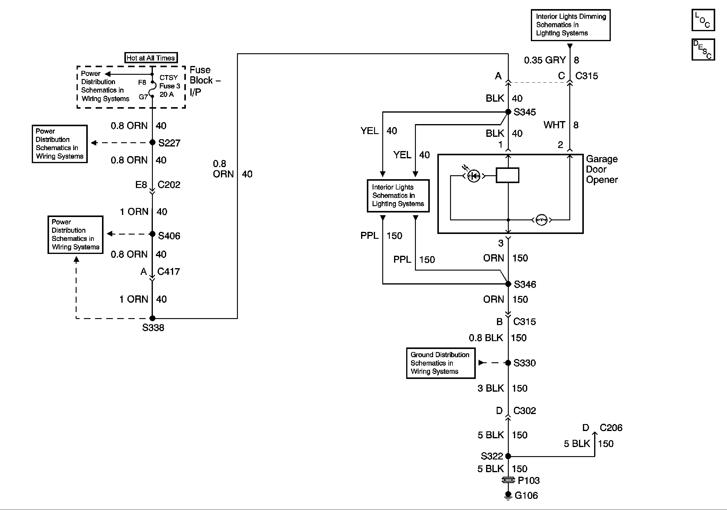
Garage Door Opener
🢒 Garage Door Opener Schematics
Master Electrical Component List
Garage Door Opener Description and Operation
Lighting and Battery Fuses
Courtesy, Air Bags, and Turn Backup Fuses
Circuit 40 with Y91
Dome and Reading Lamps with Y91
G106 with Y91
Additional Control Illumination Lamps with Y91