GM Service Manual Online
For 1990-2009 cars only
Makes
🢒
Chevrolet
🢒
2002
🢒
Express
🢒
Body and Accessories
🢒
Horns
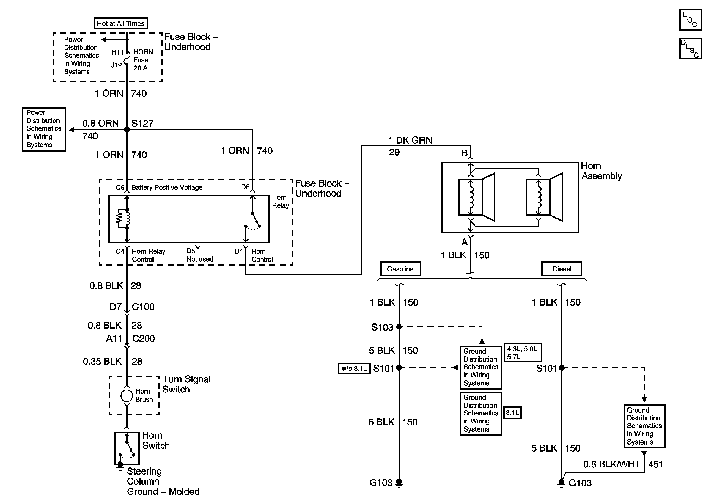
🢒 Horn Schematics
Master Electrical Component List
Horns System Description and Operation
Battery, Auxiliary Battery, and Underhood Fuse/Relay Center
ECM B, Horn, and A/C Fuses
G103 - 4.3L, 5.0L, and 5.7L Engines
G103 - 8.1L Engine
G103 - 6.5L Diesel Engine