GM Service Manual Online
For 1990-2009 cars only
Figure 1:

Headlamp Switch, Instrument Cluster, Park/Neutral Position Switch


Object Number: 767667  Size: FS
Master Electrical Component List
Indicator/Warning Message Description and Operation
Indicators 1 of 2 - Gas
Illumination Fuse and Headlamp Switch
Lighting and Battery Fuses
Ignition A, Ignition B Fuses, and Ignition Switch
Ignition A, Ignition B Fuses, and Ignition Switch
Illumination Fuse and Headlamp Switch
ILLUM and PARK LPS Fuses
Radio 1, Wiper, Transmission, and Crank Fuses
Gages Fuse
Rear Speakers
G101 - Gasoline Engines
G101 - Diesel Engine
Park/Neutral Position Switch
Park/Neutral Position Switch
Figure 2:

Indicators 1 of 2 - Gas


Object Number: 767668  Size: FS
Master Electrical Component List
Indicator/Warning Message Description and Operation
Indicators 1 of 2 - Diesel
Headlamp Switch, Instrument Cluster, Park/Neutral Position Switch
SIR, Air Bags Fuse, Gauges Fuse, Multi Function Alarm Module
PWR, Switch and Alarm Delay Module
Power, Ground, DLC and Indicator
Figure 3:

Indicators 1 of 2 - Diesel


Object Number: 767669  Size: FS
Master Electrical Component List
Indicator/Warning Message Description and Operation
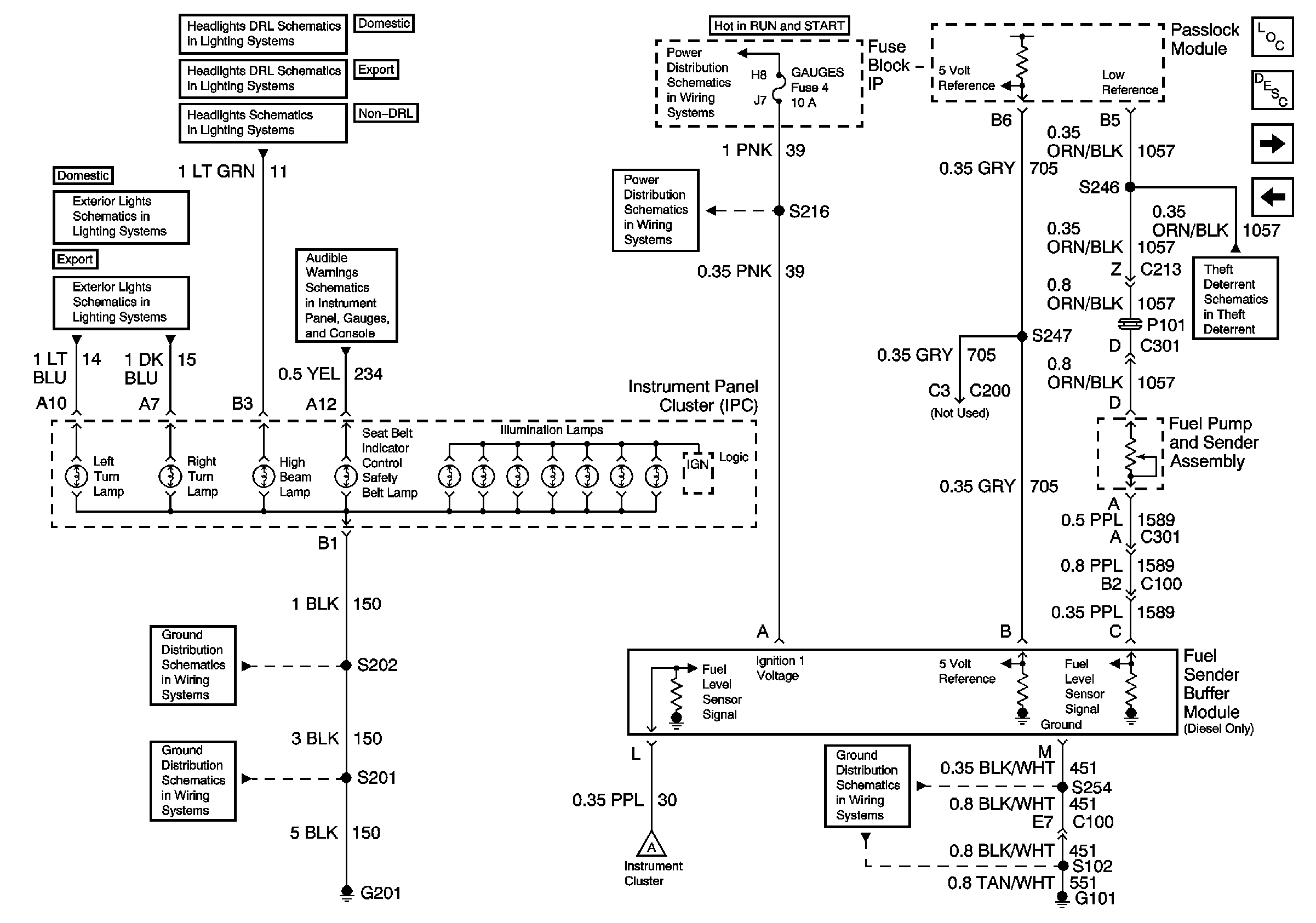
Indicators 2 of 2 - Gas and Diesel and Fuel Sender Buffer Module- Diesel Only
Indicators 1 of 2 - Gas
G103 - 6.5L Diesel Engine
Engine Cooling Schematics
SIR, Air Bags Fuse, Gauges Fuse, Multi Function Alarm Module
PWR, Switch and Alarm Delay Module
Power, Ground, DLC and Indicator
Figure 4:

Indicators 2 of 2 - Gas and Diesel and Fuel Sender Buffer Module - Diesel Only


Object Number: 767670  Size: FS
Master Electrical Component List
Indicator/Warning Message Description and Operation
Gages
Indicators 1 of 2 - Diesel
DRL Control Module, Headlamp and Dimmer Switches
DRL Rear Park Lamp Relay
Headlamp and Dimmer Switches (Export)
Hazard Warning Switch, Turn/Hazard Lamp Flasher
Turn/Hazard Lamp Flasher
Components through S202 and S205 to G201
G201
GAGES, ILLUM, HAZARD, PARK LPS Fuses; Multi-Function Alarm Module; Left Front Door Jamb Switch; G201 (Gas)
Ignition A, Ignition B Fuses, and Ignition Switch
Gages Fuse
Gages
G101 - Diesel Engine
Passlock - Diesel
Figure 5:

Gages


Object Number: 767672  Size: FS
Master Electrical Component List
Indicator/Warning Message Description and Operation
Indicators 2 of 2 - Gas and Diesel and Fuel Sender Buffer Module- Diesel Only
G101 - Gasoline Engines
G101 - Diesel Engine
Indicators 2 of 2 - Gas and Diesel and Fuel Sender Buffer Module- Diesel Only
Fuel Controls: Fuel Pump Controls
Fuel Controls: Fuel Pump Controls
Fuel Controls: Fuel Pump Controls
Engine Data Sensors: Pressure and Temperature, MAF and VSS