GM Service Manual Online
For 1990-2009 cars only
Makes
🢒
Chevrolet
🢒
2002
🢒
Express
🢒
Body and Accessories
🢒
Lighting Systems
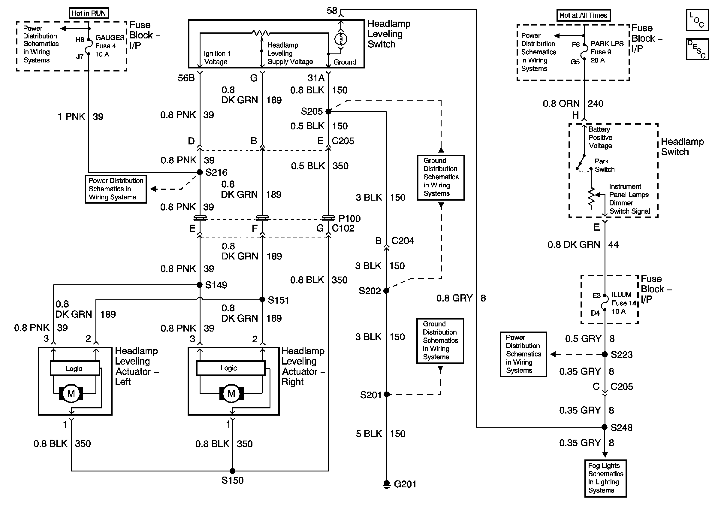
🢒 Headlight Leveling Schematics
Master Electrical Component List
Exterior Lighting Systems Description and Operation
Ignition A, Ignition B Fuses, and Ignition Switch
Gages Fuse
Illumination Fuse and Headlamp Switch
Components through S202 and S205 to G201
G201
Rear Fog Lamps (Export)
Lighting and Battery Fuses