GM Service Manual Online
For 1990-2009 cars only
Figure 1:

Module Power, Ground, Serial Data and MIL


Object Number: 757158  Size: FS
Master Electrical Component List
Powertrain Control Module Description
Engine Data Sensors: Pressure and Temperature
OBD II Symbol Description Notice
Battery, Auxiliary Battery, and Underhood Fuse/Relay Center
Ignition A, Ignition B Fuses, and Ignition Switch
Ignition A, Ignition B Fuses, and Ignition Switch
Gages Fuse
ECM B, Horn, and A/C Fuses
ECM 1 and Ignition E Fuses - 5.0L and 5.7L
Headlamp Switch, Instrument Cluster, Park/Neutral Position Switch
G101 - Gasoline Engines
G101 - Gasoline Engines
Data Link Connector (DLC)
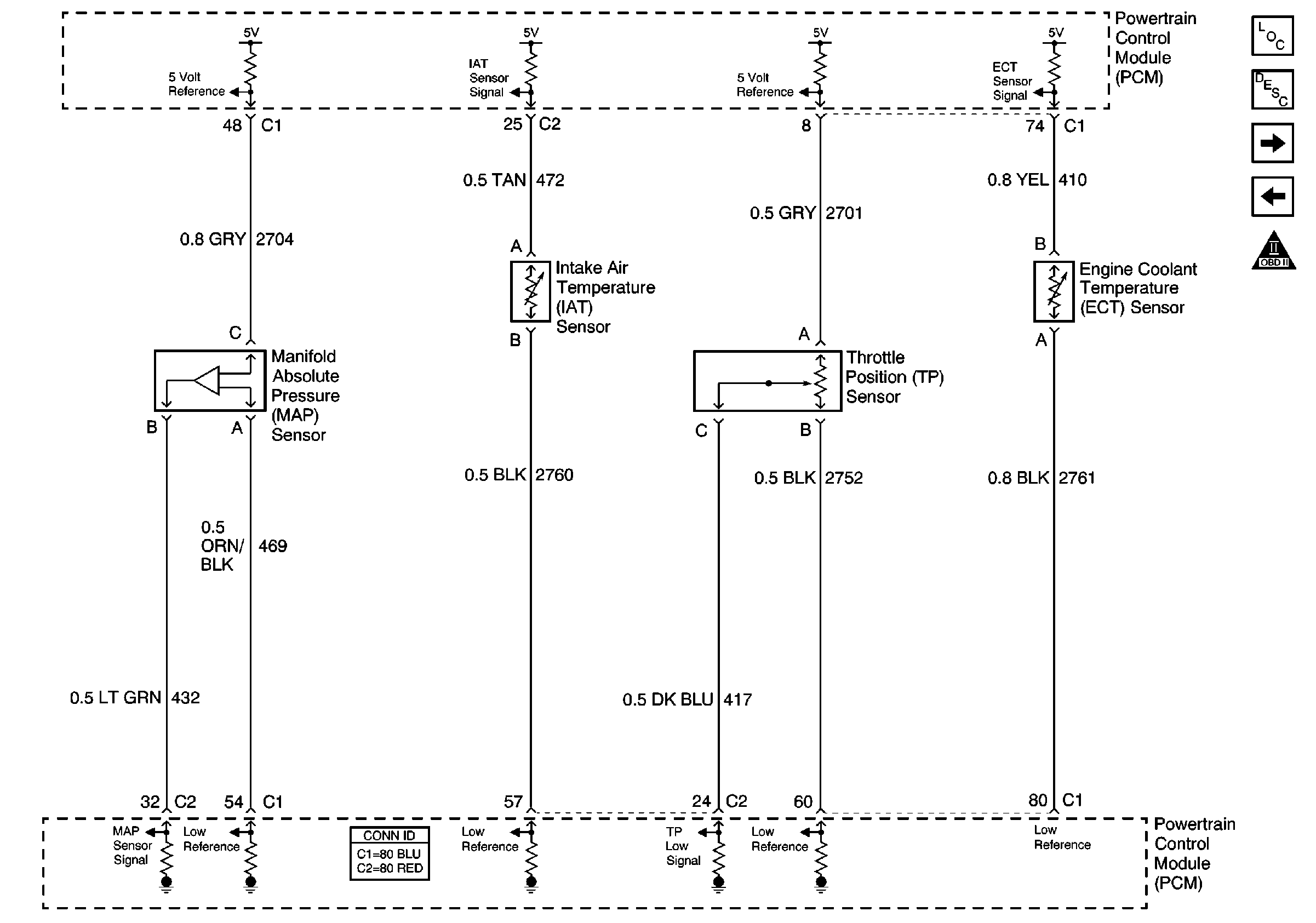
Figure 2:

Engine Data Sensors: Pressure and Temperature


Object Number: 757163  Size: FS
Master Electrical Component List
Powertrain Control Module Description
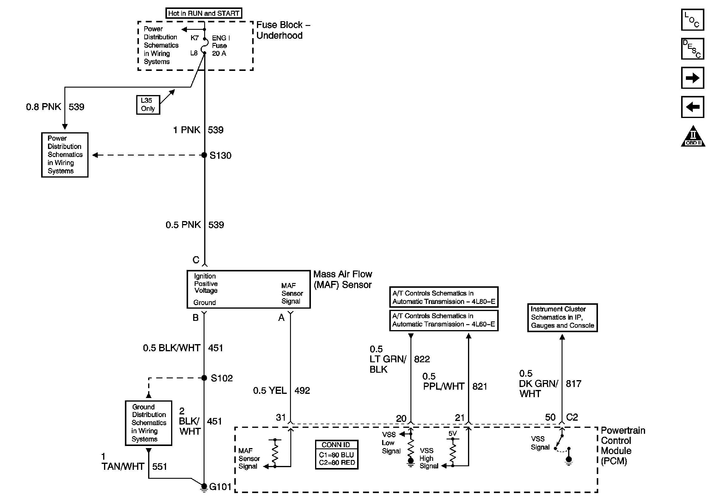
Engine Data Sensors: MAF and VSS
Module Power, Ground, Serial Data and MIL
OBD II Symbol Description Notice
Figure 3:

Engine Data Sensors: MAF and VSS


Object Number: 756912  Size: FS
Master Electrical Component List
Powertrain Control Module Description
Engine Data Sensors: Heated Oxygen Sensors (5.0L, 5.7L with 4L60-E)
Engine Data Sensors: Pressure and Temperature
OBD II Symbol Description Notice
Ignition A, Ignition B Fuses, and Ignition Switch
Engine 1 Fuse - 4.3L, 5.0L, and 5.7L
G101 - Gasoline Engines
Gages
PWR and VSS Controls
Switches And VSS
Figure 4:

Engine Data Sensors: Heated Oxygen Sensors (5.0L, 5.7L with 4L60-E)


Object Number: 757187  Size: FS
Master Electrical Component List
Powertrain Control Module Description
Engine Data Sensors: Heated Oxygen Sensors (5.0L, 5.7L with 4L80-E)
Engine Data Sensors: MAF and VSS
OBD II Symbol Description Notice
Ignition A, Ignition B Fuses, and Ignition Switch
Engine 1 Fuse - 4.3L, 5.0L, and 5.7L
G103 - 4.3L, 5.0L, and 5.7L Engines
Components through S152 to G103 - Gasoline Engines
Figure 5:

Engine Data Sensors: Heated Oxygen Sensors (5.0L, 5.7L with 4L80-E)


Object Number: 757188  Size: FS
Master Electrical Component List
Powertrain Control Module Description
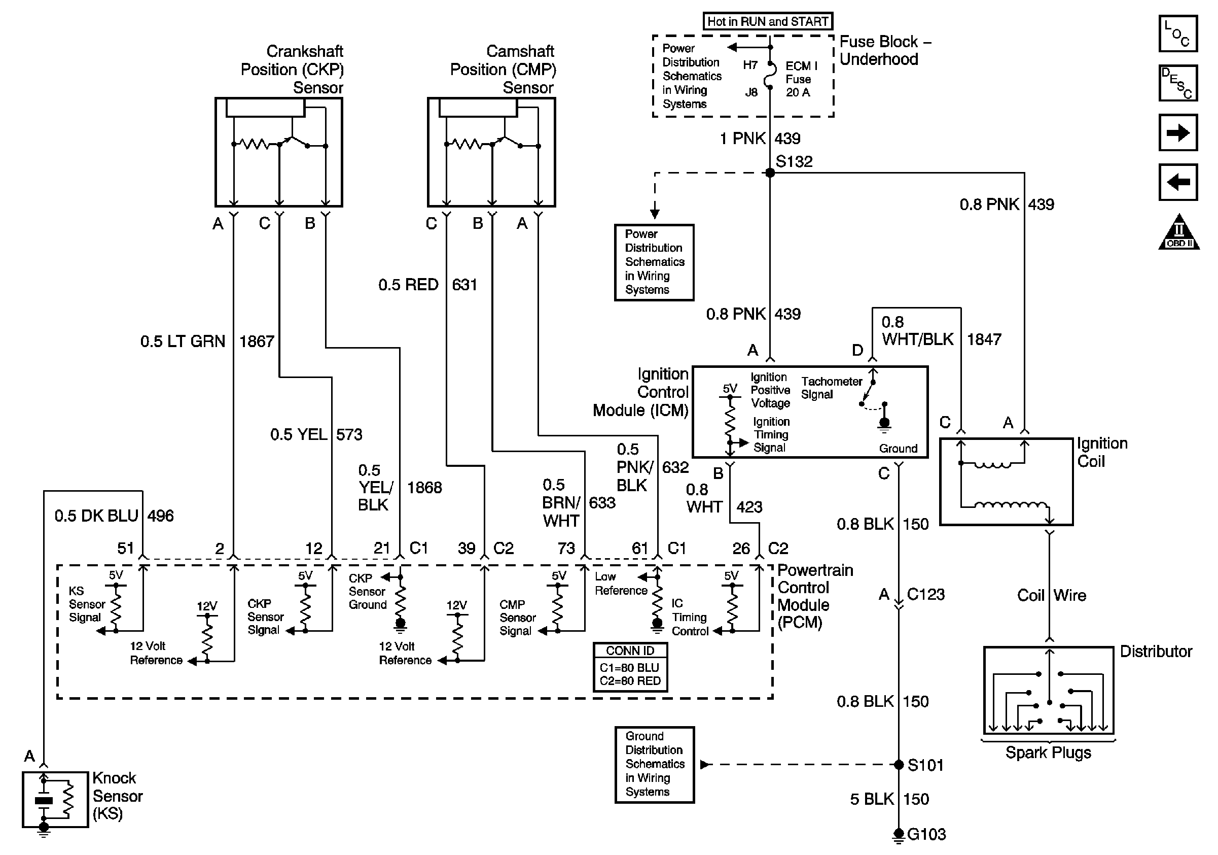
Ignition Controls
Engine Data Sensors: Heated Oxygen Sensors (5.0L, 5.7L with 4L60-E)
OBD II Symbol Description Notice
Ignition A, Ignition B Fuses, and Ignition Switch
Engine 1 Fuse - 4.3L, 5.0L, and 5.7L
G103 - 4.3L, 5.0L, and 5.7L Engines
Components through S152 to G103 - Gasoline Engines
Figure 6:

Ignition Controls


Object Number: 757159  Size: FS
Master Electrical Component List
Powertrain Control Module Description
Fuel Controls: Fuel Pump Controls
Engine Data Sensors: Heated Oxygen Sensors (5.0L, 5.7L with 4L80-E)
OBD II Symbol Description Notice
Ignition A, Ignition B Fuses, and Ignition Switch
ECM 1 and Ignition E Fuses - 5.0L and 5.7L
G103 - 4.3L, 5.0L, and 5.7L Engines
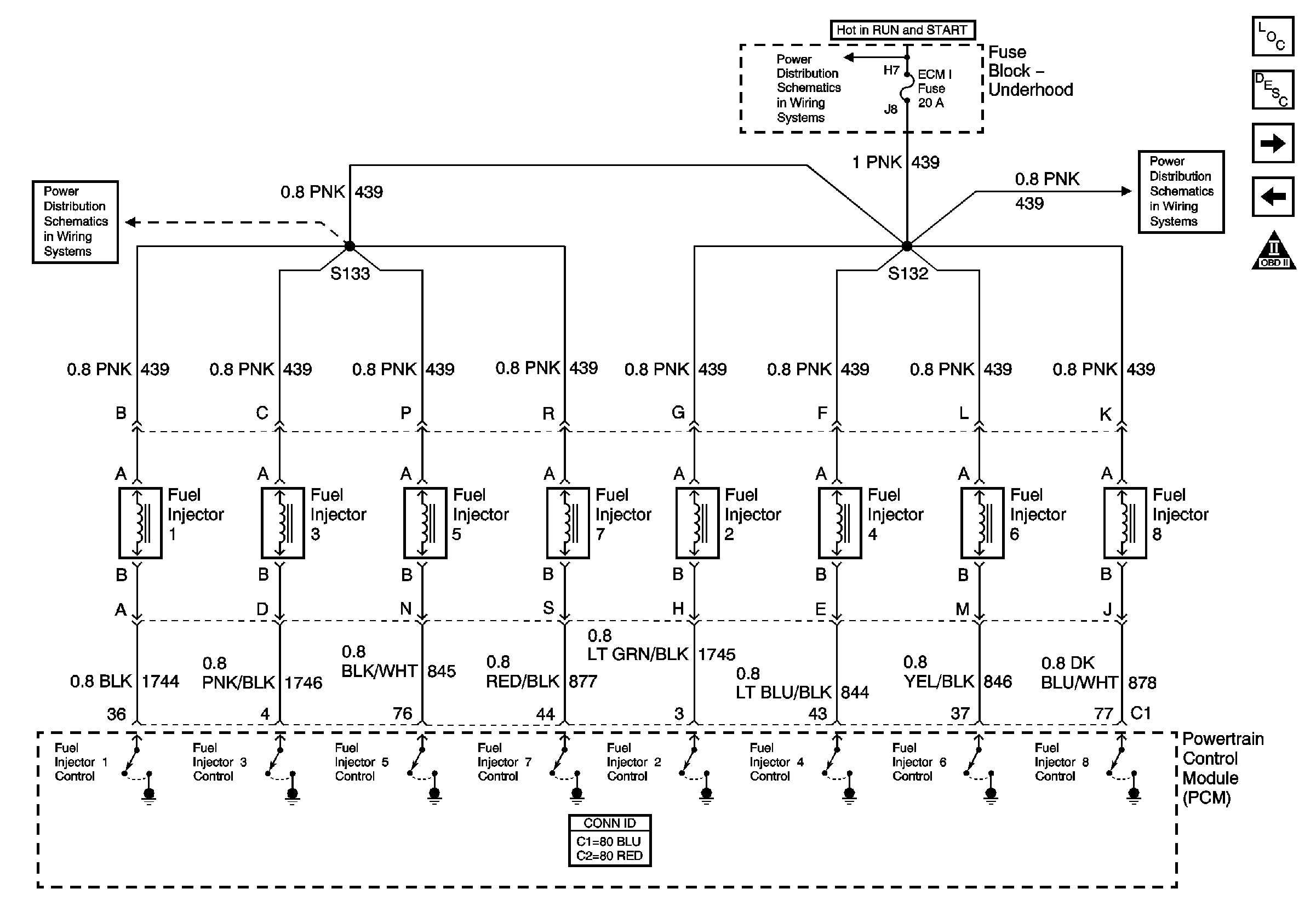
Figure 7:

Fuel Controls: Fuel Pump Controls


Object Number: 757160  Size: FS
Master Electrical Component List
Powertrain Control Module Description
Fuel Controls: Fuel Injectors
Ignition Controls
OBD II Symbol Description Notice
Battery, Auxiliary Battery, and Underhood Fuse/Relay Center
ECM B, Horn, and A/C Fuses
Gages
G103 - 4.3L, 5.0L, and 5.7L Engines
G101 - Gasoline Engines
Gages
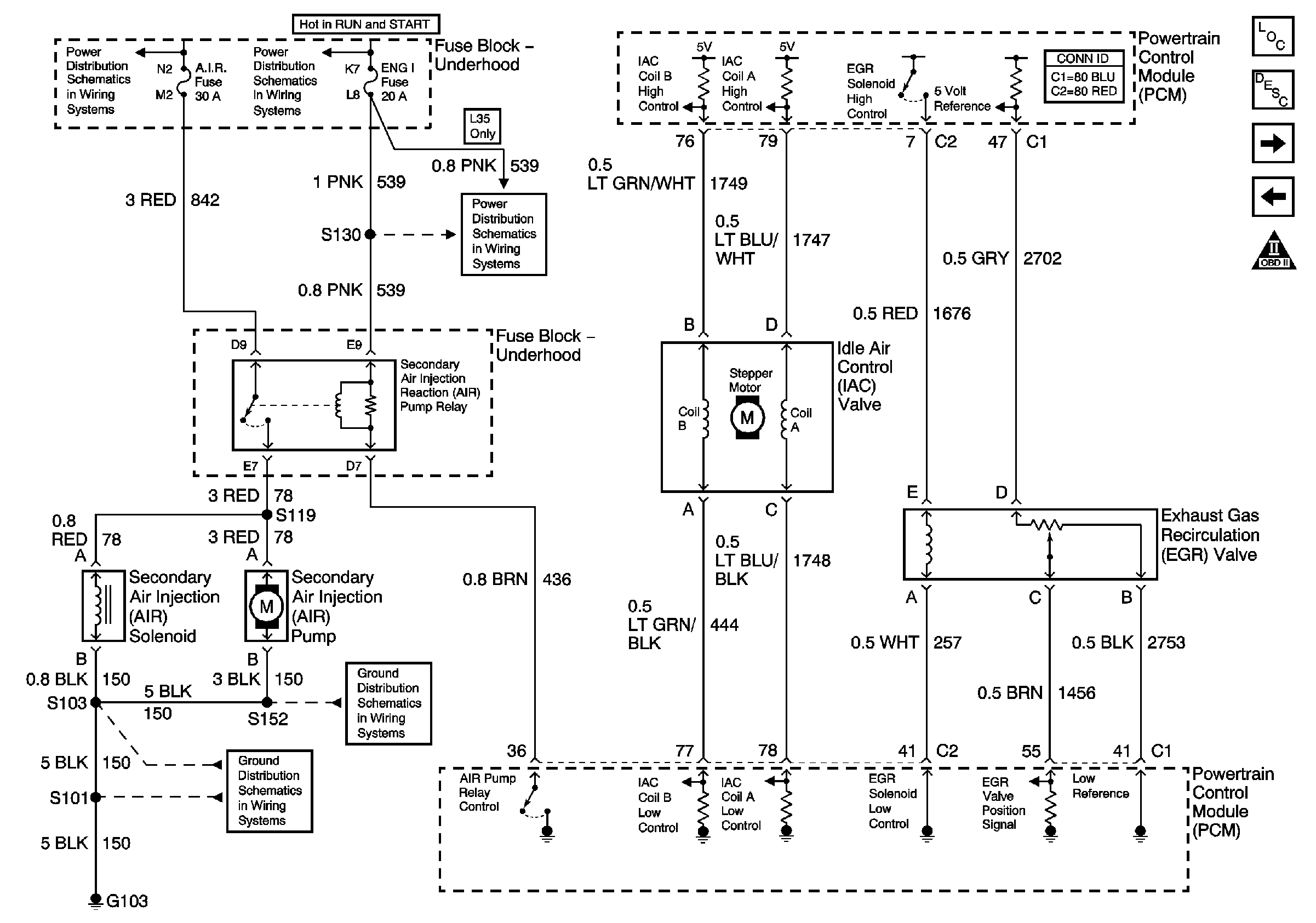
Figure 8:

Fuel Controls: Fuel Injectors


Object Number: 757162  Size: FS
Master Electrical Component List
Powertrain Control Module Description
Fuel Controls: EVAP Controls
Fuel Controls: Fuel Pump Controls
OBD II Symbol Description Notice
ECM 1 and Ignition E Fuses - 5.0L and 5.7L
Ignition A, Ignition B Fuses, and Ignition Switch
ECM 1 and Ignition E Fuses - 5.0L and 5.7L
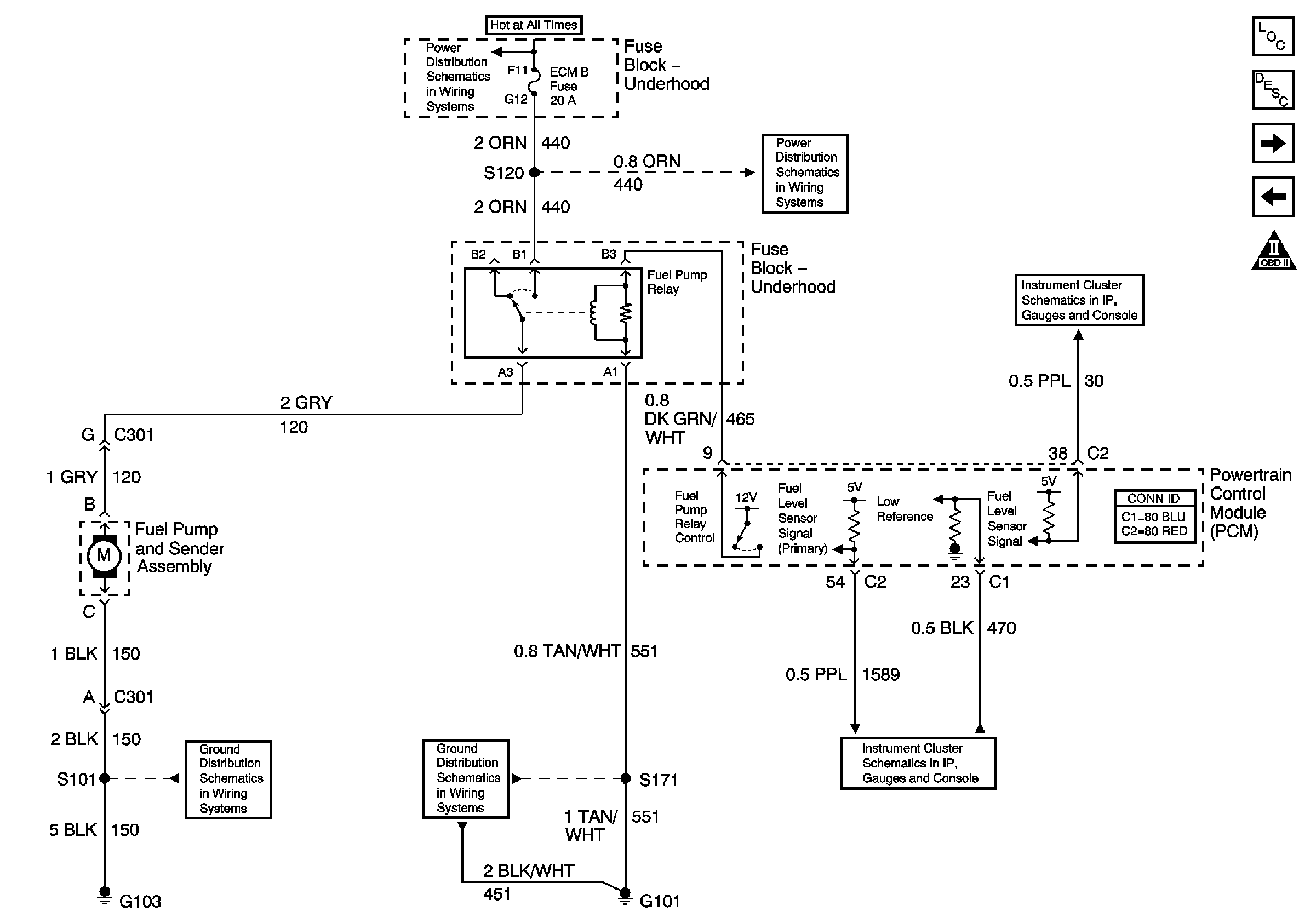
Figure 9:

Fuel Controls: EVAP Controls


Object Number: 757186  Size: FS
Master Electrical Component List
Powertrain Control Module Description
Device Controls
Fuel Controls: Fuel Injectors
OBD II Symbol Description Notice
Ignition A, Ignition B Fuses, and Ignition Switch
Engine 1 Fuse - 4.3L, 5.0L, and 5.7L
Gages
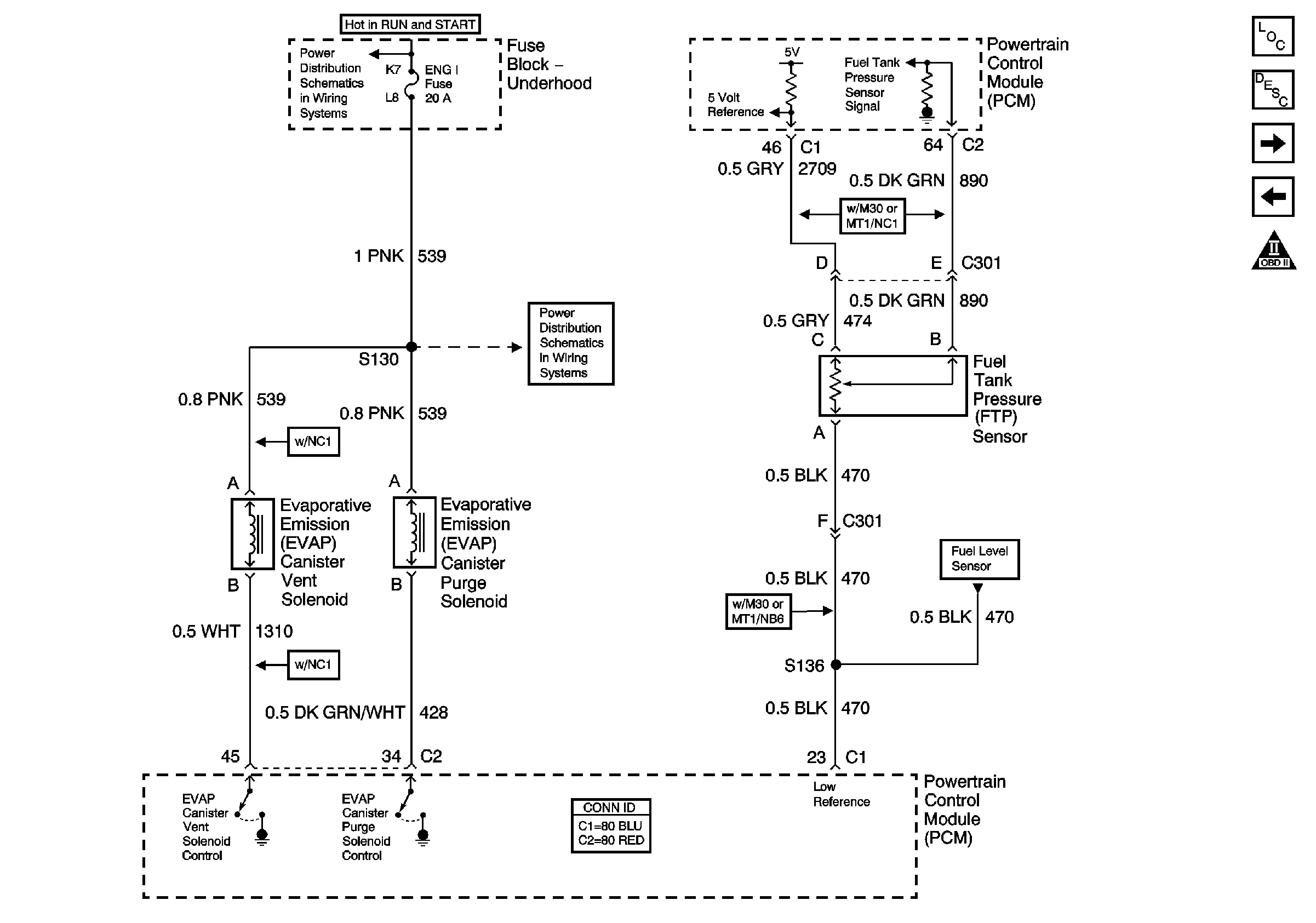
Figure 10:

Device Controls


Object Number: 756914  Size: FS
Master Electrical Component List
Powertrain Control Module Description
Controlled/Monitored Subsystem References
Fuel Controls: EVAP Controls
OBD II Symbol Description Notice
Battery, Auxiliary Battery, and Underhood Fuse/Relay Center
Ignition A, Ignition B Fuses, and Ignition Switch
Engine 1 Fuse - 4.3L, 5.0L, and 5.7L
G103 - 4.3L, 5.0L, and 5.7L Engines
Components through S152 to G103 - Gasoline Engines
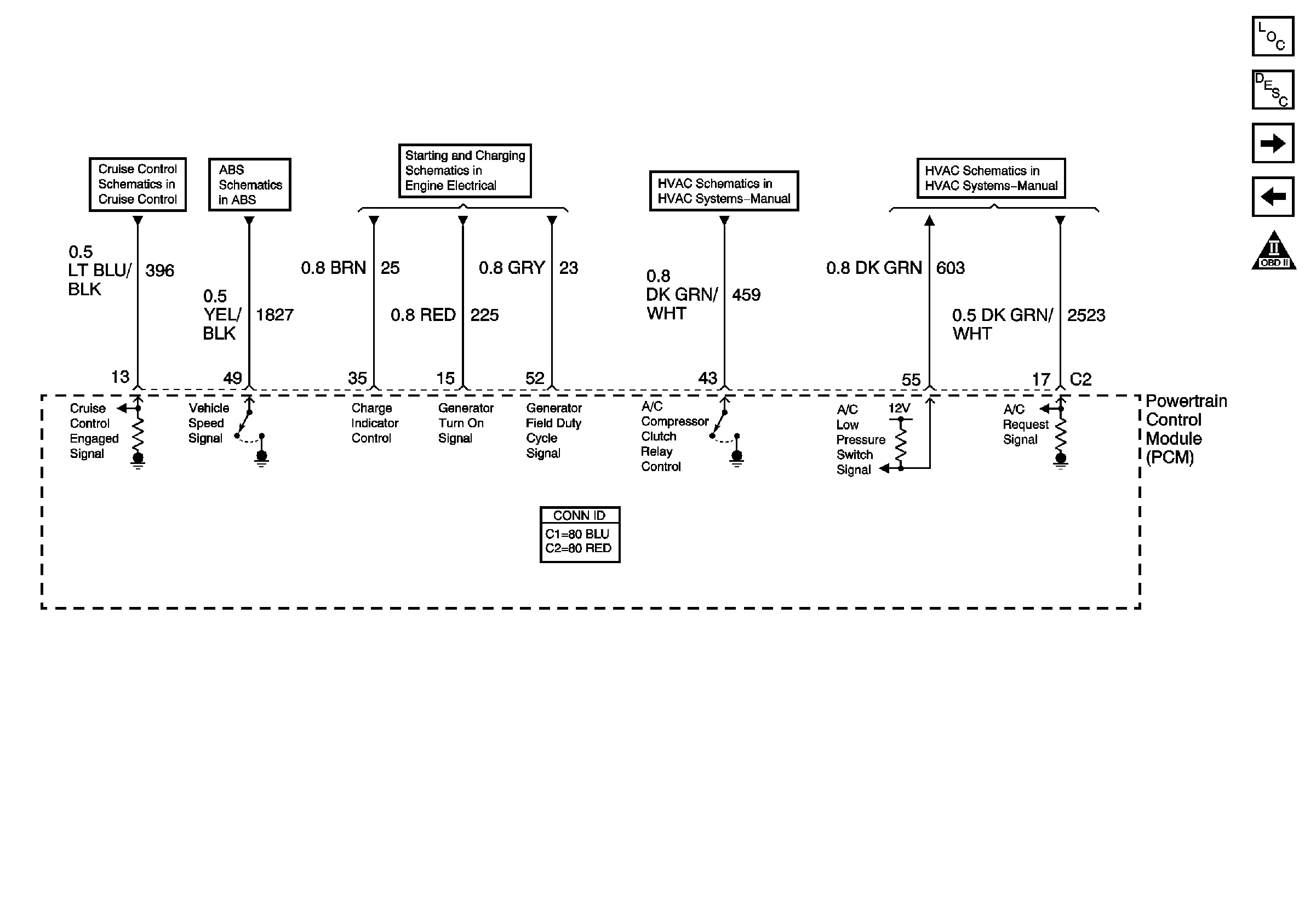
Figure 11:

Controlled/Monitored Subsystem References


Object Number: 756921  Size: FS
Master Electrical Component List
Powertrain Control Module Description
Automatic Transmission Control References 4L60-E
Device Controls
OBD II Symbol Description Notice
Charging System: Gasoline Engines
Wheel Speed Sensors, VSS and Brake Pressure Switch
A/C Fuses, ECM-B, IGN-E, Compressor Clutch, A/C Compressor Low Pressure Cutout Switch, G101, G103 (Gasoline Engines)
Figure 12:

Automatic Transmission Control References 4L60-E


Object Number: 756919  Size: FS
Master Electrical Component List
Powertrain Control Module Description
Automatic Transmission Control References 4L80-E
Controlled/Monitored Subsystem References
OBD II Symbol Description Notice
PWR and Solenoids
Switches And VSS
Figure 13:

Automatic Transmission Control References 4L80-E


Object Number: 756920  Size: FS
Master Electrical Component List
Powertrain Control Module Description
Automatic Transmission Control References 4L60-E
OBD II Symbol Description Notice
Solenoid and TCC/Brake Switch Controls
Sensor, Solenoid and GND Controls