GM Service Manual Online
For 1990-2009 cars only

Antilock Brake System Schematics Domestic

Figure 1:

Power, Ground, DLC and Indicator


Object Number: 784321  Size: FS
Master Electrical Component List
ABS Description and Operation
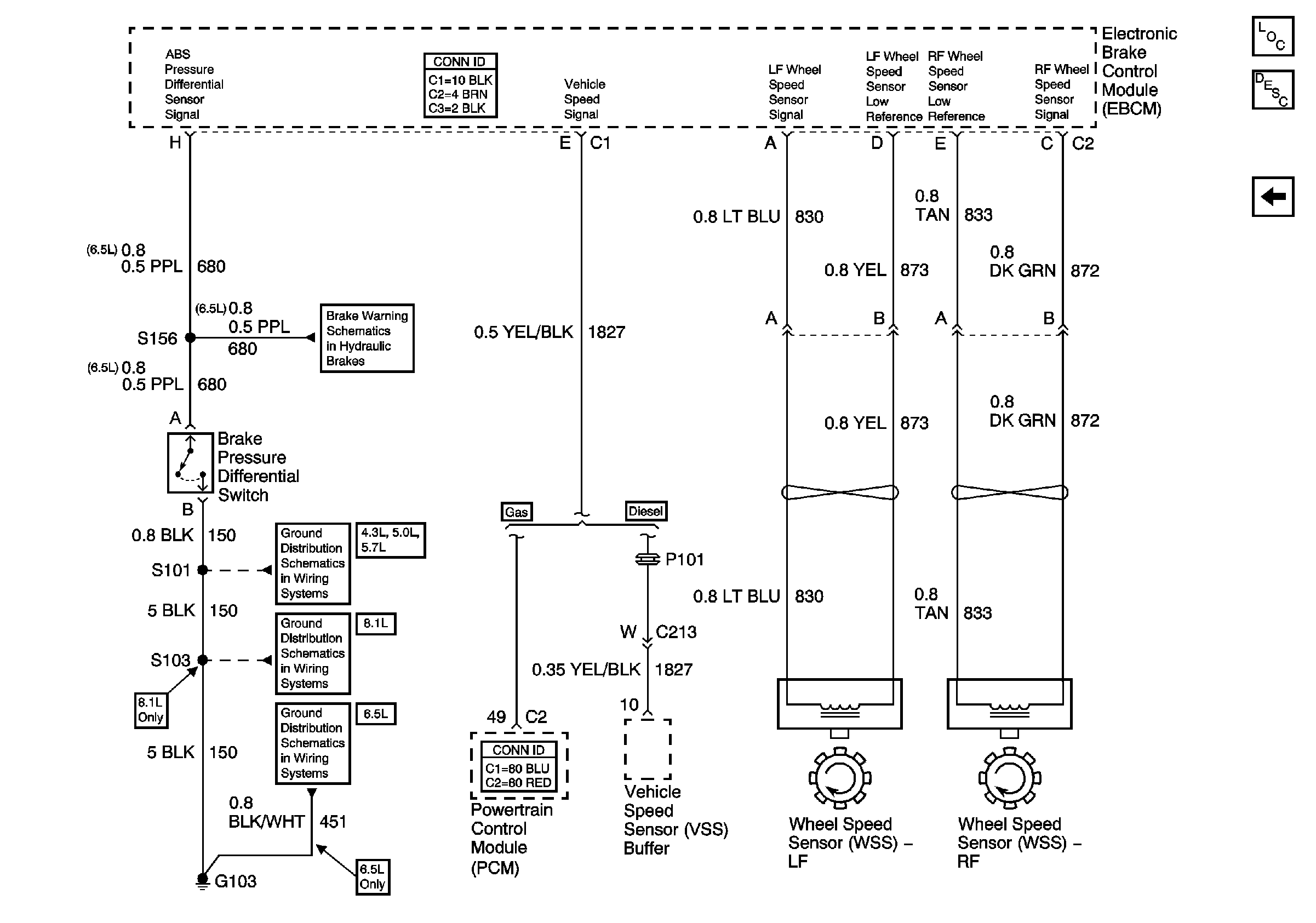
Wheel Speed Sensors, VSS and Brake Pressure Switch
Cruise, Heater A/C, and Brake Fuses
4.3L, 5.0L and 5.7L Engines
Ignition A, Ignition B Fuses, and Ignition Switch
Gages Fuse
Headlamp Switch, Instrument Cluster, Park/Neutral Position Switch
Data Link Connector (DLC)
PWR and Solenoids
Solenoid and TCC/Brake Switch Controls
PWR, Solenoids and TCC/Brake Switch Controls
Battery, Auxiliary Battery, and Underhood Fuse/Relay Center
G101 - Gasoline Engines
G101 - Diesel Engine
Figure 2:

Wheel Speed Sensors, VSS and Brake Pressure Switch


Object Number: 784322  Size: FS
Master Electrical Component List
ABS Description and Operation
Power, Ground, DLC and Indicator
PWR, GND and DRL Module
G103 - 4.3L, 5.0L, and 5.7L Engines
G103 - 8.1L Engine
G103 - 6.5L Diesel Engine

Antilock Brake System Schematics Export

Figure 1:

Power, Ground, DLC and Indicator - Gas


Object Number: 784323  Size: FS
Master Electrical Component List
ABS Description and Operation
Power, Ground, DLC and Indicator - Diesel
Cruise, Heater A/C, and Brake Fuses
Ignition A, Ignition B Fuses, and Ignition Switch
Battery, Auxiliary Battery, and Underhood Fuse/Relay Center
Gages Fuse
Headlamp Switch, Instrument Cluster, Park/Neutral Position Switch
4.3L, 5.0L and 5.7L Engines
G103 - 4.3L, 5.0L, and 5.7L Engines
Wheel Speed Sensors, VSS and Brake Pressure Switch
G101 - Gasoline Engines
Figure 2:

Power, Ground, DLC and Indicator - Diesel


Object Number: 784324  Size: FS
Master Electrical Component List
ABS Description and Operation
Wheel Speed Sensors, VSS and Brake Pressure Switch
Power, Ground, DLC and Indicator - Gas
Cruise, Heater A/C, and Brake Fuses
Ignition A, Ignition B Fuses, and Ignition Switch
Gages Fuse
Battery, Auxiliary Battery, and Underhood Fuse/Relay Center
Headlamp Switch, Instrument Cluster, Park/Neutral Position Switch
G103 - 6.5L Diesel Engine
PWR, Solenoids and TCC/Brake Switch Controls
Wheel Speed Sensors, VSS and Brake Pressure Switch
Data Link Connector (DLC)
G101 - Diesel Engine
Figure 3:

Wheel Speed Sensors, VSS and Brake Pressure Switch


Object Number: 784325  Size: FS
Master Electrical Component List
ABS Description and Operation
Power, Ground, DLC and Indicator - Diesel
Power, Ground, DLC and Indicator - Gas
Power, Ground, DLC and Indicator - Diesel
PWR, GND and DRL Module
G103 - 4.3L, 5.0L, and 5.7L Engines
G103 - 6.5L Diesel Engine