GM Service Manual Online
For 1990-2009 cars only
Makes
🢒
Chevrolet
🢒
2002
🢒
Express
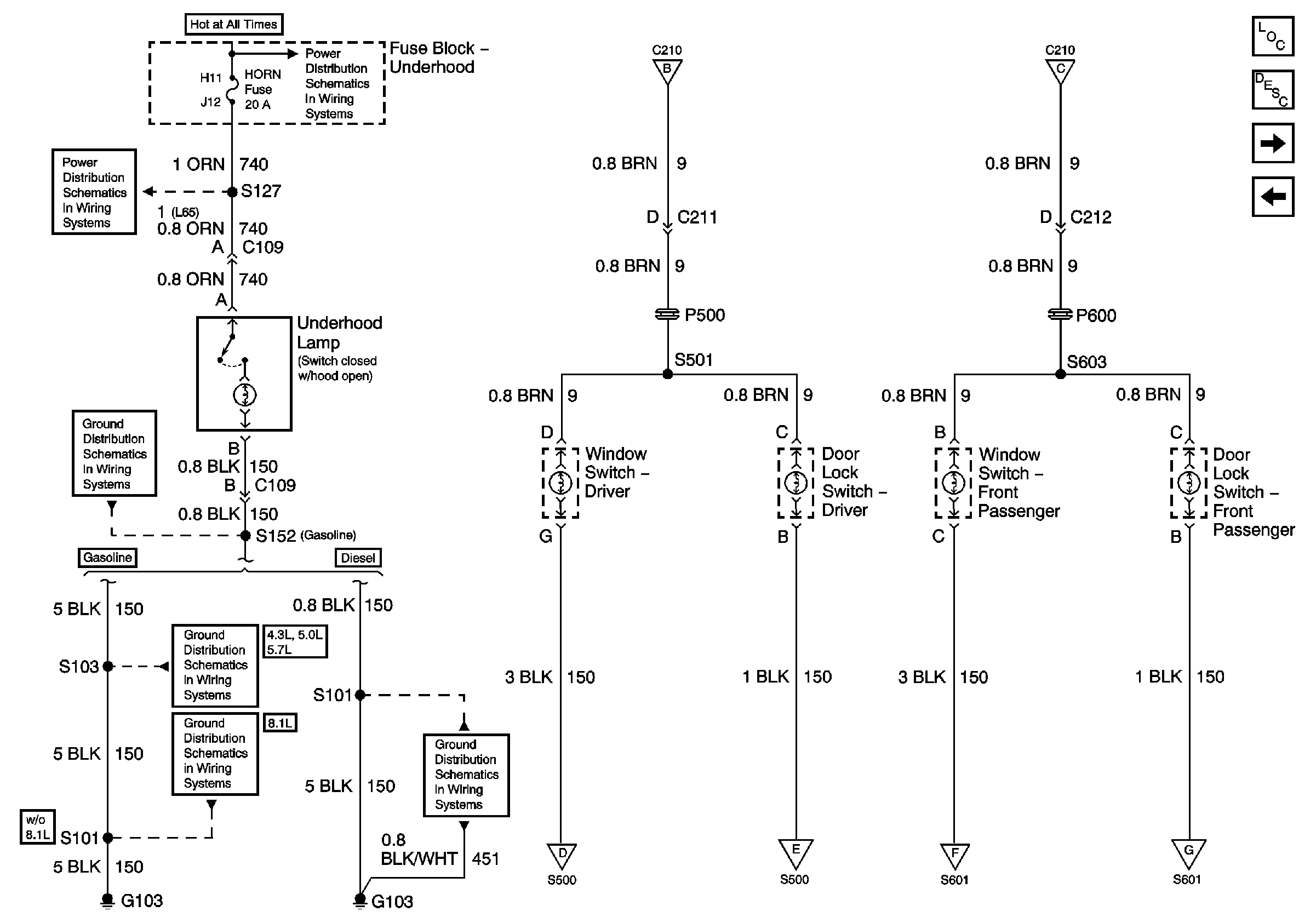
🢒 Underhood Lamp, Power Window and Lock Switch Illumination
Underhood Lamp, Power Window and Lock Switch Illumination
Underhood Lamp, Power Window and Lock Switch Illumination
Master Electrical Component List
Interior Lighting Systems Description and Operation
CTSY Fuse
PWR ACCY, GAUGES and PARK LPS Fuses
ECM B, Horn, and A/C Fuses
Battery, Auxiliary Battery, and Underhood Fuse/Relay Center
PWR ACCY, GAUGES and PARK LPS Fuses
PWR ACCY, GAUGES and PARK LPS Fuses
Components through S152 to G103 - Gasoline Engines
G103 - 4.3L, 5.0L, and 5.7L Engines
G103 - 8.1L Engine
G103 - 6.5L Diesel Engine
Door Jamb Switches
Door Jamb Switches
Door Jamb Switches
Door Jamb Switches