GM Service Manual Online
For 1990-2009 cars only

DTC P0722 Diesel Only


Object Number: 800101  Size: LF
Master Electrical Component List
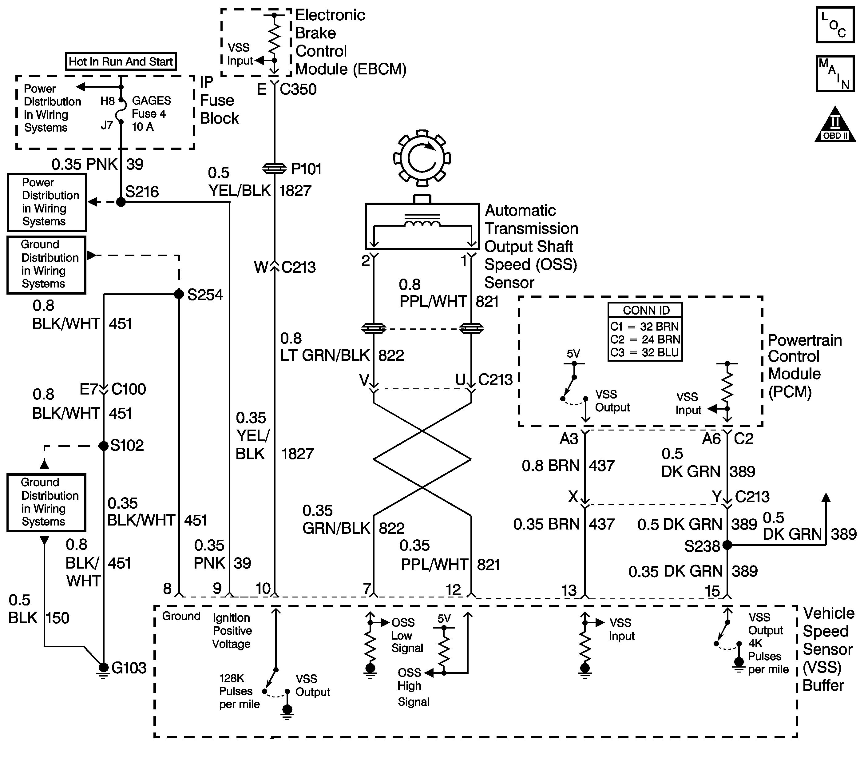
Automatic Transmission Controls Schematics Diesel
OBD II Symbol Description Notice

Circuit Description

The speed sensor circuit consists of a magnetic induction type sensor, which is the output shaft speed (OSS) sensor, a vehicle speed sensor (VSS) buffer module, and wiring. Gear teeth pressed onto the output shaft carrier assembly induce an alternating voltage into the sensor. This signal transmits to the VSS buffer module. The VSS buffer module compensates for various final drive ratios. The VSS buffer module also converts the AC OSS sensor signal into a 40 pulse per revolution (PPR) 5 volt DC square wave form signal to indicate transmission output speed.

When the powertrain control module (PCM) detects a low output speed when the vehicle has a high engine speed in a drive gear range, then DTC P0722 sets. DTC P0722 is a type B DTC.

Conditions for Running the DTC

    • No MAP DTCs P0106, P0107 or P0108.
    • No TFP manual valve position switch DTC P1810.
    • The APP angle is greater than 10 percent.
    • The engine torque must be 108-642 N·m (80-475 lb ft).
    • Engine speed is greater than 475 RPM for 7 seconds.
    • The engine speed is less than 3,800 RPM.
    • The AT ISS sensor speed is greater than 1,500 RPM.
    • The transmission is not in PARK or NEUTRAL.
    • System voltage is 8-18 volts.

Conditions for Setting the DTC

The OSS sensor speed is less than 25 RPM for at least 3.5 seconds.

Action Taken When the DTC Sets

    • The PCM illuminates the malfunction indicator lamp (MIL) during the second consecutive trip in which the Conditions for Setting the DTC are met.
    • The PCM commands to maximum line pressure.
    • The PCM freezes shift adapts.
    • The PCM defaults to the calculated output speed value using the input shaft speed sensor values.
    • The PCM records the operating conditions when the Conditions for Setting the DTC are met. The PCM stores this information as Freeze Frame and Failure Records.
    • The PCM stores the DTC P0722 in PCM history during the second consecutive trip in which the Conditions for Setting the DTC are met.

Conditions for Clearing the MIL/DTC

    • For Federal and California emissions, the PCM turns OFF the MIL during the third consecutive trip in which the diagnostic test runs and passes.
    • A scan tool can clear the MIL/DTC.
    • For Federal and California emissions, the PCM clears the DTC from PCM history if the vehicle completes 40 warm-up cycles without an emission related diagnostic fault occurring.
    • For vehicles equal to or greater than 15,000 lbs GVW, the PCM clears the DTC from PCM history if the vehicle completes 40 warm-up cycles without a non-emission related diagnostic fault occurring.
    • The PCM cancels the DTC default actions when the fault no longer exists and the ignition switch is OFF long enough in order to power down the PCM.

Diagnostic Aids

    • Inspect the speed sensor wiring for contact with sharp metal edges.
    • DTC P0722 defaults to an elevated line pressure condition which may result in partial TCC apply. This may produce an idle surge that could stall the engine.

Test Description

The numbers below refer to the step numbers on the diagnostic table.

  1. This step verifies the fault condition.

  2. This step tests sensor integrity.

  3. This step verifies power and ground to the VSS buffer module.

  4. This step verifies the PCM input controlled by the speed buffer.

Step

Action

Value(s)

Yes

No

1

Did you perform the Powertrain Diagnostic System Check?

--

Go to Step 2

Go to Diagnostic System Check - Engine Controls in Engine Controls - 6.5L

2

  1. Install a scan tool.
  2. Turn ON the ignition, with the engine OFF.
  3. Important: Before clearing the DTC, use the scan tool in order to record the Freeze Frame and Failure Records for reference. The Clear Info function will erase the data.

  4. Record the DTC Freeze Frame and Failure Records.
  5. Clear the DTC.
  6. Raise the drive wheels and support the axle assembly.
  7. Start the engine and place the transmission in D1 range.
  8. Gradually increase the wheel speed.

Does the transmission OSS increase with the drive wheel speed?

--

Go to Intermittent Conditions in Engine Controls - 6.5L

Go to Step 3

3

  1. Turn OFF the ignition.
  2. Disconnect the OSS sensor.
  3. Connect a DMM on AC voltage scale between terminal 1 and 2 at the OSS sensor.
  4. Start the engine, and place the transmission in D1 range.
  5. With the wheels turning, slowly accelerate to 2,000 engine RPM.

Does the voltage measure greater than the specified value?

2.0 AC V at 2,000 RPM

Go to Step 4

Go to Step 14

4

  1. Connect the VSS sensor.
  2. Disconnect the VSS buffer harness from the VSS buffer.
  3. Using the DMM, measure the voltage between terminal 7 and 12 of the speed buffer harness connector.
  4. Start the engine, and place the transmission in D1.
  5. With the wheels turning, slowly accelerate engine speed to 2,000 RPM.

Does the voltage measure greater than the specified value?

2.0 V AC at 2,000 RPM

Go to Step 7

Go to Step 5

5

Test the high signal circuit (CKT 821) and the low signal circuit (CKT 822) of the OSS sensor for an open circuit between the VSS buffer and the VSS sensor.

Refer to Circuit Testing and Wiring Repairs in Wiring Systems.

Did you find and correct the condition?

--

Go to Step 17

Go to Step 6

6

Test the high signal circuit (CKT 821) and the low signal circuit (CKT 822) of the OSS sensor for a short together between the VSS buffer and the OSS sensor.

Refer to Circuit Testing and Wiring Repairs in Wiring Systems.

Did you find and correct the condition?

--

Go to Step 17

Go to Intermittent Conditions in Engine Controls - 6.5L

7

Test the ignition 1 voltage circuit (CKT 39) of the VSS buffer for a high resistance or an open.

Did you find and correct the condition?

--

Go to Step 17

Go to Step 8

8

Test the ground circuit (CKT 451) of the VSS buffer for a high resistance or an open.

Did you find and correct the condition?

--

Go to Step 17

Go to Step 9

9

  1. Disconnect the VSS speed buffer connector.
  2. Turn ON the ignition, with the engine OFF.
  3. Test the vehicle speed signal circuit (CKT 437) of the VSS buffer for voltage between terminal 13 and a good ground.

Does the voltage measure within the specified value?

4.8-5.2 V DC

Go to Step 13

Go to Step 10

10

Does the voltage in Step 9 measure greater than the specified value?

5.2 V DC

Go to Step 12

Go to Step 11

11

Test the vehicle speed signal circuit (CKT 437) of the VSS buffer for an open or a short to ground between the PCM connector C2-A3 and the VSS buffer.

Refer to Circuit Testing and Wiring Repairs in Wiring Systems.

Did you find and correct the condition?

--

Go to Step 17

Go to Step 16

12

Test the vehicle speed signal circuit (CKT 437) of the VSS buffer for a short to voltage between the PCM connector C2-A3 and the VSS buffer.

Refer to Circuit Testing and Wiring Repairs in Wiring Systems.

Did you find and correct the condition?

--

Go to Step 17

Go to Step 16

13

  1. Connect the VSS buffer harness connector to the speed buffer module.
  2. With the DMM set on DC volts and on a good ground, back probe terminal 13 of the VSS buffer module.
  3. Start the engine, and place the transmission in D1.
  4. With the wheels turning slowly, accelerate the engine speed to 2,000 RPM.

Does the voltage measure within the specified values?

1.5-3.5 V DC

Go to Step 16

Go to Step 15

14

Replace the OSS sensor.

Refer to Vehicle Output Speed Sensor Replacement .

Did you complete the replacement?

--

Go to Step 17

--

15

Replace the VSS buffer module.

Refer to Vehicle Speed Sensor Module Replacement in Instrument Panel, Gages, and Console.

Did you complete the replacement?

--

Go to Step 17

--

16

Replace the PCM.

Refer to Powertrain Control Module Replacement in Engine Controls - 6.5L.

Did you complete the replacement?

--

Go to Step 17

--

17

Perform the following procedure in order to verify the repair:

  1. Select DTC.
  2. Select Clear Info.
  3. Operate the vehicle under the following conditions:
  4. • Drive the vehicle under steady acceleration above 10 percent APP.
    • The PCM must see an output speed greater than 500 RPM for 1 second.
  5. Select Specific DTC.
  6. Enter DTC P0722.

Has the test run and passed?

--

System OK

Go to Step 1