GM Service Manual Online
For 1990-2009 cars only
Makes
🢒
Chevrolet
🢒
2006
🢒
Express
🢒
Accessories
🢒
Keyless Entry
🢒 Keyless Entry Schematics
Master Electrical Component List
Keyless Entry System Description and Operation
Control Module References
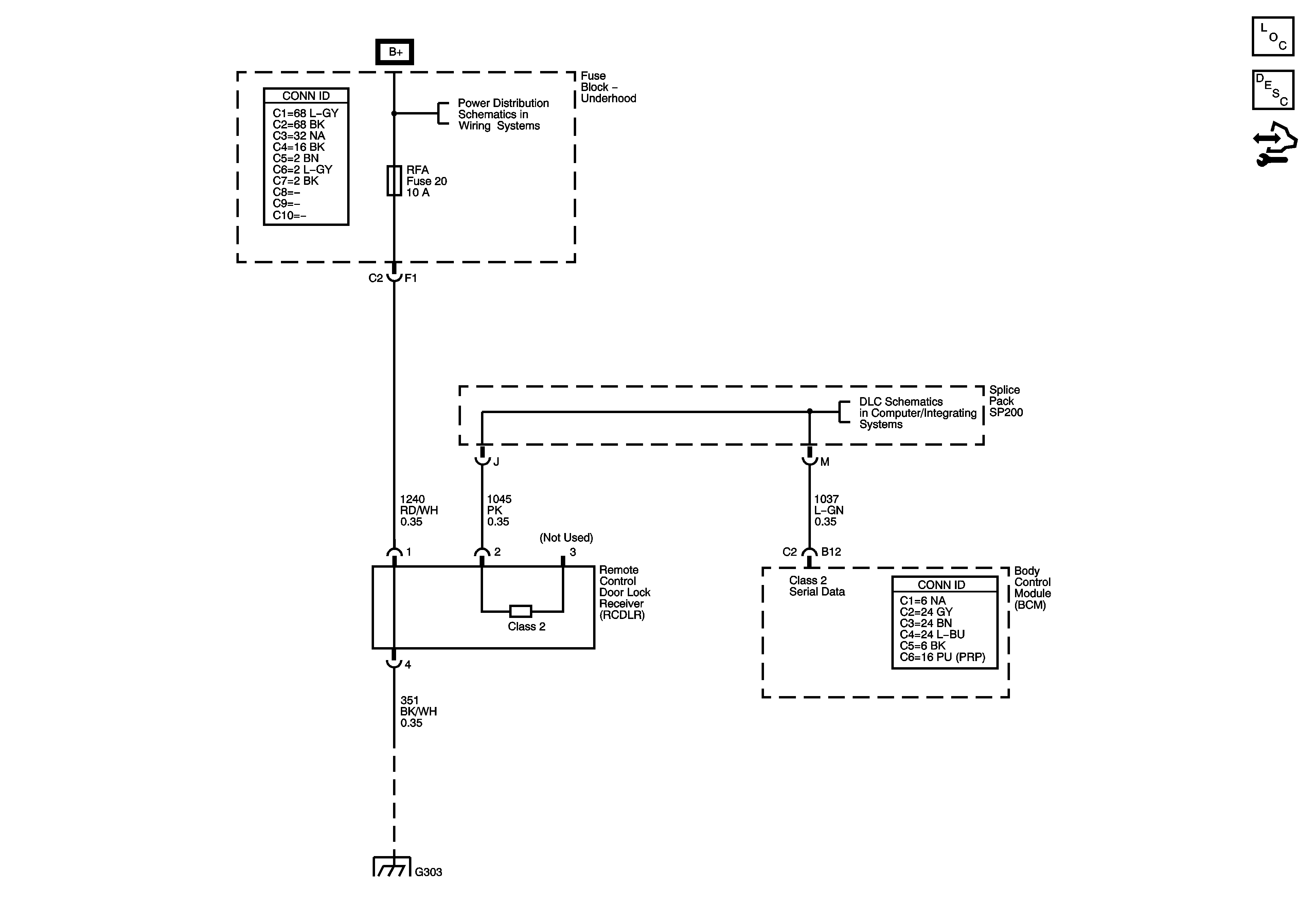
B+ Bus - Underhood Fuse Block - Gas
Power, Ground, DLC, and Splice Pack SP200
G303