GM Service Manual Online
For 1990-2009 cars only
Makes
🢒
Chevrolet
🢒
2006
🢒
Express
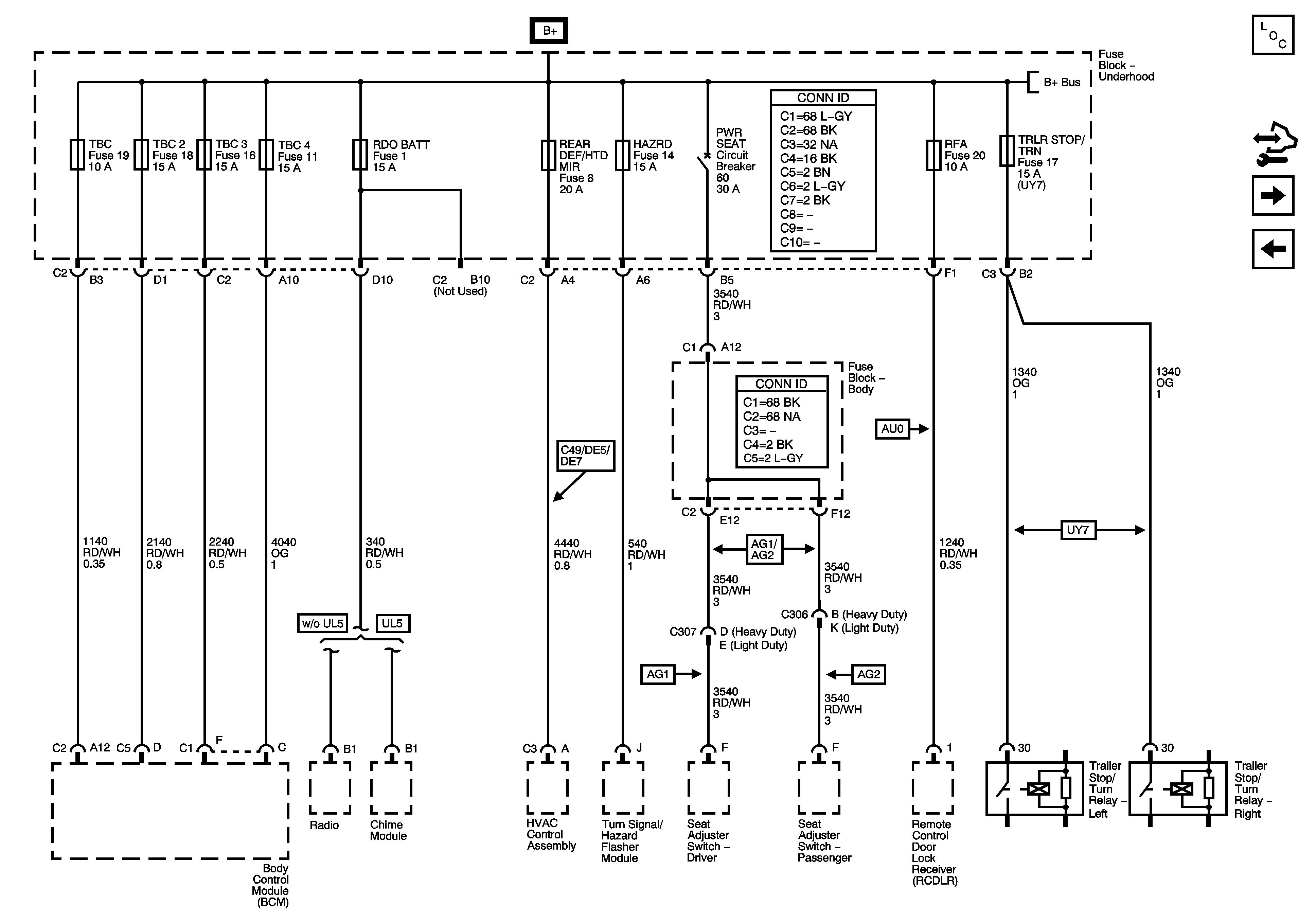
🢒 HAZRD, RDO BATT, RFA, REAR DEF/HTD MIR, TBC, TBC 2, TBC 3, TBC 4, TRLR STOP/TRN Fuses and PWR SEAT Circuit Breaker
HAZRD, RDO BATT, RFA, REAR DEF/HTD MIR, TBC, TBC 2, TBC 3, TBC 4, TRLR STOP/TRN Fuses and PWR SEAT Circuit Breaker
HAZRD, RDO BATT, RFA, REAR DEF/HTD MIR, TBC, TBC 2, TBC 3, TBC 4, TRLR STOP/TRN Fuses, and PWR SEAT Circuit Breaker
Master Electrical Component List
Control Module References
AUX 1, OSRVM, REAR BLWR and SPARE Fuses
AUX PWR, BLWR, CNSTR VENT SOL, IPC, LTR, REAR FOG LMPS, and STOP LAMP Fuses
B+ Bus - Underhood Fuse Block - Gas