GM Service Manual Online
For 1990-2009 cars only
Makes
🢒
Chevrolet
🢒
2006
🢒
Express
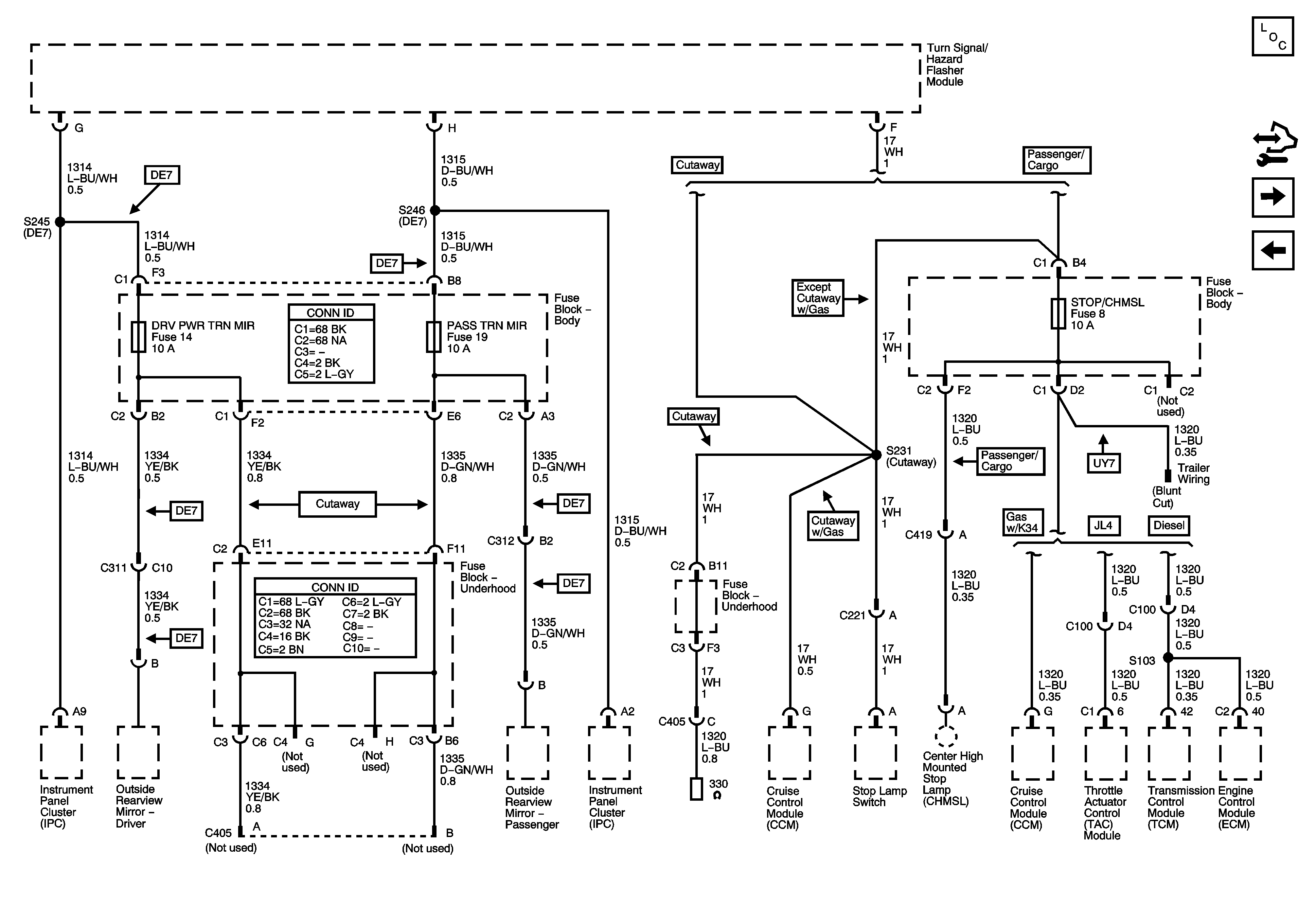
🢒 DRV PWR TRN MIR, PASS TRN MIR and STOP/CHMSL Fuses
DRV PWR TRN MIR, PASS TRN MIR and STOP/CHMSL Fuses
DRV PWR TRN MIR, PASS TRN MIR, and STOP/CHMSL Fuses
Master Electrical Component List
Control Module References
Ignition Switch - ACCY/RUN, RUN/START Bus Bars and IGN B Fuse
LT REAR STOP/TRN, LT DRL/TRN, LT REAR STOP/TRN, RT DRL/TRN, RT REAR STOP/TRN and RT REAR STOP/TRN Fuses