GM Service Manual Online
For 1990-2009 cars only
Makes
🢒
Chevrolet
🢒
2006
🢒
Express
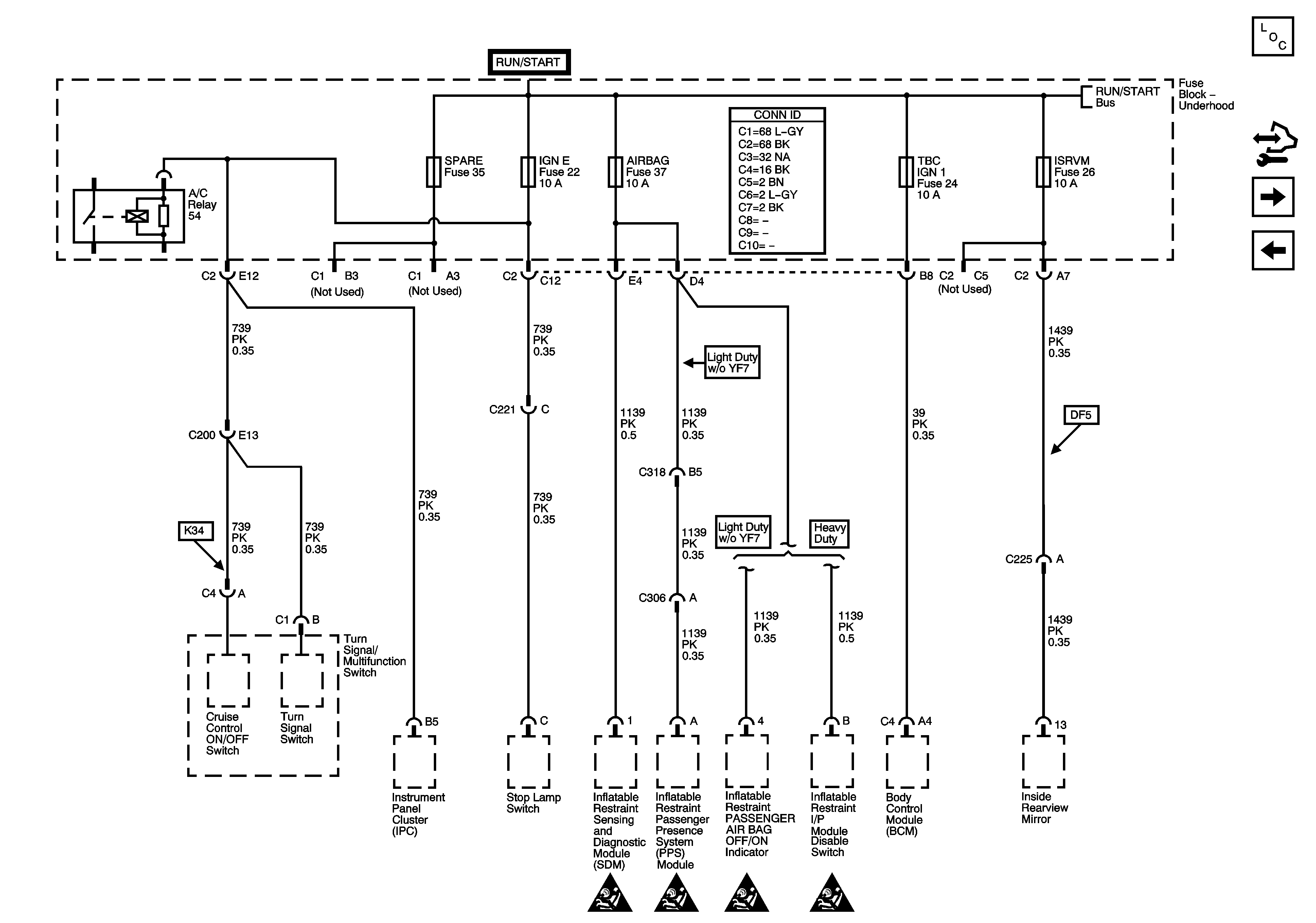
🢒 AIRBAG, IGN E, ISRVM, SPARE and TBC IGN 1 Fuses
AIRBAG, IGN E, ISRVM, SPARE and TBC IGN 1 Fuses
AIRBAG, IGN E, ISRVM, SPARE and TBC IGN 1 Fuses
Master Electrical Component List
Control Module References
ENG 1, ENG 2, and SPARE Fuses - 4.3L and 6.6L
BTSI, BTSI BCK/UP, ECM/TCM/GLOW PLUG CNTRL MDL IGN 1, FUEL HTR, O2 SNSR A, O2 SNSR B, PCM IGN 1, SPARE and TRLR BCK/UP Fuses
Ignition Switch - ACCY/RUN, RUN/START Bus Bars and IGN B Fuse
SIR Caution for Zoning
SIR Caution for Zoning
SIR Caution for Zoning
SIR Caution for Zoning