GM Service Manual Online
For 1990-2009 cars only
Makes
🢒
Chevrolet
🢒
2006
🢒
Express
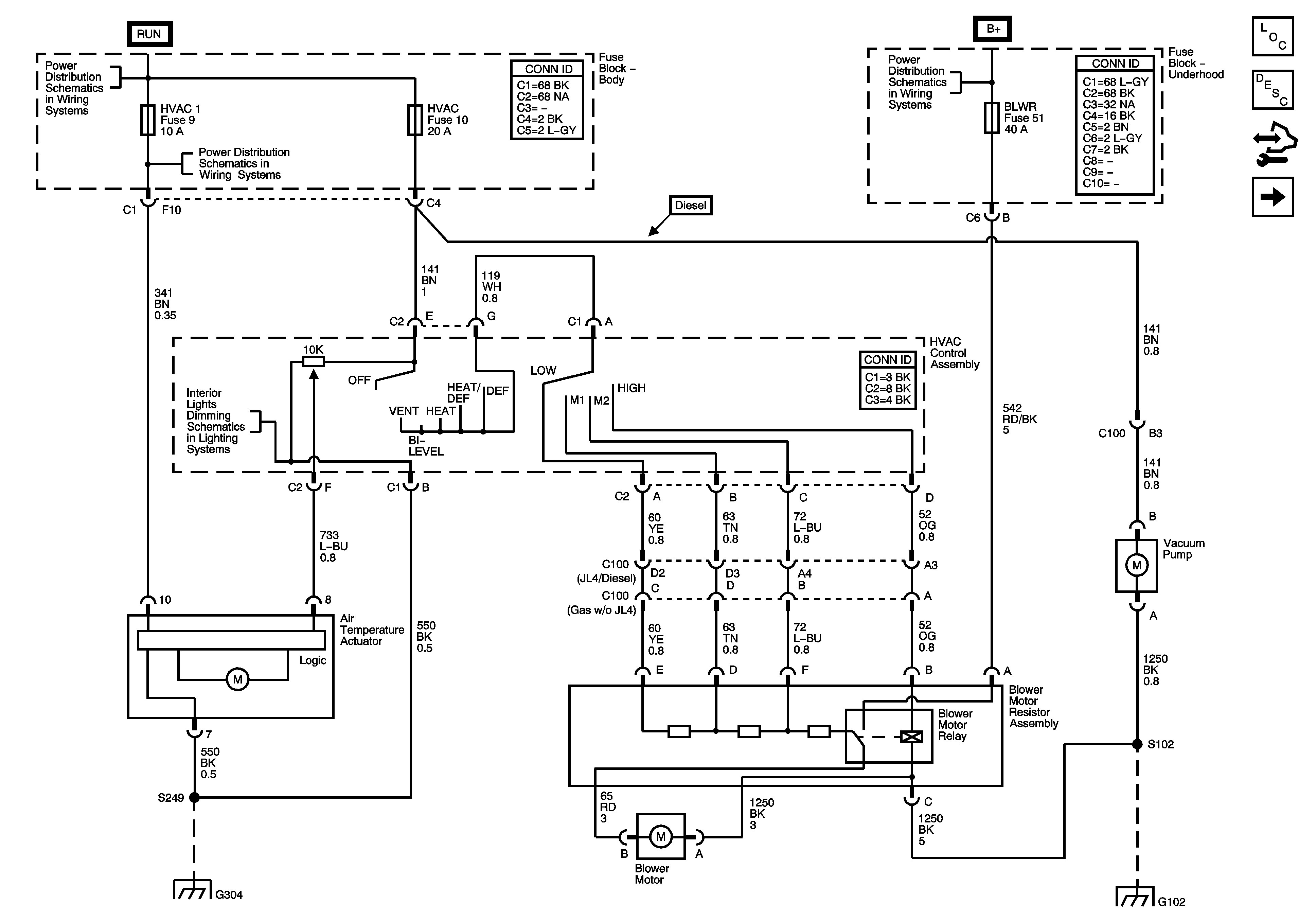
🢒 Primary Blower and Air Delivery Controls (C42) and Vacuum Pump (Diesel)
Primary Blower and Air Delivery Controls (C42) and Vacuum Pump (Diesel)
Primary Blower and Air Delivery Controls (C42) and Vacuum Pump (Diesel)
Master Electrical Component List
Air Delivery Description and Operation
Control Module References
Primary Blower and Air Delivery Controls (C60)
Ignition Switch - ACCY/RUN/START, RUN, START Bus Bars and IGN A Fuse
HVAC 1 Fuse
AUX PWR, BLWR, CNSTR VENT SOL, IPC, LTR, REAR FOG LMPS, and STOP LAMP Fuses
I/P Dimming Supply Voltage - 1 of 3 and LED Dimming Supply Voltage
G304
G102