GM Service Manual Online
For 1990-2009 cars only
Makes
🢒
Chevrolet
🢒
2006
🢒
Express
🢒 Brake Warning System
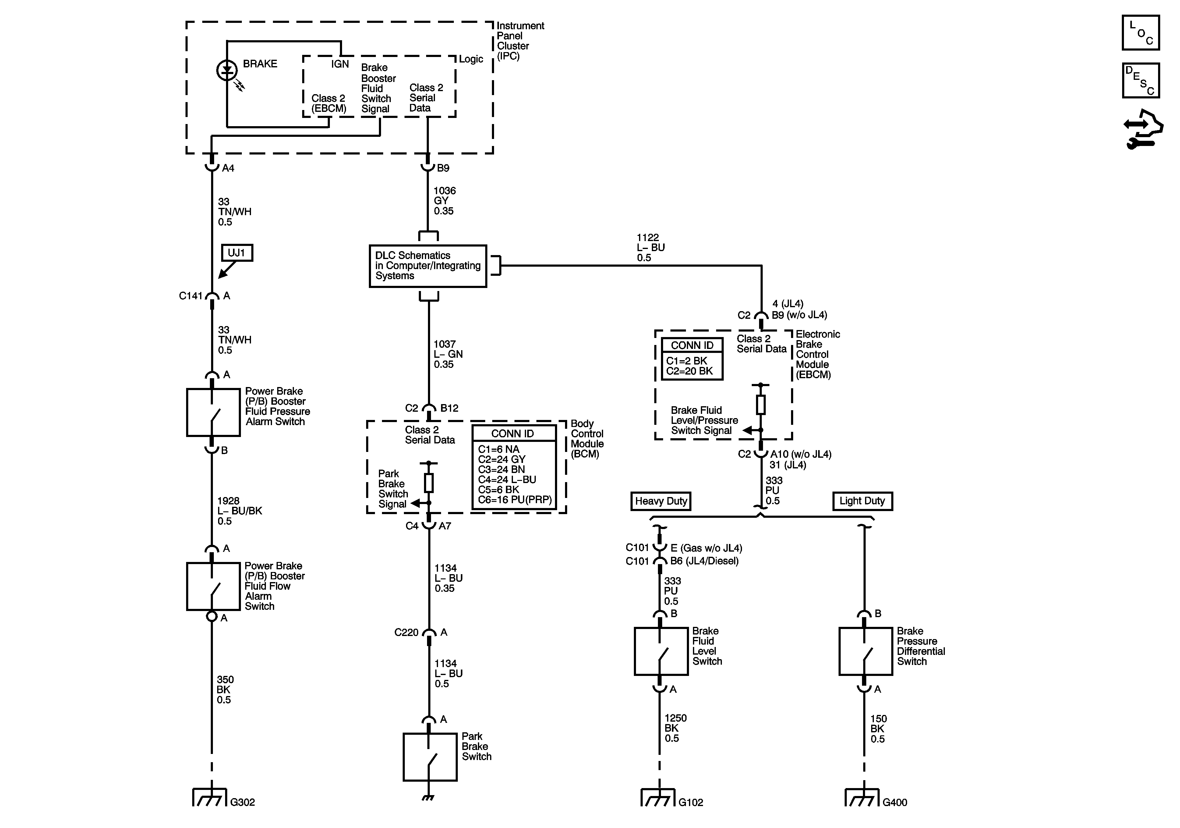
Brake Warning System
Master Electrical Component List
Brake Warning System Description and Operation
Control Module References
Power, Ground, DLC, and Splice Pack SP200
G302
G102
G400