GM Service Manual Online
For 1990-2009 cars only
Makes
🢒
Chevrolet
🢒
2006
🢒
Express
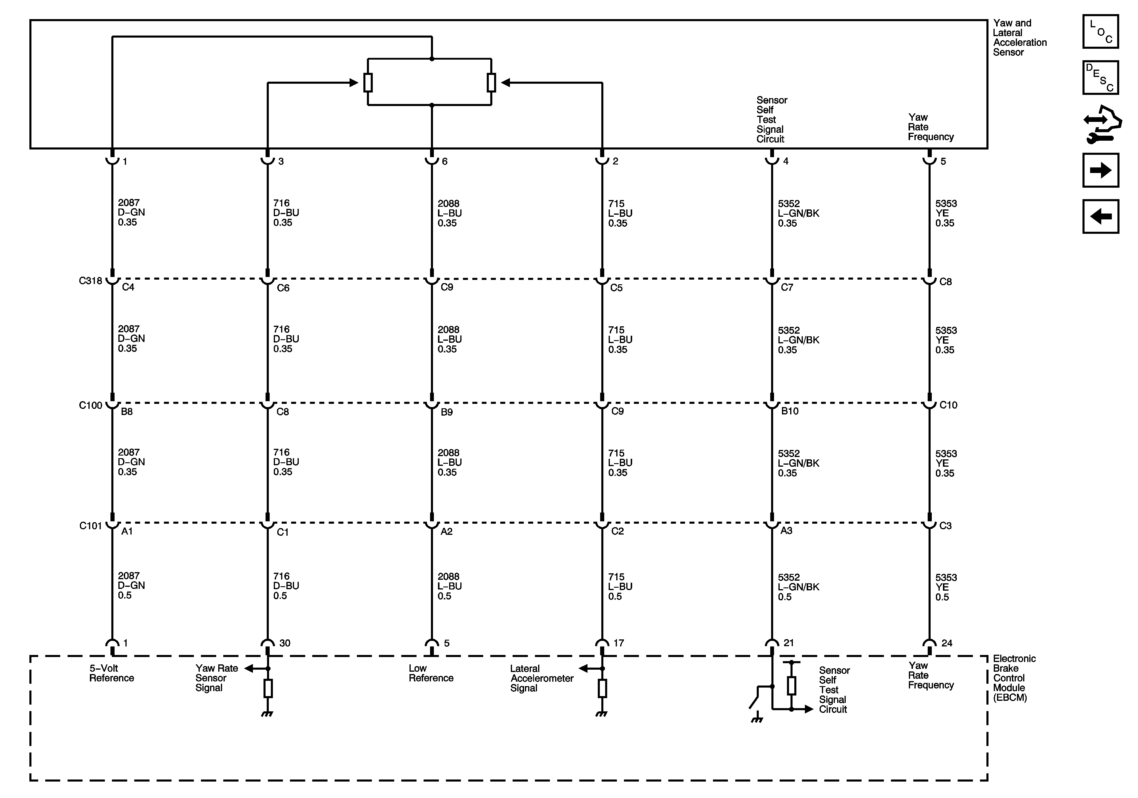
🢒 Yaw and Lateral Acceleration Sensor Inputs (JL4)
Yaw and Lateral Acceleration Sensor Inputs (JL4)
Yaw and Lateral Acceleration Sensor Inputs (JL4)
Master Electrical Component List
ABS Description and Operation (W/JL4)
Control Module References
Steering Wheel/Speed Position Inputs, Traction Control Switch, and Precharge Pump (JL4)
Wheel Speed Sensors (JL4)