GM Service Manual Online
For 1990-2009 cars only
Makes
🢒
Chevrolet
🢒
2006
🢒
Express
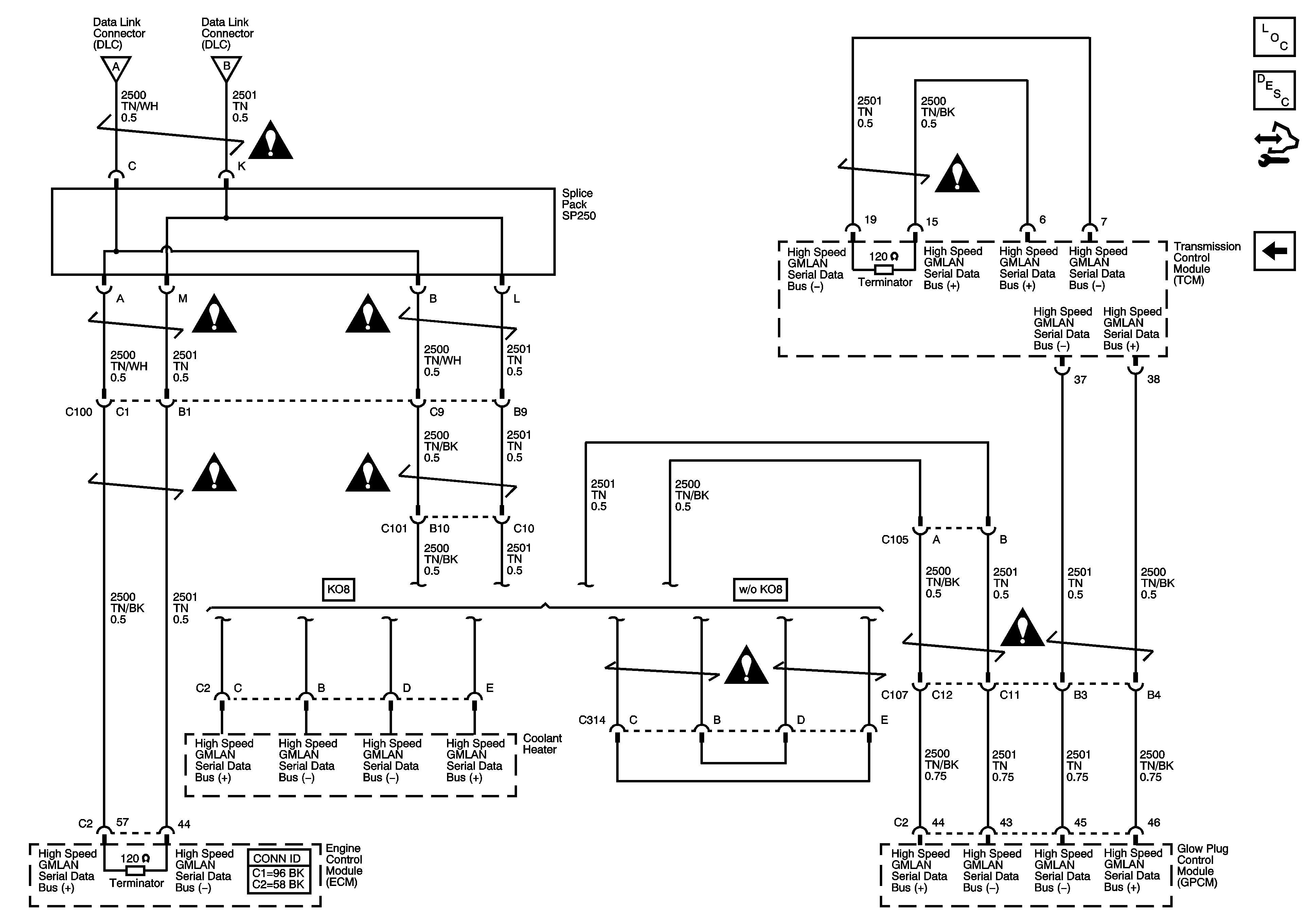
🢒 High Speed GMLAN and Splice Pack SP250 - Diesel
High Speed GMLAN and Splice Pack SP250 - Diesel
High Speed GMLAN and Splice Pack SP250 - Diesel
Master Electrical Component List
Data Link Communications Description and Operation
Control Module References
Power, Ground, DLC, and Splice Pack SP200
Power, Ground, DLC, and Splice Pack SP200
Power, Ground, DLC, and Splice Pack SP200
Computer/Integrating Systems Schematic Icons
Computer/Integrating Systems Schematic Icons
Computer/Integrating Systems Schematic Icons
Computer/Integrating Systems Schematic Icons
Computer/Integrating Systems Schematic Icons
Computer/Integrating Systems Schematic Icons
Computer/Integrating Systems Schematic Icons
Computer/Integrating Systems Schematic Icons