GM Service Manual Online
For 1990-2009 cars only
Makes
🢒
Chevrolet
🢒
2006
🢒
Express
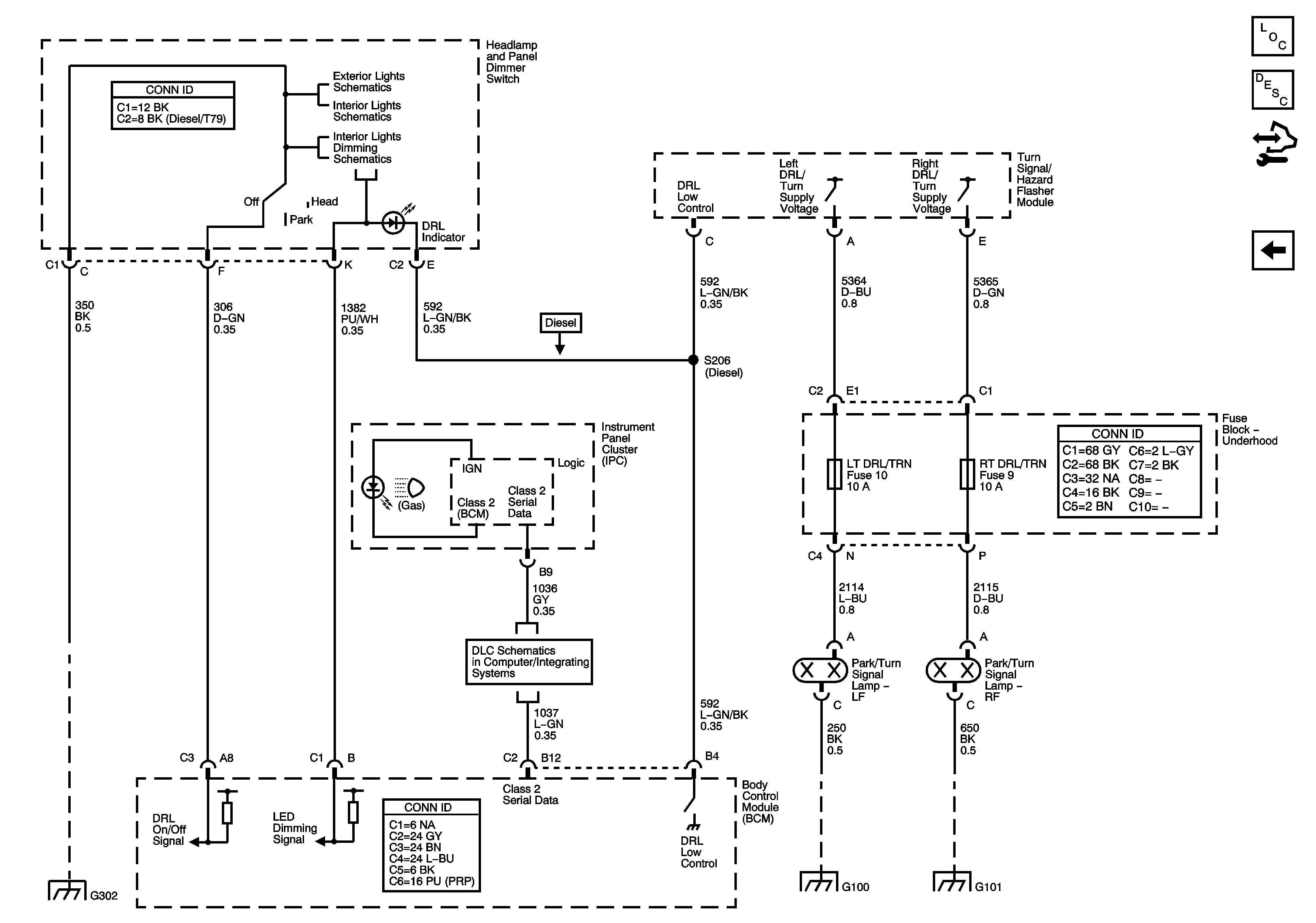
🢒 Daytime Running Lamps (DRL)
Daytime Running Lamps (DRL)
Daytime Running Lamps (DRL)
Master Electrical Component List
Exterior Lighting Systems Description and Operation
Control Module References
Headlamps
Park Lamp Relay Control and Front Park Lamps
Dome and Courtesy Lamp Switch Signals and Door Latch Assemblies
I/P Dimming Supply Voltage - 1 of 3 and LED Dimming Supply Voltage
G302
Power, Ground, DLC, and Splice Pack SP200
G100 and G101
G100 and G101