GM Service Manual Online
For 1990-2009 cars only
Makes
🢒
Chevrolet
🢒
2006
🢒
Express
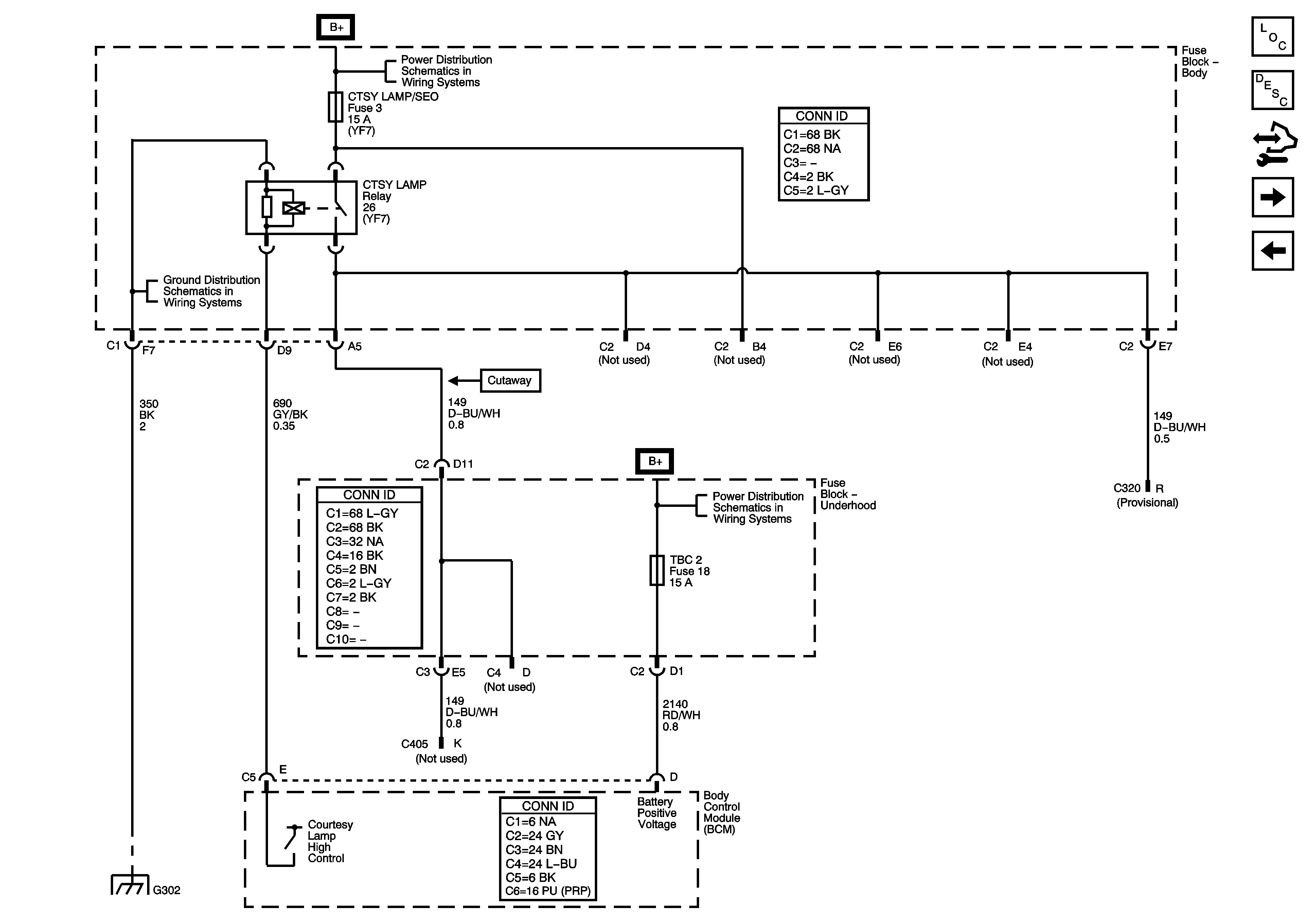
🢒 Courtesy Lamps (YF7)
Courtesy Lamps (YF7)
Courtesy Lamps (YF7)
Master Electrical Component List
Interior Lighting Systems Description and Operation
Control Module References
Courtesy Lamps (w/o YF7) - 1 of 2
Dome and Courtesy Lamp Switch Signals and Door Latch Assemblies
B+ Bus - Body Fuse Block
G302
B+ Bus - Underhood Fuse Block - Gas
G302