GM Service Manual Online
For 1990-2009 cars only
Makes
🢒
Chevrolet
🢒
2006
🢒
Express
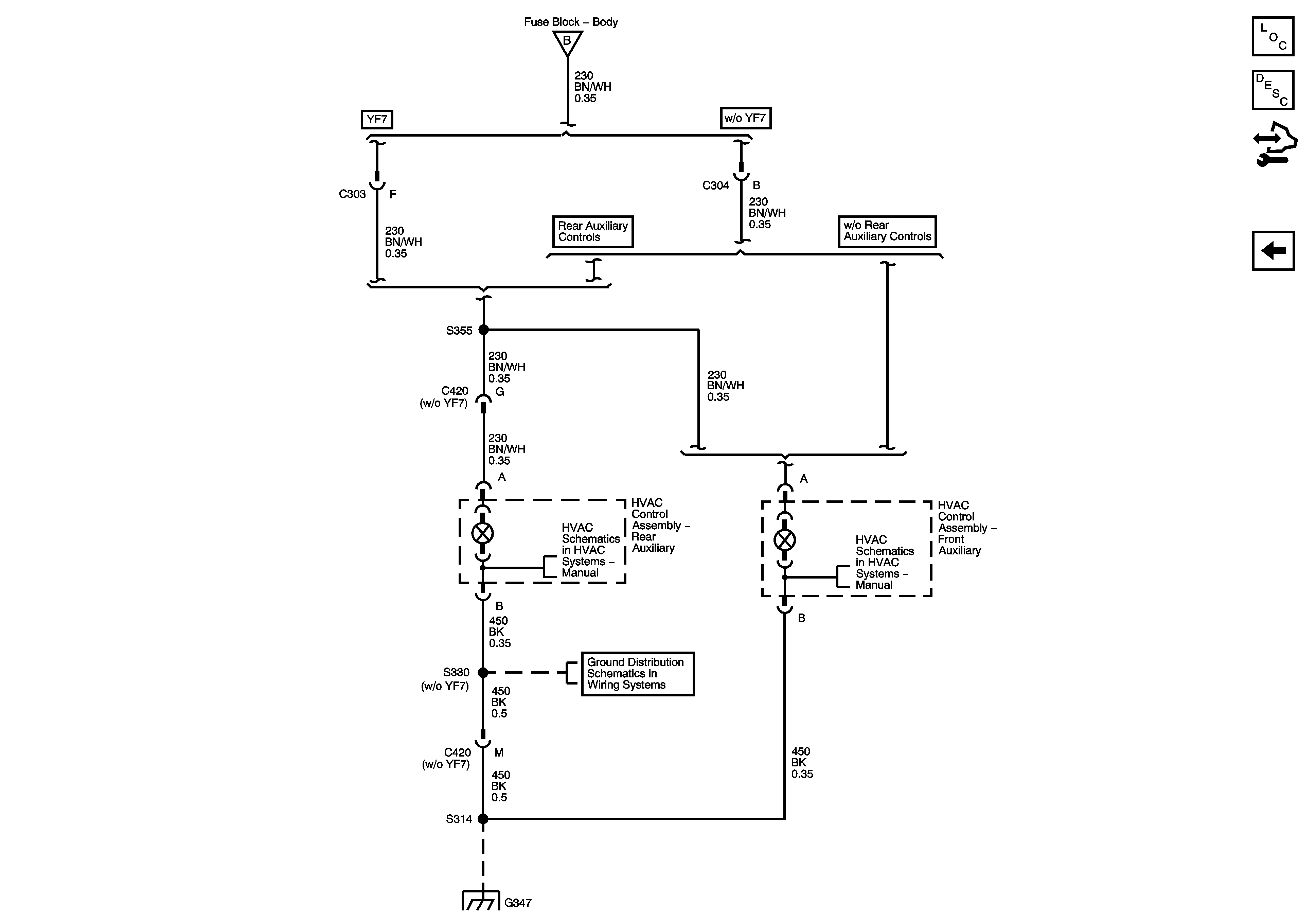
🢒 I/P Dimming Supply Voltage - 3 of 3
I/P Dimming Supply Voltage - 3 of 3
I/P Dimming Supply Voltage 3 of 3
Master Electrical Component List
Interior Lighting Systems Description and Operation
Control Module References
I/P Dimming Supply Voltage - 2 of 3
I/P Dimming Supply Voltage - 2 of 3
Rear HVAC with Rear Auxiliary Controls (C69) - 2 of 3
Rear HVAC with Rear Auxiliary Controls (C69) - 1 of 3
G347 - 3 of 3
G347 - 1 of 3