GM Service Manual Online
For 1990-2009 cars only
Figure 1:

B+ Bus - Underhood Fuse Block (1 of 2)


Object Number: 2080879  Size: FS
Figure 2:

B+ Bus - Underhood Fuse Block (2 of 2)


Object Number: 2080884  Size: FS
Figure 3:

B+ Bus - Body Fuse Block


Object Number: 2080889  Size: FS
Figure 4:

BCM 1-7, AUX PWR OUTLET, LTR/DLL, FRT BLWR, TRLR WRG and FOH MDL Fuses


Object Number: 2080891  Size: FS
Figure 5:

ABS MTR, ABS MDL, WSW, HORN, FUEL PUMP and A/C CMPRSR Fuses


Object Number: 2080895  Size: FS
Figure 6:

LT HIGH BEAM, RT HIGH BEAM, LT STP/TRN TRLR, RT STP/TRN TRLR, AUX STOP LAMP and STRTR SOL Fuses


Object Number: 2080899  Size: FS
Figure 7:

LT LO BEAM, RT LO BEAM, DRL 1, DRL 2, SEO and TCM BATT Fuses


Object Number: 2080901  Size: FS
Figure 8:

WPR, ECM BATT(G), CNSTR VENT SOL(G) and FCSM BATT Fuses


Object Number: 2080903  Size: FS
Figure 9:

RUN/CRNK BUS - TRANS, TCM IGN, ECM IGN, AIR BAG, STR/WHL SNSR(G), BRK SW, I/P CLSTR and FCSM IGN(G) Fuses


Object Number: 2080907  Size: FS
Figure 10:

PWR/TRN BUS - GLOW PLUG(D), O2 SNSR 1(G), O2 SNSR 2(G), ECM PWR/TRN and MAF/CNSTR Fuses


Object Number: 2080910  Size: FS
Figure 11:

PWR/TRN BUS - FUEL HTR(D), V6 FUEL INJ(G), EVEN IGN IJN(G) and ECM PWR/TRN Fuses


Object Number: 2080913  Size: FS
Figure 12:

PWR/TRN BUS - ODD IGN/INJ(G) and FAN CLTCH(D) Fuses


Object Number: 2080916  Size: FS
Figure 13:

REAR BLWR, HVAC CNTRL, I/P CLSTR, RDO/CHIME, RFA/TPM, OSRVM SW Fuses and PWR SEATS Circuit Breaker


Object Number: 2080918  Size: FS
Figure 14:

IGN SW/PK3 MDL Fuse and Ignition Switch


Object Number: 2080921  Size: FS
Figure 15:

REAR DEFOG, OSRVM HTR and AIR BAG/AOS Fuses, PWR WDO Circuit Breaker


Object Number: 2080924  Size: FS
Figure 16:

DRV DR UNLCK, FRT PASS DR UNLCK, REAR PASS DR UNLCK and CARGO DR UNLCK Fuses


Object Number: 2080927  Size: FS
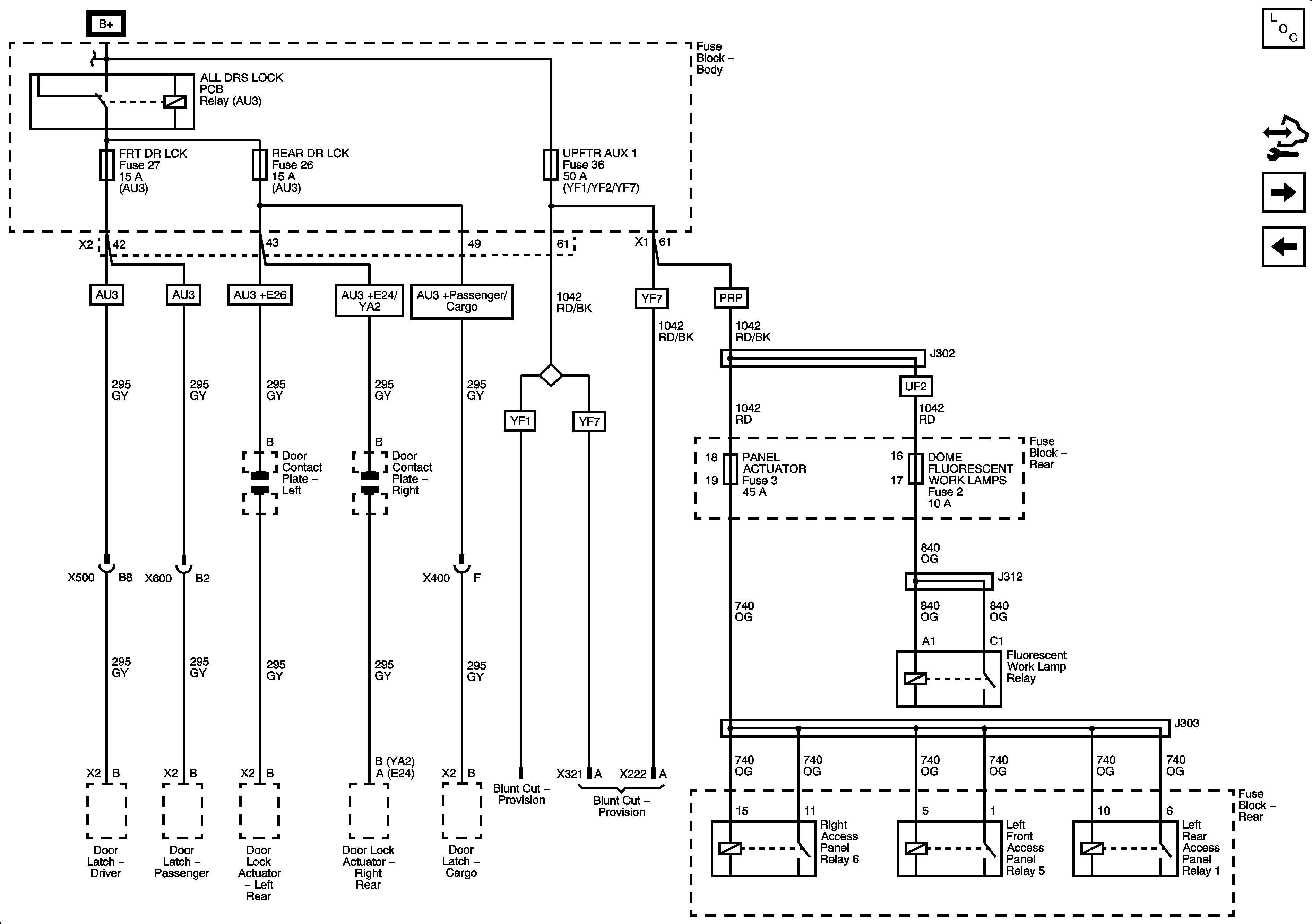
Figure 17:

FRT DR LCK, REAR DR LCK and UPFTR AUX 1 Fuses


Object Number: 2080931  Size: FS
Figure 18:

RUN BUS - HVAC 1 and HVAC 2 Fuses


Object Number: 2080933  Size: FS
Figure 19:

RUN BUS - CMPS, UPFTR AUX 2, AUX/TRLR BCK/UP and T/LAMP Fuses


Object Number: 2080934  Size: FS
Figure 20:

UPFTR PARK LMPS, FRT PRK LAMP, TRLR PRK LAMP, AUX PRK LAMP, LT REAR PRK LAMP and RT REAR PRK LAMP Fuses


Object Number: 2080937  Size: FS
Figure 21:

UPFTR CTSY LMPS Fuse


Object Number: 2080938  Size: FS