GM Service Manual Online
For 1990-2009 cars only
Makes
🢒
Chevrolet
🢒
2009
🢒
Express
🢒
Power and Signal Distribution
🢒
Data Communications
🢒 Automatic Transmission Controls Schematics
Figure
1:
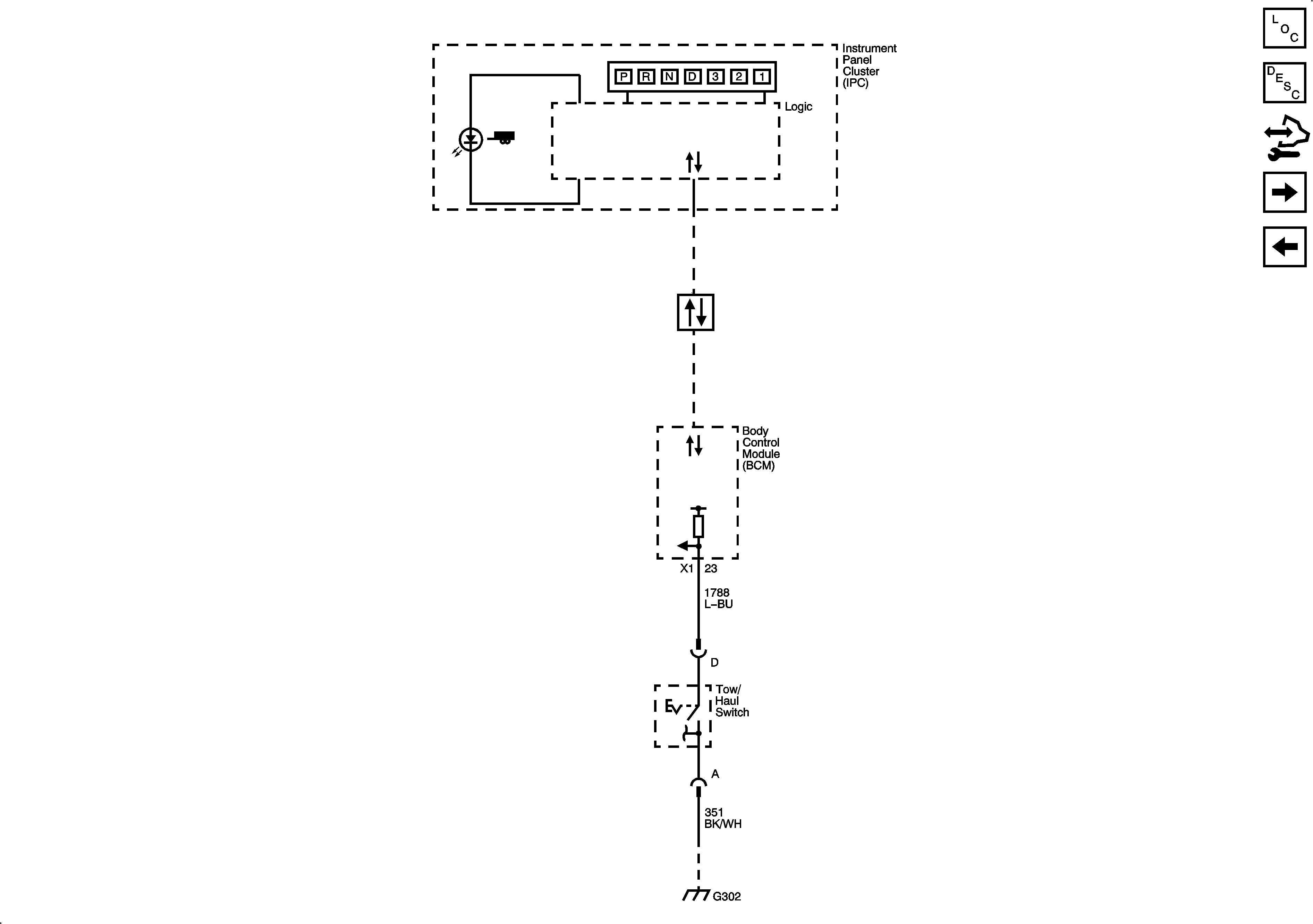
Module Power, Ground and Serial Data
Figure
2:
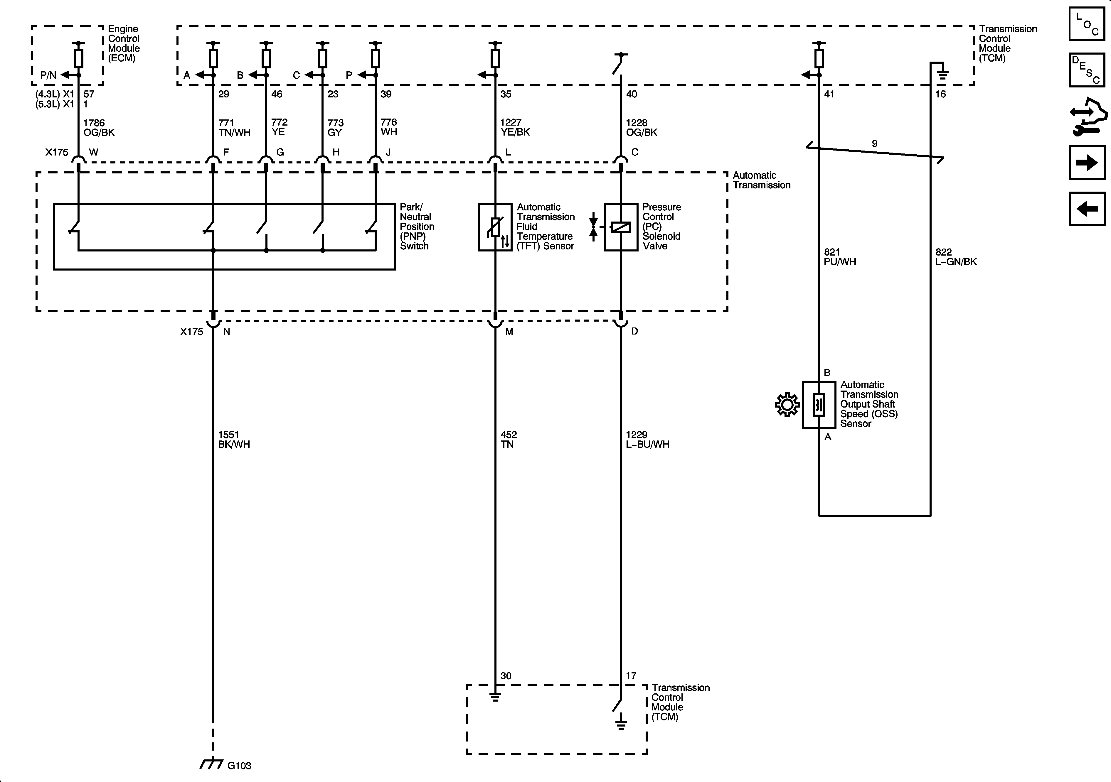
Pressure and Temperature Controls
Figure
3:
PNP Signals, VSS Signal and Tow Haul Signal
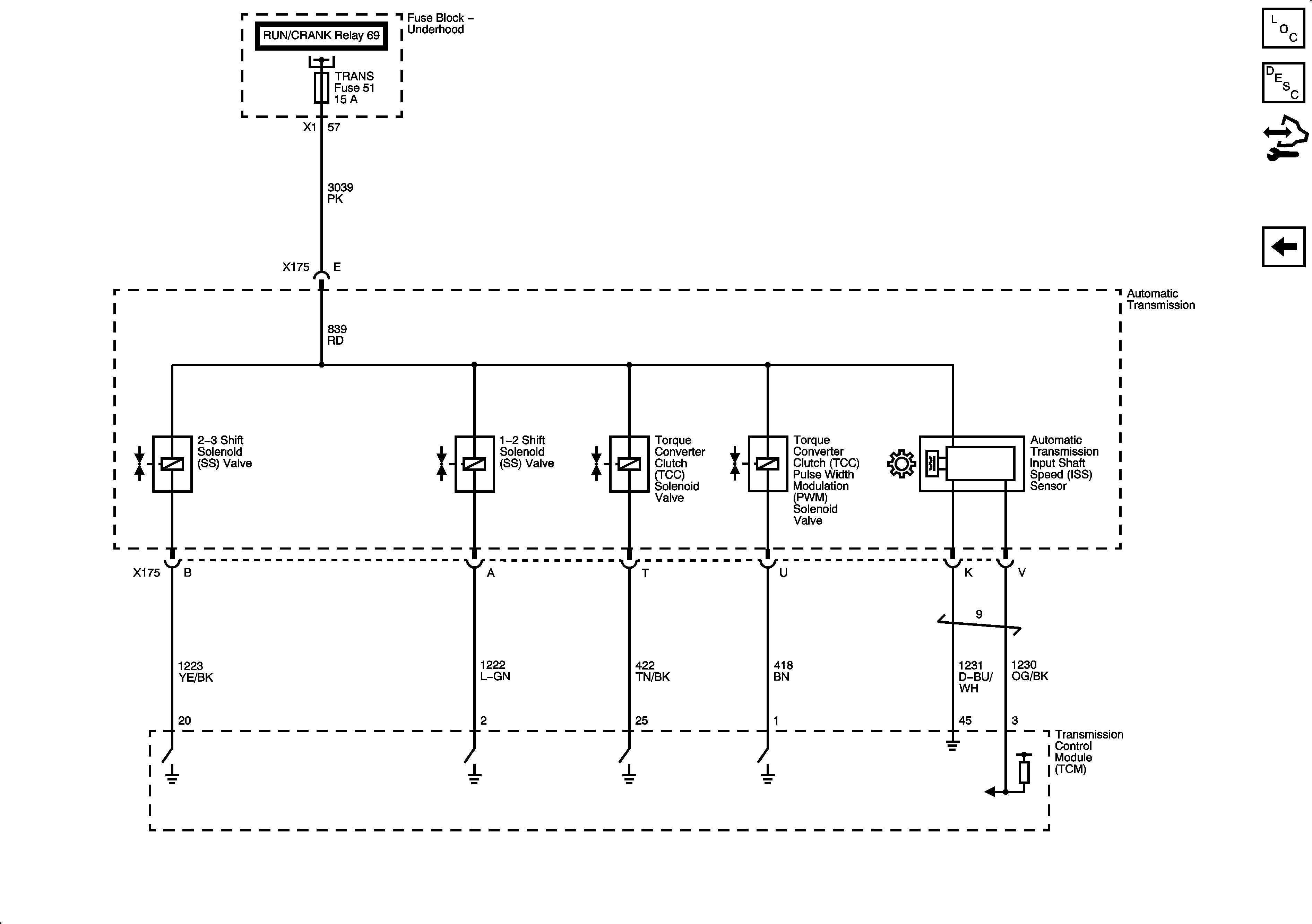
Figure
4:
Shift Controls