GM Service Manual Online
For 1990-2009 cars only
Figure 1:

G100 and G101


Object Number: 2080490  Size: FS
Figure 2:

G102


Object Number: 2080500  Size: FS
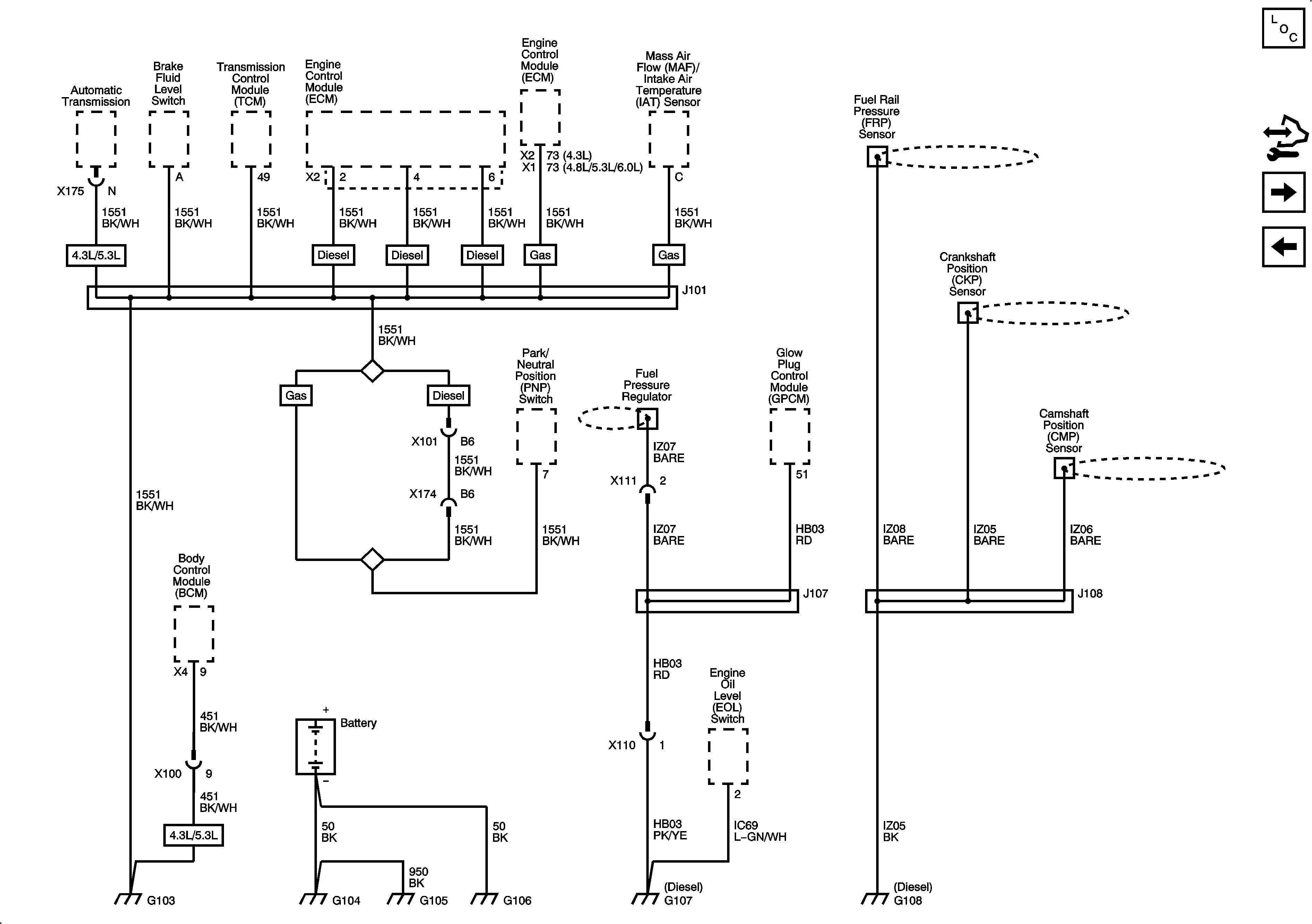
Figure 3:

G103, G104, G105, G106, G107 and G108


Object Number: 2080502  Size: FS
Figure 4:

G300 and G301


Object Number: 2080506  Size: FS
Figure 5:

G304 and G305


Object Number: 2080510  Size: FS
Figure 6:

G302


Object Number: 2080512  Size: FS
Figure 7:

G347


Object Number: 2080516  Size: FS
Figure 8:

G348 (1 of 2)


Object Number: 2080517  Size: FS
Figure 9:

G348 (2 of 2)


Object Number: 2080520  Size: FS
Figure 10:

G400


Object Number: 2080522  Size: FS
Figure 11:

G401 Passenger/Cargo


Object Number: 2080524  Size: FS
Figure 12:

G402 Passenger/Cargo


Object Number: 2080526  Size: FS
Figure 13:

G403 PRP


Object Number: 2080528  Size: FS