GM Service Manual Online
For 1990-2009 cars only
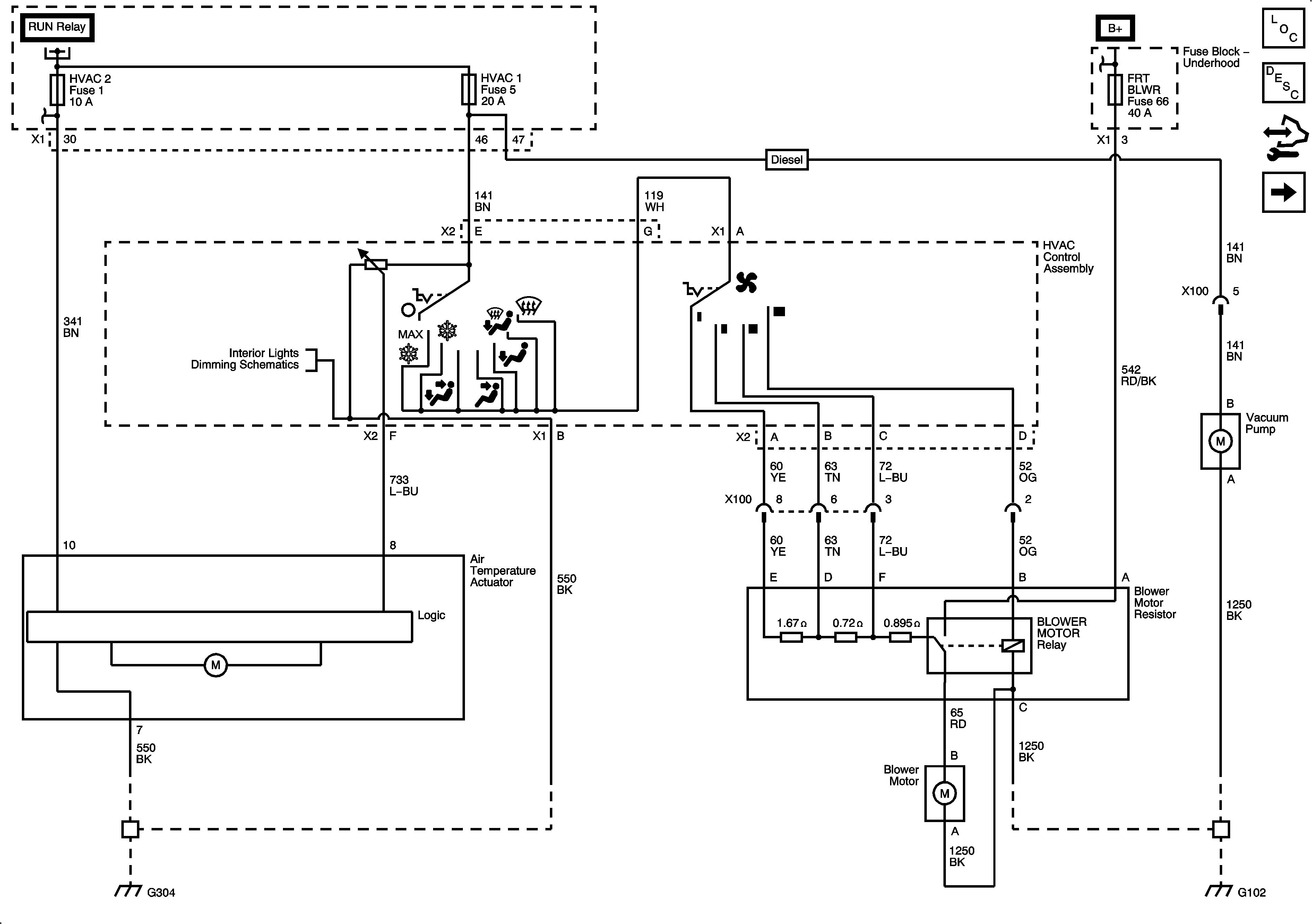
Figure 1:

Primary Blower and Air Delivery Controls C42 and Vacuum Pump


Object Number: 2080578  Size: FS
Figure 2:

Compressor Controls C60


Object Number: 2080580  Size: FS
Figure 3:

Rear HVAC with Rear Auxiliary Controls (1 of 3) C69


Object Number: 2080581  Size: FS
Figure 4:

Rear HVAC with Rear Auxiliary Controls (2 of 3) C69


Object Number: 2080583  Size: FS
Figure 5:

Rear HVAC with Rear Auxiliary Controls (3 of 3) C69


Object Number: 2080584  Size: FS
Figure 6:

Rear HVAC without Rear Auxiliary Controls (1 of 2) C69


Object Number: 2080586  Size: FS
Figure 7:

Rear HVAC without Rear Auxiliary Controls (2 of 2) C69


Object Number: 2080828  Size: FS
Figure 8:

Rear HVAC C36 without C69


Object Number: 2080829  Size: FS
Figure 9:

Coolant Heater (K08)


Object Number: 2080831  Size: FS