GM Service Manual Online
For 1990-2009 cars only
Makes
🢒
Chevrolet
🢒
2006
🢒
HHR
🢒
Vehicle Control Systems
🢒
Vehicle DTC Information
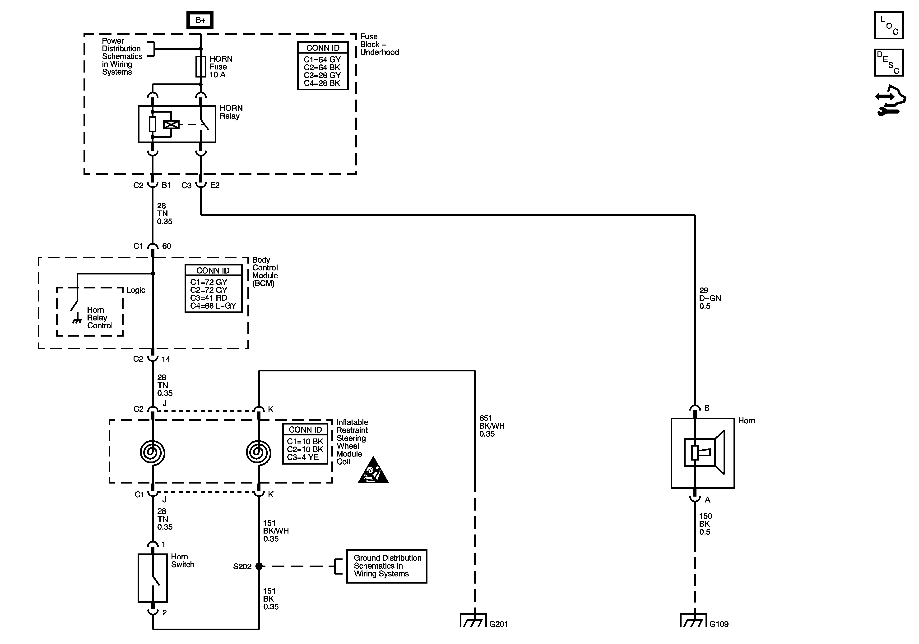
🢒 Horn Schematics
Master Electrical Component List
Horns System Description and Operation
Control Module References
Underhood Fuse Block - B+ Bus
Horn Schematic Icons
G201 and G203
G201 and G203
G109